电脑桌面
添加小米粒文库到电脑桌面
安装后可以在桌面快捷访问

宁夏宁东风电场(灵武)京能一期工程项目划分汇总表1VIP专享VIP免费

宁夏宁东风电场(灵武)京能一期工程项目划分汇总表1_第1页
1/39
宁夏宁东风电场(灵武)京能一期工程项目划分汇总表1_第2页
2/39
宁夏宁东风电场(灵武)京能一期工程项目划分汇总表1_第3页
3/39
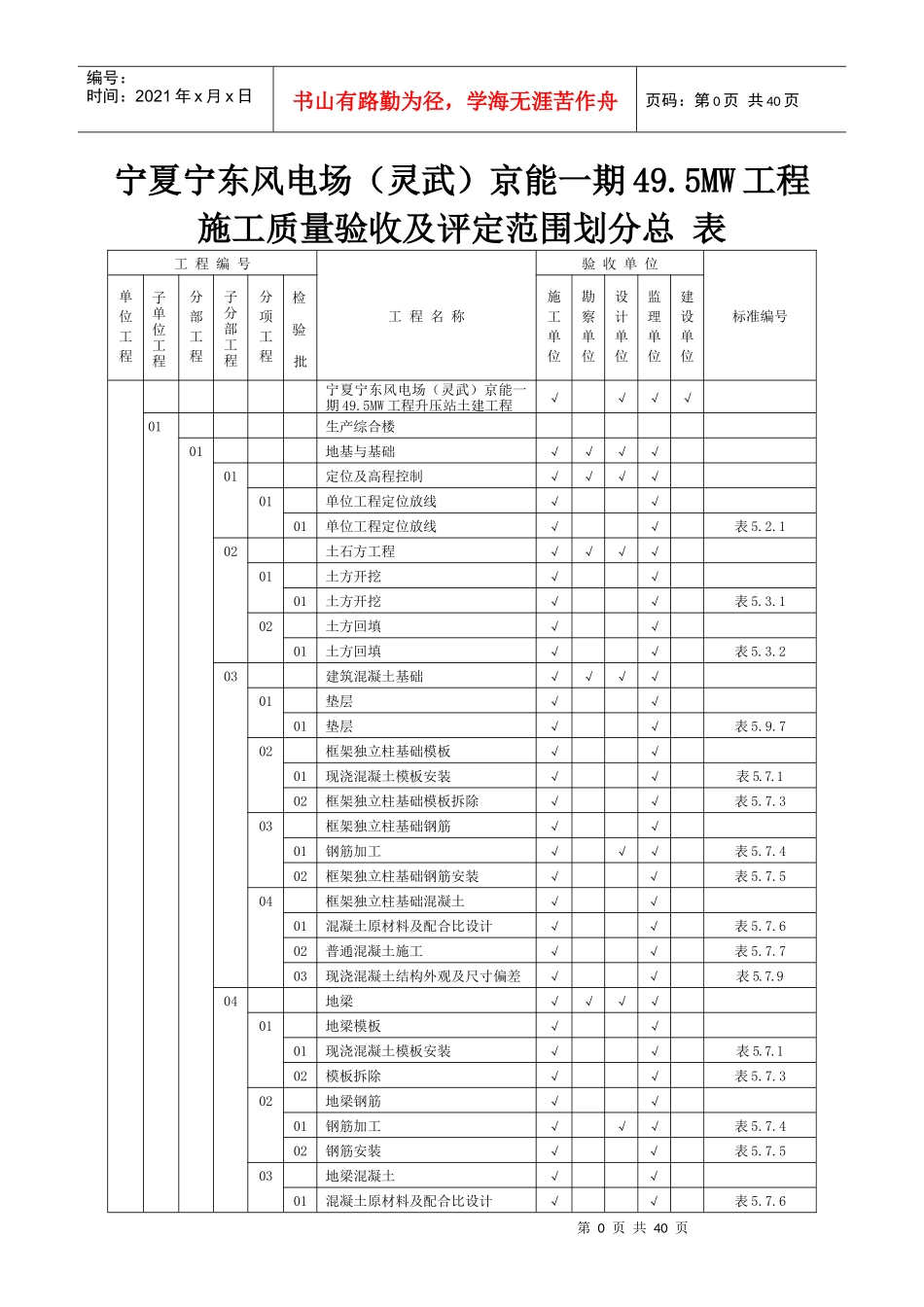
第0页共40页编号:时间:2021年x月x日书山有路勤为径,学海无涯苦作舟页码:第0页共40页宁夏宁东风电场(灵武)京能一期49.5MW工程施工质量验收及评定范围划分总表工程编号工程名称验收单位标准编号单位工程子单位工程分部工程子分部工程分项工程检验批施工单位勘察单位设计单位监理单位建设单位宁夏宁东风电场(灵武)京能一期49.5MW工程升压站土建工程√√√√01生产综合楼01地基与基础√√√√01定位及高程控制√√√√01单位工程定位放线√√01单位工程定位放线√√表5.2.102土石方工程√√√√01土方开挖√√01土方开挖√√表5.3.102土方回填√√01土方回填√√表5.3.203建筑混凝土基础√√√√01垫层√√01垫层√√表5.9.702框架独立柱基础模板√√01现浇混凝土模板安装√√表5.7.102框架独立柱基础模板拆除√√表5.7.303框架独立柱基础钢筋√√01钢筋加工√√√表5.7.402框架独立柱基础钢筋安装√√表5.7.504框架独立柱基础混凝土√√01混凝土原材料及配合比设计√√表5.7.602普通混凝土施工√√表5.7.703现浇混凝土结构外观及尺寸偏差√√表5.7.904地梁√√√√01地梁模板√√01现浇混凝土模板安装√√表5.7.102模板拆除√√表5.7.302地梁钢筋√√01钢筋加工√√√表5.7.402钢筋安装√√表5.7.503地梁混凝土√√01混凝土原材料及配合比设计√√表5.7.6第1页共40页第0页共40页编号:时间:2021年x月x日书山有路勤为径,学海无涯苦作舟页码:第1页共40页02普通混凝土施工√√表5.7.703混凝土结构外观及尺寸偏差√√表5.7.905室内沟道√√√√01沟道垫层√√01垫层√√表5.9.702沟道模板√√01沟道模板安装√√表6.4.202模板拆除√√表5.7.303沟道钢筋01钢筋加工表5.7.402钢筋安装表5.7.504沟道混凝土√√01混凝土原材料及配合比设计√√表5.7.602混凝土施工√√表5.7.703沟道混凝土结构外观及尺寸偏差√√表6.4.805盖板模板√√01混凝土沟道盖板模板安装√√表6.4.902模板拆除√√表5.7.306盖板钢筋√√01钢筋加工√√表5.7.402钢筋安装√√表5.7.507盖板混凝土√√01盖板混凝土原材料及配合比设计√√表5.7.602盖板混凝土施工√√表5.7.703盖板混凝土结构外观及尺寸偏差√√表6.4.802主体结构√√√01一层混凝土结构√√√01一层梁、板、柱模板√√01模板安装√√表5.7.102模板拆除√√表5.7.302一层梁、板、柱钢筋√√01钢筋加工√√表5.7.402钢筋安装√√表5.7.503一层梁、板、柱混凝土√√01混凝土原材料及配合比√√表5.7.602混凝土施工√√表5.7.703混凝土外观及结构尺寸√√表5.7.902二层混凝土结构√√√01二层梁、板、柱模板√√01模板安装√√表5.7.102模板拆除√√表5.7.302二层梁、板、柱钢筋√√第2页共40页第1页共40页编号:时间:2021年x月x日书山有路勤为径,学海无涯苦作舟页码:第2页共40页01钢筋加工√√表5.7.402钢筋安装√√表5.7.503二层梁、板、柱混凝土√√01混凝土原材料及配合比√√表5.7.602混凝土施工√√表5.7.703混凝土外观及结构尺寸√√03三层混凝土结构√√√01三层梁、板、柱模板√√01模板安装√√表5.7.102模板拆除√√表5.7.302三层梁、板、柱钢筋√√01钢筋加工√√表5.7.402钢筋安装√√表5.7.503三层梁、板、柱混凝土√√01混凝土原材料及配合比√√表5.7.602混凝土施工√√表5.7.703混凝土外观及结构尺寸√√04砌体工程√√√01填充墙砌体√√01一层砖砌体√√表5.6.102二层砖砌体√√表5.6.103三层砖砌体表5.6.105构造柱、雨篷及雨篷梁√√√01构造柱、雨蓬及雨蓬梁模板√√01一层构造柱、雨篷及雨篷梁模板安装√√表5.7.102一层构造柱、雨篷及雨篷梁模板拆除√√表5.7.303二层构造柱、雨篷及雨篷梁模板安装√√表5.7.104二层构造柱、雨篷及雨篷梁模板拆除√√表5.7.305三层构造柱、雨篷及雨篷梁模板安装√√表5.7.106三层构造柱、雨篷及雨篷梁模板拆除√√表5.7.302构造柱、雨篷及雨篷梁钢筋√√01一层构造柱、雨篷及雨篷梁钢筋加工√√表5.7.402一层构造柱、雨篷及雨篷梁钢筋安装√√表5.7.5第3页共40页第2页共40页编号:时间:2021年x月x日书山有路勤为径,学海无涯苦作舟页码:第3页共40页03二层构造柱、雨篷及雨篷梁钢筋加工...

1、当您付费下载文档后,您只拥有了使用权限,并不意味着购买了版权,文档只能用于自身使用,不得用于其他商业用途(如 [转卖]进行直接盈利或[编辑后售卖]进行间接盈利)。
2、本站所有内容均由合作方或网友上传,本站不对文档的完整性、权威性及其观点立场正确性做任何保证或承诺!文档内容仅供研究参考,付费前请自行鉴别。
3、如文档内容存在违规,或者侵犯商业秘密、侵犯著作权等,请点击“违规举报”。

碎片内容

宁夏宁东风电场(灵武)京能一期工程项目划分汇总表1

确认删除?
VIP
微信客服
  • 扫码咨询
会员Q群
  • 会员专属群点击这里加入QQ群
客服邮箱
回到顶部