电脑桌面
添加小米粒文库到电脑桌面
安装后可以在桌面快捷访问

第三节保安部管理表格VIP专享VIP免费

第三节保安部管理表格_第1页
1/32
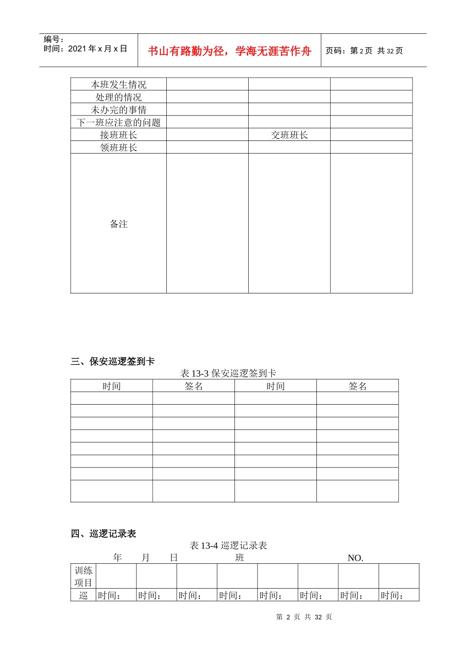
第三节保安部管理表格_第2页
2/32
第三节保安部管理表格_第3页
3/32
第1页共32页编号:时间:2021年x月x日书山有路勤为径,学海无涯苦作舟页码:第1页共32页第三节保安部管理表格一、保安人员共保表13-1保安人员花名册姓名性别文化程度政治面貌籍贯何时参队家庭住址身份证号工作证号胸章号码着装号码二、保安交接记录表表13-2保安交接记录表接班人姓名交班人姓名接班时间岗位交班情况(完好打“√”,损坏打“○”,损失打“Х”)1、对讲机台7、记录本本2、灭火器瓶8、钥匙把3、防毒面具个9、值班桌张4、雨伞把10、凳子张5、雨鞋双11、信件封6、大衣件第2页共32页第1页共32页编号:时间:2021年x月x日书山有路勤为径,学海无涯苦作舟页码:第2页共32页本班发生情况处理的情况未办完的事情下一班应注意的问题接班班长交班班长领班班长备注三、保安巡逻签到卡表13-3保安巡逻签到卡时间签名时间签名四、巡逻记录表表13-4巡逻记录表年月日班NO.训练项目巡时间:时间:时间:时间:时间:时间:时间:时间:第3页共32页第2页共32页编号:时间:2021年x月x日书山有路勤为径,学海无涯苦作舟页码:第3页共32页视检查情况记录地点:记录地点:记录地点:记录地点:记录地点:记录地点:记录地点:记录地点:记录其他异常情况记录班长抽签评语主管批示巡逻员签名:五、巡查记录表表13-5巡查记录表年月日班NO.时间时分时分违规者签名违规情况及处理结果异常情况及处理结果第4页共32页第3页共32页编号:时间:2021年x月x日书山有路勤为径,学海无涯苦作舟页码:第4页共32页每日巡果工作总结班长签名:六、保安工作月检查表表13-6保安工作月检查表岗位姓名检查内容总分着装礼仪岗位执行班长评分主管评分第5页共32页第4页共32页编号:时间:2021年x月x日书山有路勤为径,学海无涯苦作舟页码:第5页共32页备注:每项检查内容的检查结果共分5等,即“1、2、3、4、5”。其中1等为“91-100分”,2等为“81-90分”。3等为“71-80分”。4等为“61-70分”。5等为“60分以下”。审核:七、人员外出放行条表13-7人员外出放行条日期:年月日外出人员姓名:部门:职务:所需时间:外出事由:部门经理审核:年月日当值保安验核:第6页共32页第5页共32页编号:时间:2021年x月x日书山有路勤为径,学海无涯苦作舟页码:第6页共32页年月日九、消防设施安全运行巡查记录表表13-9消防设施安全远行巡查记录表巡查时期:巡查地点安全运行状况设备完好率巡查时间巡查记录员签名备注保安员:保安部:十、车辆出入登记表第7页共32页第6页共32页编号:时间:2021年x月x日书山有路勤为径,学海无涯苦作舟页码:第7页共32页表13-10车辆出入登记表日期车牌号码人数入场时间出场时间经手人十、处罚通知书表1-10处罚通知书部门所在部门姓名处罚原因:第8页共32页第7页共32页编号:时间:2021年x月x日书山有路勤为径,学海无涯苦作舟页码:第8页共32页给予的处罚:备注:请在48小时内申诉,过后视为默认。部门:督察:总经理:十一、奖励通知书表1-11奖励通知书部门所在部门姓名奖励原因:第9页共32页第8页共32页编号:时间:2021年x月x日书山有路勤为径,学海无涯苦作舟页码:第9页共32页给予的奖励:部门:督察:总经理:十二、宿舍外来人员出入登记表表1-12宿舍外来人员出入登记表日期来访人身份证号被访人房间号进入时间离开时间经手人备注第10页共32页第9页共32页编号:时间:2021年x月x日书山有路勤为径,学海无涯苦作舟页码:第10页共32页表2-4收款员现金报表分类日期净额更正收银机金额收入期终额期初额现金收入支出期终额期初额现金支出现金净额上班下班收款员第11页共32页第10页共32页编号:时间:2021年x月x日书山有路勤为径,学海无涯苦作舟页码:第11页共32页五、出纳管理日报表表2-5出纳管理日报表年月日摘要本日收支额本月合计本月预计备注现金存款计前日余额收入销售进账票据兑现抵押借款私人借款预收保险金支出偿还借款材料采购品费用设备其他材料购入采购品支付费用支付人事费广告费各项费用支付利息购买固定资产……支出合计第12页共32页第11页共32页编号:时间:2021年x月x日书山有路勤为径,学海无涯苦作舟页码:第12页共32页现金存款存款提款本日余额六、找零备用金额领...

1、当您付费下载文档后,您只拥有了使用权限,并不意味着购买了版权,文档只能用于自身使用,不得用于其他商业用途(如 [转卖]进行直接盈利或[编辑后售卖]进行间接盈利)。
2、本站所有内容均由合作方或网友上传,本站不对文档的完整性、权威性及其观点立场正确性做任何保证或承诺!文档内容仅供研究参考,付费前请自行鉴别。
3、如文档内容存在违规,或者侵犯商业秘密、侵犯著作权等,请点击“违规举报”。

碎片内容

第三节保安部管理表格

确认删除?
VIP
微信客服
  • 扫码咨询
会员Q群
  • 会员专属群点击这里加入QQ群
客服邮箱
回到顶部