电脑桌面
添加小米粒文库到电脑桌面
安装后可以在桌面快捷访问

大中型建筑工程消防竣工验收表VIP免费

大中型建筑工程消防竣工验收表_第1页
1/26
大中型建筑工程消防竣工验收表_第2页
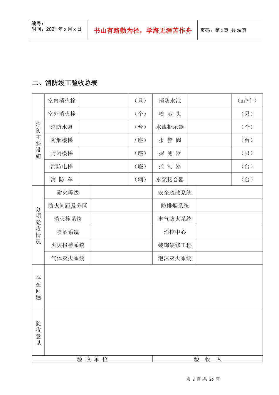
2/26
大中型建筑工程消防竣工验收表_第3页
3/26
大中型建筑工程消防竣工验收表工程名称:工程地点:建设单位:(公章)设计单位:(公章)施工单位:(公章)申报日期:联系人:电话:福建省公安消防总队制类别:编号:建审编号:第1页共26页编号:时间:2021年x月x日书山有路勤为径,学海无涯苦作舟页码:第1页共26页一、工程概况表使用类别工程等级工程类别1.旅馆8.其它2.住宅3.俱乐部、影剧院4.办公、科研、医院5.商业、金融6.交通、通讯枢纽7.综合建筑1.国家级2.省级3.一般1.新建2.改建3.扩建投资情况(概要)电源情况水源情况投资方式总投资消防设施投资一路供电二回路供电一路供电、自备发电二回路供电、自备发电水源进水管1.中资2.合资3.外资万元万元1.市政2.河湖3.深井4.水池形式管径1.枝状2.环状cm建筑特性结构类型耐火等级层数高度建筑面积占地面积火灾危险性等级混合钢筋砼钢结构一级二级三级(层)(米)(平方米)(平方米)地上地下地上地下储罐情况储罐类型储罐材质储存形式储存工作压力储存温度单罐几何容积总几何容积储罐最大直径储存物1.球型罐2.卧式罐3.浮顶罐4.其它1.钢2.砼1.地上2.地下3.半地下1.高压2.常压3.低压1.低温2.常温3.降温立方米立方米米备注第2页共26页第1页共26页编号:时间:2021年x月x日书山有路勤为径,学海无涯苦作舟页码:第2页共26页二、消防竣工验收总表消防主要设施室内消火栓(只)消防水池(m3/个)室外消火栓(个)喷洒头(只)消防水泵(台)水流批示器(个)防烟楼梯(座)报警阀(台)封闭楼梯(座)探测器(只)消防电梯(座)控制器(台)消防车(辆)水泵接合器(台)分项验收情况耐火等级安全疏散系统防火间距及分区防排烟系统消火栓系统电气防火系统喷洒系统消控中心火灾报警系统装饰装修工程气体灭火系统泡沫灭火系统存在问题验收意见验收单位验收人第3页共26页第2页共26页编号:时间:2021年x月x日书山有路勤为径,学海无涯苦作舟页码:第3页共26页三、分项验收表(一)耐火等级验收表构件名称材料、规格(mm)燃烧性能耐火极限(h)1防火墙疏散走道隔墙房间隔墙2柱3梁4楼板5屋顶承重构件6疏散楼梯7吊顶(阁栅)第4页共26页第3页共26页编号:时间:2021年x月x日书山有路勤为径,学海无涯苦作舟页码:第4页共26页评定耐火等级说明验收意见(二)建筑物周围防火间距及分区验收表周围防火间距方位相邻建筑名称最小间距(米)备注消防通道型式尽头式、环形最小宽度(米)门洞高宽登高面宽度:米长度:米占周长比例%转弯半径路边距建筑物承重荷载防火型式①分层竖向分区;②平面防火墙分区;③平面水幕分区;④平面防火卷帘分区第5页共26页第4页共26页编号:时间:2021年x月x日书山有路勤为径,学海无涯苦作舟页码:第5页共26页分区分设区主要施名称规格数量部位防火门水幕防火卷帘启动方式启动方式功能要求联动方式功能要求检验内容开启关闭情况:防火卷帘电动升降情况:联动情况:水幕装置:通水后情况:验收意见(三)安全疏散系统验收表疏散楼梯座数宽度cm楼梯间最大间距m类型1)防烟2)封闭3)开敞4)室外5)剪刀梯6)消防电梯疏散楼梯总宽m疏散人数指标(米/百人)防烟前室面积m2防烟方式1.机械排烟2.加压3.自然安全出口个数总宽(M)最不利出口型式1、直通室外2、封闭通道3、扩大前室外4、通过其它建筑每层出口疏散人数防火挑檐宽度(M)走型式①一字型②环形③袋形④外廊⑤中亭环形有无直接采光第6页共26页第5页共26页编号:时间:2021年x月x日书山有路勤为径,学海无涯苦作舟页码:第6页共26页道位于两个安全出口距离m袋形走道距离(m)每个防火分区安全出口(个)地下室防火分区个数直接出口个数共用楼梯间个数消防安全设施自动喷水,自动报警,排烟疏散指示,事故照明观众厅大厅最远一点到疏散出口距离(m)面积(m2)座位观众厅横走道座位排数纵走道每排座位排距(cm)安全出口(个)疏散指示事故照明疏散指示灯型号厂家数量事故照明场所方式存在问题验收意见(四)消火栓系统验收表主要设备情况名称型号数量主要特征室外消火栓地下地上室内消火栓带按钮灭火喉消防水泵扬程:流量:扬程:流量:第7页共26页第6页共26页编号:时间:2021年x月x日书山有路勤为径,学海无涯苦作舟页码:第7页共...

1、当您付费下载文档后,您只拥有了使用权限,并不意味着购买了版权,文档只能用于自身使用,不得用于其他商业用途(如 [转卖]进行直接盈利或[编辑后售卖]进行间接盈利)。
2、本站所有内容均由合作方或网友上传,本站不对文档的完整性、权威性及其观点立场正确性做任何保证或承诺!文档内容仅供研究参考,付费前请自行鉴别。
3、如文档内容存在违规,或者侵犯商业秘密、侵犯著作权等,请点击“违规举报”。

碎片内容

大中型建筑工程消防竣工验收表

确认删除?
VIP
微信客服
  • 扫码咨询
会员Q群
  • 会员专属群点击这里加入QQ群
客服邮箱
回到顶部