电脑桌面
添加小米粒文库到电脑桌面
安装后可以在桌面快捷访问

滨州市建设工程项目基本建设程序履行情况检查表(一)VIP免费

滨州市建设工程项目基本建设程序履行情况检查表(一)_第1页
1/15
滨州市建设工程项目基本建设程序履行情况检查表(一)_第2页
2/15
滨州市建设工程项目基本建设程序履行情况检查表(一)_第3页
3/15
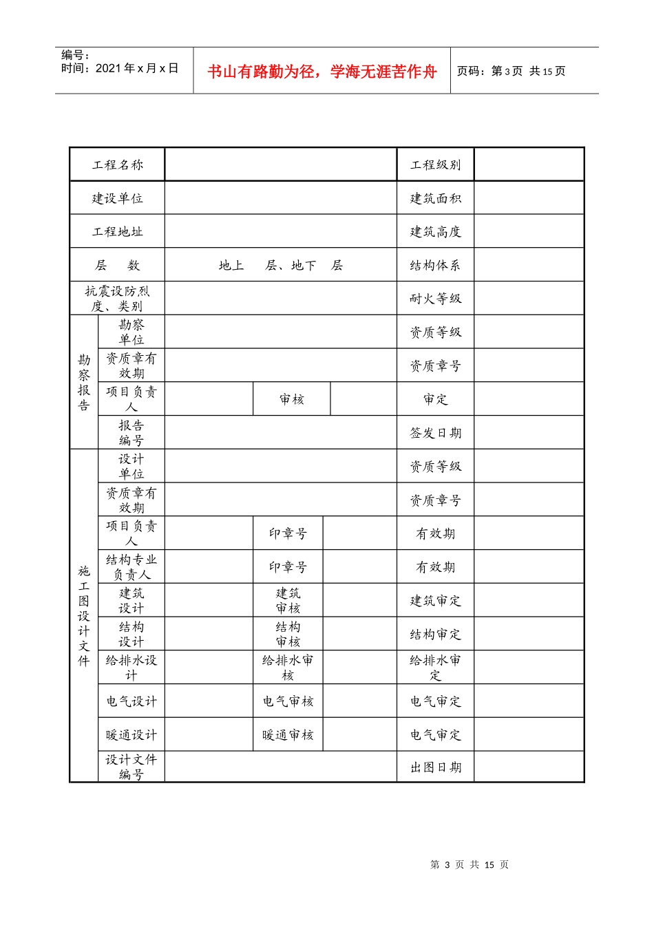
滨州市建设工程项目基本建设程序履行情况检查表(一)县(区)年月日项目名称建设单位(资质等级)项目地址项目性质建筑面积投资额施工单位监理单位开工日期形象进度幢数面积前置手续建设手续规划许可批准单位、时间、证号土地许可批准单位、时间、证号施工图审查质量监督安全监督招投标开发经营许可审查单位文号面积监督单位监督单位代理单位交易情况许可单位证号预售许可施工许可竣工验收档案移交情况房产证发放情况许可单位证号许可单位证号面积备案单位时间单位时间发放单位时间实施规模与批准规模是否相符是否存在违法分包和转包现象存在的问题处理意见处理情况备注被调查人签字:____________职务:____________联系电话:__________________第2页共15页编号:时间:2021年x月x日书山有路勤为径,学海无涯苦作舟页码:第2页共15页滨州市建设工程项目勘察设计、施工图审查情况检查表(二)县(区)年月日第3页共15页第2页共15页编号:时间:2021年x月x日书山有路勤为径,学海无涯苦作舟页码:第3页共15页工程名称工程级别建设单位建筑面积工程地址建筑高度层数地上层、地下层结构体系抗震设防烈度、类别耐火等级勘察报告勘察单位资质等级资质章有效期资质章号项目负责人审核审定报告编号签发日期施工图设计文件设计单位资质等级资质章有效期资质章号项目负责人印章号有效期结构专业负责人印章号有效期建筑设计建筑审核建筑审定结构设计结构审核结构审定给排水设计给排水审核给排水审定电气设计电气审核电气审定暖通设计暖通审核电气审定设计文件编号出图日期第4页共15页第3页共15页编号:时间:2021年x月x日书山有路勤为径,学海无涯苦作舟页码:第4页共15页滨州市建设工程项目勘察设计、施工图审查情况检查表(二)施工图审查情况审查机构资质类别资质章号资质章有效期机构负责人技术负责人报告书编号合格书编号签发日期勘察专业建筑专业建筑校审结构专业结构校审给排水专业电气专业暖通专业其他专业重大设计变更情况勘察设计合同情况勘探孔总进尺个米工程勘察费元估算总投资万元工程设计费元备注第5页共15页第4页共15页编号:时间:2021年x月x日书山有路勤为径,学海无涯苦作舟页码:第5页共15页被调查人签字:____________职务:____________联系电话:__________________滨州市建设工程项目安全生产管理情况检查表(三)县(区)年月日第6页共15页第5页共15页编号:时间:2021年x月x日书山有路勤为径,学海无涯苦作舟页码:第6页共15页工程名称施工单位项目经理联系电话序号检查内容检查记录一企业安全生产管理1企业资质证书、安全生产许可证是否齐全2施工单位项目负责人、专职安全生产管理人员是否持有安全考核合格证书3特种作业人员是否持证上岗并人证相符、是否脱审二建筑施工现场安全生产管理4施工现场是否按规定办理意外伤害保险手续和安全报监手续5安全防护用品是否按规定使用、新型配电箱是否全面推广应用6塔吊、物料提升机等起重机械设备是否经过安全技术咨询7工程是否申报基础/主体安全评价8施工现场是否按规定配备专职安全管理人员9安全生产责任制是否建立,安全技术交底内容是否符合现场实际,安全检查是否有记录,现场作业工人是否经过三级安全教育培训,各类设备是否经过验收,食堂是否有卫生许可证,人员是否有健康证10施工组织设计、专项施工方案的编制是否符合现场实际并经审批三建筑施工现场安全文明施工管理11现场是否使用菱苦土、菱镁土班房12现场围挡是否符合要求,施工场地是否按要求硬化,现场是否按要求配备足量的消防设施第7页共15页第6页共15页编号:时间:2021年x月x日书山有路勤为径,学海无涯苦作舟页码:第7页共15页被调查人签字:____________职务:____________联系电话:__________________序号检查内容检查记录13制定脚手架专项方案,垂直度是否有偏差,基础是否夯实整平,平、立网封闭是否严密,连墙件、小横杆的数量是否达到规范要求,“四口”、“五临边”的防护是否到位,卸料平台是否符合要求14制定模板工程专项方案,模板支撑系统基础是否夯实整平,基础垫板是否符合要求,是否设置纵、横向扫地杆,支架及杆件设置是否规范15制定...

1、当您付费下载文档后,您只拥有了使用权限,并不意味着购买了版权,文档只能用于自身使用,不得用于其他商业用途(如 [转卖]进行直接盈利或[编辑后售卖]进行间接盈利)。
2、本站所有内容均由合作方或网友上传,本站不对文档的完整性、权威性及其观点立场正确性做任何保证或承诺!文档内容仅供研究参考,付费前请自行鉴别。
3、如文档内容存在违规,或者侵犯商业秘密、侵犯著作权等,请点击“违规举报”。

碎片内容

滨州市建设工程项目基本建设程序履行情况检查表(一)

精品中小学文档+ 关注
实名认证
内容提供者

精品资料,值得下载

确认删除?
VIP
微信客服
  • 扫码咨询
会员Q群
  • 会员专属群点击这里加入QQ群
客服邮箱
回到顶部