电脑桌面
添加小米粒文库到电脑桌面
安装后可以在桌面快捷访问

线路工程质检评级表VIP免费

线路工程质检评级表_第1页
1/52
线路工程质检评级表_第2页
2/52
线路工程质检评级表_第3页
3/52
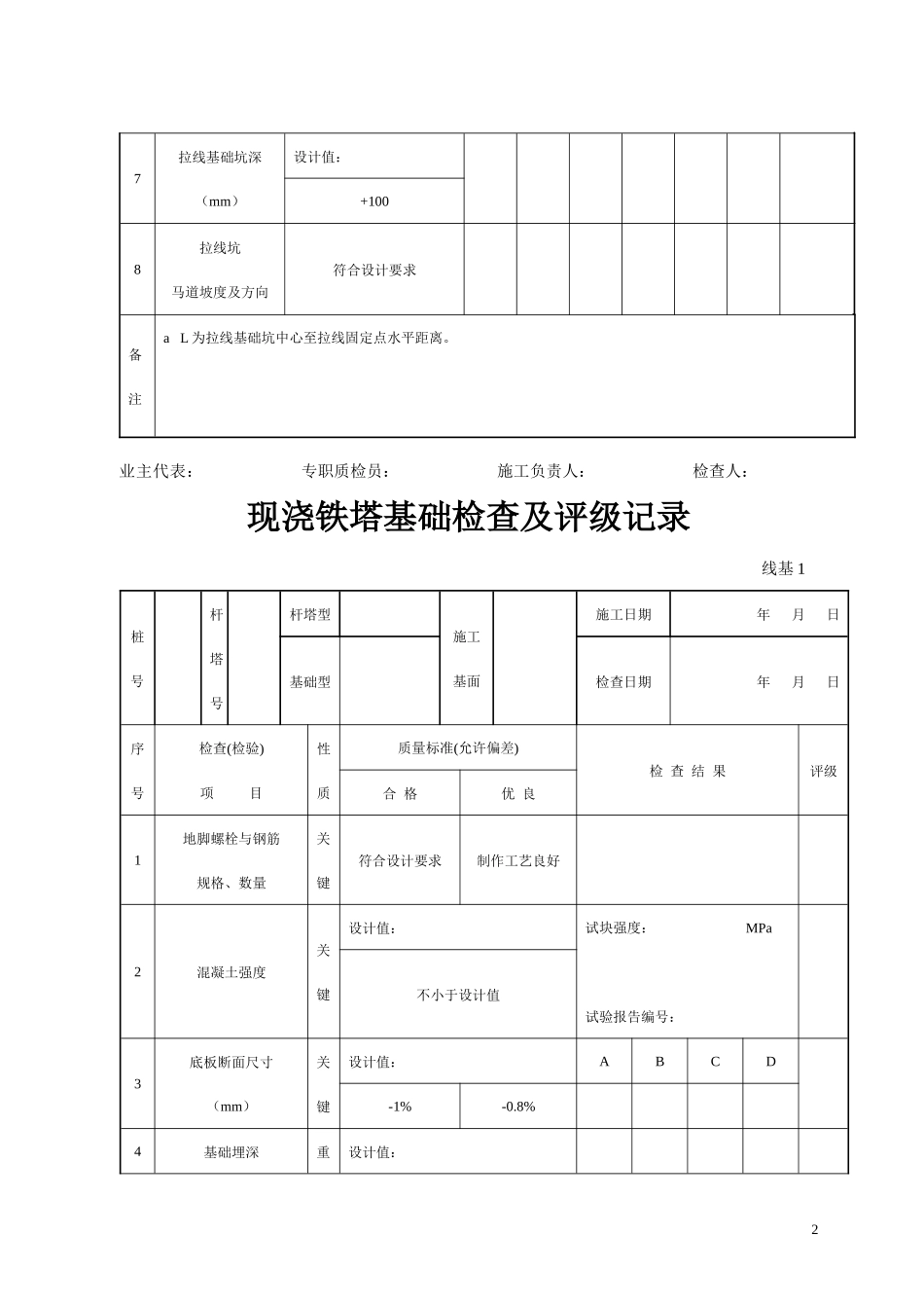
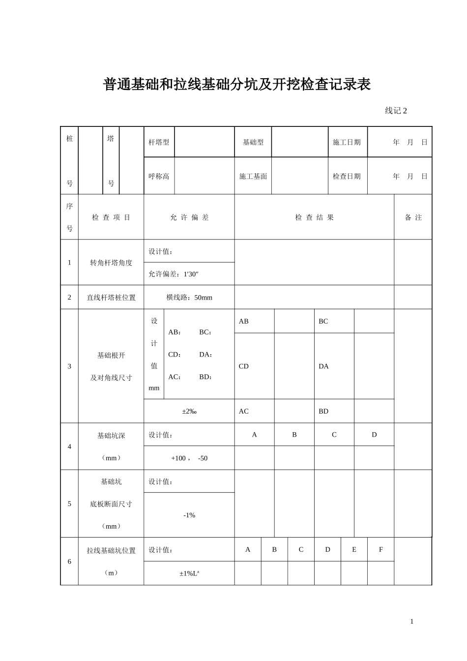
普通基础和拉线基础分坑及开挖检查记录表线记2桩号塔号杆塔型基础型施工日期年月日呼称高施工基面检查日期年月日序号检查项目允许偏差检查结果备注1转角杆塔角度设计值:允许偏差:1′30″2直线杆塔桩位置横线路:50mm3基础根开及对角线尺寸设计值mmAB:BC:CD:DA:AC:BD:ABBCCDDA±2‰ACBD4基础坑深(mm)设计值:ABCD+100,-505基础坑底板断面尺寸(mm)设计值:-1%6拉线基础坑位置(m)设计值:ABCDEF±1%La17拉线基础坑深(mm)设计值:+1008拉线坑马道坡度及方向符合设计要求备注aL为拉线基础坑中心至拉线固定点水平距离。业主代表:专职质检员:施工负责人:检查人:现浇铁塔基础检查及评级记录线基1桩号杆塔号杆塔型施工基面施工日期年月日基础型检查日期年月日序号检查(检验)项目性质质量标准(允许偏差)检查结果评级合格优良1地脚螺栓与钢筋规格、数量关键符合设计要求制作工艺良好2混凝土强度关键设计值:试块强度:MPa试验报告编号:不小于设计值3底板断面尺寸(mm)关键设计值:ABCD-1%-0.8%4基础埋深重设计值:2(mm)要+100,-50+100,05立柱断面尺寸(mm)重要设计值:-1%-0.8%6钢筋保护层厚度(mm)重要-57混凝土表面质量重要符合GBJ233—1990第5.2.13条规定表面平整8整基基础中心位移(mm)重要顺线路:3024横线路:30249整基基础扭转重要一般塔:10′8′高塔:5′4′10回填土重要符合GBJ233—1990第4.0.7~4.0.9条规定无沉陷,,防沉层整齐美观11同组地脚螺栓中心与立柱中心偏移(mm)一般10812基础顶面高差(mm)一般513基础根开及对角线尺寸(mm)一般设计值AB:BC:CD:DA:AC:BD:AB:BC:CD:DA:3螺栓式插入±2‰±1‰±0.7‰±1.6‰±0.8‰±0.6‰AC:BD:备注评级业主代表:专职质检员:施工负责人:检查人:现浇铁塔拉线(含锚杆拉线)基础检查及评级记录线基2桩号杆塔号杆塔型施工基面施工日期年月日基础型检查日期年月日序号检查(检验)项目性质质量标准(允许偏差)检查结果评级合格优良1拉线基础埋件及钢筋规格、数量关键符合设计要求制作工艺良好2混凝土强度关键设计值:试块强度:MPa试验报告编号:不小于设计值3底板断面尺寸(mm)关键设计值:ABCDEF-1%-0.8%4基础埋深(mm)重要设计值:+10045锚杆拉线基础孔重要角度2°孔径+20mm孔深+100mm6保护层厚度(mm)重要-57混凝土表面质量重要符合GBJ233—1990第5.2.13条规定表面平整8回填土重要符合GBJ233—1990第4.0.7~4.0.9条规定无沉陷、防沉层整齐美观9拉线基础拉环中心与设计位置偏移(mm)重要201610拉线基础中心在拉线方向的位移一般左右1%La0.8%L前后1°0.8°11拉线棒外观无弯曲无锈蚀回头方向一致、整齐备注aL为拉线环中心至拉线固定点水平距离。评级业主代表:专职质检员:施工负责人:检查人:装配式基础检查及评级记录线基35桩号杆塔号杆塔型施工基面施工日期年月日基础型检查日期年月日序号检查(检验)项目性质质量标准(允许偏差)检查结果评级合格优良1预制件规格、数量关键符合设计和GBJ233—1990第2.0.19条要求2预制件强度关键设计值:试块强度:MPa试验报告编号:符合设计要求3基础埋深(mm)关键设计值:ABCD+100,-50+100,-04立柱倾斜(%)重要10.85整基基础中心与中心桩位移(mm)重要顺线路3024横线路30246整体基础扭转(′)重要一般塔108高塔547构件安装重要符合GBJ233—1990第5.3.1~5.3.3条规定68回填土重要符合GBJ23—1990第4.0.7~4.0.9条规定无沉陷、防沉层整齐美观9基础根开及对角线尺寸(mm)重要设计值AB:BC:CD:DA:AC:BD:AB:BC:CD:DA:螺栓式插入式高塔±2‰±1‰±0.7‰±1.6‰±0.8‰±0.6‰AC:BD:10基础顶面高差(mm)一般5备注评级业主代表:专职质检员:施工负责人:检查人:混凝土电杆塔基础检查及评级记录线基4桩号杆塔号杆塔型施工基面施工日期年月日基础型检查日期年月日序检查(检验)性质量标准(允许偏差)检查结果评级7号项目质合格优良ABCDEF1预制件规格、数量关键符合设计和GBJ233—1990第2.0.19条规定2预制件强度关键设计值:试块强度:MPa试验报告编号:符合设计要求3铁件、金具规格、数量关键符合设计要求4底盘埋深(mm)关键设计值:左右+100,...

1、当您付费下载文档后,您只拥有了使用权限,并不意味着购买了版权,文档只能用于自身使用,不得用于其他商业用途(如 [转卖]进行直接盈利或[编辑后售卖]进行间接盈利)。
2、本站所有内容均由合作方或网友上传,本站不对文档的完整性、权威性及其观点立场正确性做任何保证或承诺!文档内容仅供研究参考,付费前请自行鉴别。
3、如文档内容存在违规,或者侵犯商业秘密、侵犯著作权等,请点击“违规举报”。

碎片内容

线路工程质检评级表

确认删除?
VIP
微信客服
  • 扫码咨询
会员Q群
  • 会员专属群点击这里加入QQ群
客服邮箱
回到顶部