电脑桌面
添加小米粒文库到电脑桌面
安装后可以在桌面快捷访问

危险化学品从业单位安全标准化自评考核报告VIP免费

危险化学品从业单位安全标准化自评考核报告_第1页
1/14
危险化学品从业单位安全标准化自评考核报告_第2页
2/14
危险化学品从业单位安全标准化自评考核报告_第3页
3/14
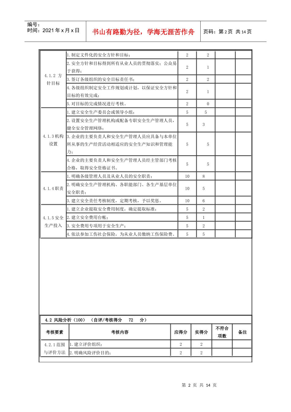
第1页共14页编号:时间:2021年x月x日书山有路勤为径,学海无涯苦作舟页码:第1页共14页危险化学品从业单位安全标准化□自评/□考核报告企业名称:贵州平坝县湘黔工业气体有限公司企业地址:贵州省安顺市平坝县白云镇高寨村枫阳工业小区电话:0853-3717478传真:邮编:自评/考核组长:李汉文成员:李密生、尹淑珍、刘常红自评/考核日期:2010年7月28日至2010年11月28日自评/考核情况概述:2010年7月28日至2010年11月28,企业自评/考核组依据“危险化学品从业单位安全标准化考核评价标准”,通过听取各单位负责人关于实施安全标准化工作情况的汇报,根据本公司的实际情况,现场调查,员工考核的方式对公司实施安全标准化工作进行自评、考核。自评、考核如下:1、10个C级要素的实得分别为:C166分;C272分;C366分;C471分;C560分;C660分;C767分;C860分;C960分;C1063分。2、10个C级要素得分均在60分以上,满足“危险化学品从业单位安全标准化考核评级办法。3、根据折算综合得分:64.5分。4、存在问题:从自评/考核结果表,发现113个不符合项。5、自评/考核组要求,认真查找、改进存在的其它问题,确保企业按期通过安全标准化三级企业验收。自查结论:经过自评/考核得分64.5分,按照“危险品从业单位安全标准化考核评价标准”,达到安全标准化三级企业。□自评/□考核汇总表4.1负责人与责任(100)(自评/考核得分66分)考核要素考核内容应得分实得分不符合项数备注4.1.1负责人1.企业的主要负责人应明确其是本单位安全生产的第一责任人,落实安全生产基础工作和基层安全生产责任制;552.主要负责人作出文件化的安全承诺,并确保安全承诺转变为必需的资源支持;533.企业应实施安全标准化管理;524.实施全员、全过程、全方位、全天候的安全管理和监督原则。53第2页共14页第1页共14页编号:时间:2021年x月x日书山有路勤为径,学海无涯苦作舟页码:第2页共14页4.1.2方针目标1.制定文件化的安全方针和目标;222.安全方针和目标得到所有从业人员的贯彻落实;公众易于获得;213.签订各级组织的安全目标责任书;224.各级组织制定安全工作规划或计划,以保证安全方针和目标的有效完成;215.对目标的完成情况进行考核。204.1.3机构设置1.建立安全生产委员会或领导小组;552.设置安全生产管理机构或配备专职安全生产管理人员,健全安全管理网络;533.企业的主要负责人和安全生产管理人员应具备与本单位所从事的生产经营活动相适应的安全生产知识和管理能力;554.企业的主要负责人和安全生产管理人员经主管部门考核合格,取得安全资格证书。554.1.4职责1.明确各级管理人员及从业人员的安全职责;1082.明确安全生产管理机构、各职能部门、各生产基层单位安全职责;1053.建立安全责任考核制度,定期考核,予以奖惩。1064.1.5安全生产投入1.建立企业提取安全费用制度,确定提取标准;522.建立安全费用台帐;513.安全费用专项用于安全生产;524.依法参加工伤社会保险,为从业人员缴纳工伤保险费。554.2风险分析(100)(自评/考核得分72分)考核要素考核内容应得分实得分不符合项数备注4.2.1范围与评价方法1.建立评价组织;222.明确风险评价目的;22第3页共14页第2页共14页编号:时间:2021年x月x日书山有路勤为径,学海无涯苦作舟页码:第3页共14页3.确定评价范围;204.选择科学合理的评价方法;225.确定评价准则。204.2.2风险评价1.依据已确定的评价方法、评价准则,适时进行风险评价。20142.记录重大风险,确定风险控制措施。1074.2.3控制措施根据风险评价的结果及经营运行情况等,确定优先控制的顺序,采取控制措施。1064.2.4风险控制1.根据风险评价的结果,落实所选定的风险控制措施;1062.对确定为重大隐患的项目,应建立档案。553.将评价结果对从业人员进行宣传、培训。534.2.5风险信息更新1.应不间断地组织风险评价工作,识别与生产经营活动有关的风险和隐患;432.定期评审或检查风险控制结果;443.当发生事故或变更时,应及时进行风险评价。214.2.6重大危险源1.建立重大危险源管理制度,确定企业的重大危险源;422.重大危险源应登记建档,进行定期检测、评估、监控;443.制定应急预案,...

1、当您付费下载文档后,您只拥有了使用权限,并不意味着购买了版权,文档只能用于自身使用,不得用于其他商业用途(如 [转卖]进行直接盈利或[编辑后售卖]进行间接盈利)。
2、本站所有内容均由合作方或网友上传,本站不对文档的完整性、权威性及其观点立场正确性做任何保证或承诺!文档内容仅供研究参考,付费前请自行鉴别。
3、如文档内容存在违规,或者侵犯商业秘密、侵犯著作权等,请点击“违规举报”。

碎片内容

危险化学品从业单位安全标准化自评考核报告

您可能关注的文档

确认删除?
VIP
微信客服
  • 扫码咨询
会员Q群
  • 会员专属群点击这里加入QQ群
客服邮箱
回到顶部