电脑桌面
添加小米粒文库到电脑桌面
安装后可以在桌面快捷访问

安全检查评分表VIP免费

安全检查评分表_第1页
1/14
安全检查评分表_第2页
2/14
安全检查评分表_第3页
3/14
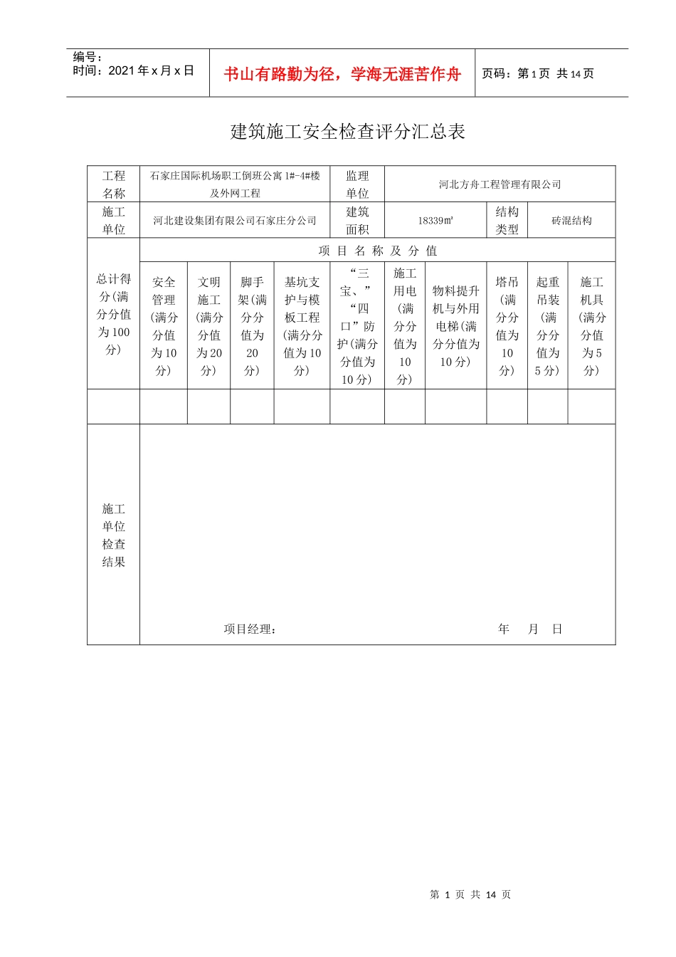
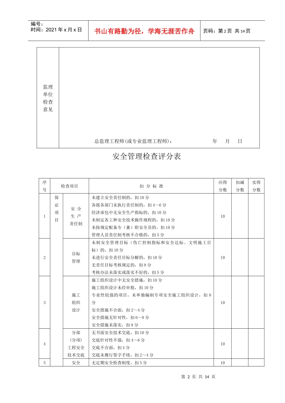
第1页共14页编号:时间:2021年x月x日书山有路勤为径,学海无涯苦作舟页码:第1页共14页建筑施工安全检查评分汇总表工程名称石家庄国际机场职工倒班公寓1#-4#楼及外网工程监理单位河北方舟工程管理有限公司施工单位河北建设集团有限公司石家庄分公司建筑面积18339㎡结构类型砖混结构总计得分(满分分值为100分)项目名称及分值安全管理(满分分值为10分)文明施工(满分分值为20分)脚手架(满分分值为20分)基坑支护与模板工程(满分分值为10分)“三宝、”“四口”防护(满分分值为10分)施工用电(满分分值为10分)物料提升机与外用电梯(满分分值为10分)塔吊(满分分值为10分)起重吊装(满分分值为5分)施工机具(满分分值为5分)施工单位检查结果项目经理:年月日第2页共14页第1页共14页编号:时间:2021年x月x日书山有路勤为径,学海无涯苦作舟页码:第2页共14页监理单位检查意见总监理工程师(或专业监理工程师):年月日安全管理检查评分表序号检查项目扣分标准应得分数扣减分数实得分数1保证项目安全生产责任制未建立安全责任制的,扣10分各级各部门未执行责任制的,扣4~6分经济承包中无安全生产指标的,扣10分未制定各工种安全技术操作规程的,扣10分未按规定配备专(兼)职安全员的,扣10分管理人员责任制考核不合格的,扣5分102目标管理未制安全管理目标(伤亡控制指标和安全达标、文明施工目标)的,扣10分未进行安全责任目标分解的,扣10分无责任目标考核规定的,扣8分考核办法未落实或落实不好的,扣5分103施工组织设计施工组织设计中无安全措施,扣10分施工组织设计未经审批,扣10分专业性较强的项目,未单独编制专项安全施工组织设计,扣8分安全措施不合面,扣2~4分安全措施无针对性,扣6~8分安全措施未落实,扣8分104分部(分项)工程安全技术交底无书面安全技术交底,扣10分交底针对性不强,扣4~6分交底不合面,扣4分交底未履行签字手续,扣2~4分105安全无定期安全检查制度,扣5分10第3页共14页第2页共14页编号:时间:2021年x月x日书山有路勤为径,学海无涯苦作舟页码:第3页共14页检查安全检查无记录,扣5分检查出事故隐患整改做不到定人、定时间、定措施,扣2~6分对重大事故隐患整改通知书所列项目未如期完成,扣5分6安全教育无安全教育制度,扣10分新入厂工人未进行三级安全教育,扣10分无具体安全教育内容,扣6~8分变换工种时未进行安全教育,扣10分每有一人不懂本工种安全技术操作规程,扣2分施工管理人员未按规定进行年度培训的,扣5分专职安全员未按规定进行年度培训考核或考核不合格,扣5分10小计607一般项目班前安全活动未建立班前安全活动制度,扣10分班前安全活动无记录,扣2分108特种作业持证上岗一人未经培训从事特种作业,扣4分一人未持操作证上岗,扣2分109工伤事故处理工伤事故未按规定报告,扣3~5分工伤事故未按事故调查分析规定处理,扣10分未建立工伤事故档案,扣4分1010安全标志无现场安全标志布置总平面图,扣5分现场未按安全标志总平面图设置安全标志的,扣5分10小计40检查项目合计100检查人员:年月日文明施工检查评分表序号检查项目扣分标准应得分数扣减分数实得分数1保证项目现场围挡在市区主要路段的工地周围未设置高于2.5m的围挡,扣10分一般路段的工地周围未设置高于1.8m的围挡,扣10分围挡材料不坚固、不稳定、不整洁、不美观,扣5~7分围挡没有沿工地四周连续设置的,扣3~5分102封闭管理施工现场进出口无大门的,扣3分无门卫和无门卫制度的,扣3分进入施工现场不佩戴工作卡的,扣3分门头未设置企业标志的,扣3分10第4页共14页第3页共14页编号:时间:2021年x月x日书山有路勤为径,学海无涯苦作舟页码:第4页共14页3施工现场工地地面未做硬化处理的,扣5分道路不畅通的,扣5分无排水设施、排水不通畅的,扣4分无防止泥浆、污水、废水外流或堵塞下水道的排水河道措施的,扣3分工地的积水的,扣2分工地未设置吸烟处,随意吸烟的,扣2分温暖季节无绿化布置的,扣4分104材料堆放建筑材料、构件、料具不按总平面布局堆放的,扣4分料堆未挂名称、品种、规格等标牌的,扣2分堆放不整齐的,扣3分未做到工完场地清的,扣3分建筑垃圾堆放不整齐、未标出名...

1、当您付费下载文档后,您只拥有了使用权限,并不意味着购买了版权,文档只能用于自身使用,不得用于其他商业用途(如 [转卖]进行直接盈利或[编辑后售卖]进行间接盈利)。
2、本站所有内容均由合作方或网友上传,本站不对文档的完整性、权威性及其观点立场正确性做任何保证或承诺!文档内容仅供研究参考,付费前请自行鉴别。
3、如文档内容存在违规,或者侵犯商业秘密、侵犯著作权等,请点击“违规举报”。

碎片内容

安全检查评分表

您可能关注的文档

确认删除?
VIP
微信客服
  • 扫码咨询
会员Q群
  • 会员专属群点击这里加入QQ群
客服邮箱
回到顶部