电脑桌面
添加小米粒文库到电脑桌面
安装后可以在桌面快捷访问

回路分析(答案)VIP免费

回路分析(答案)_第1页
1/22
回路分析(答案)_第2页
2/22
回路分析(答案)_第3页
3/22
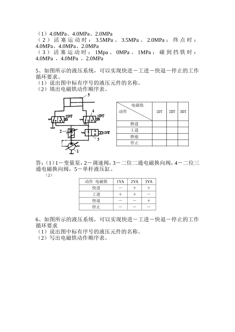
回路分析1、下图所示液压系统是采用蓄能器实现快速运动的回路,试回答下列问题:(1)液控顺序阀3何时开启,何时关闭?(2)单向阀2的作用是什么?(3)分析活塞向右运动时的进油路线和回油路线。答:(1)当蓄能器内的油压达到液控顺序阀3的调定压力时,阀3被打开,使液压泵卸荷。当蓄能器内的油压低于液控顺序阀3的调定压力时,阀3关闭。(2)单向阀2的作用是防止液压泵卸荷时蓄能器内的油液向液压泵倒流。(3)活塞向右运动时:进油路线为:液压泵1→单向阀2→换向阀5左位→油缸无杆腔。蓄能器→换向阀5左位→油缸无杆腔。回油路线为:油缸有杆腔→换向阀5左位→油箱。2、在图示回路中,如pY1=2MPa,pY2=4MPa,卸荷时的各种压力损失均可忽略不计,试列表表示A、B两点处在不同工况下的压力值。(单位:MPa)解:1DT(+)2DT(+)1DT(+)2DT(-)1DT(-)2DT(+)1DT(-)2DT(-)A4040B62403、如图所示的液压回路,试列出电磁铁动作顺序表(通电“+”,失电“-”)。解:1DT2DT3DT快进-++工进++-快退--+停止---4、如图所示的液压系统,两液压缸有效面积为A1=A2=100×10−4m2,缸Ⅰ的负载F1=3.5×104N,缸Ⅱ的的负载F2=1×104N,溢流阀、顺序阀和减压阀的调整压力分别为4.0MPa,3.0MPa和2.0MPa。试分析下列三种情况下A、B、C点的压力值。(1)液压泵启动后,两换向阀处于中位。(2)1YA通电,液压缸Ⅰ活塞移动时及活塞运动到终点时。(3)1YA断电,2YA通电,液压缸Ⅱ活塞移动时及活塞杆碰到死挡铁时。解:p1=F1/A=3.5×104/(100×10-4)=3.5MPap2=F2/A=1×104/(100×10−4)=1MPa(1)4.0MPa、4.0MPa、2.0MPa(2)活塞运动时:3.5MPa、3.5MPa、2.0MPa;终点时:4.0MPa、4.0MPa、2.0MPa(3)活塞运动时:1Mpa、0MPa、1MPa;碰到挡铁时:4.0MPa、4.0MPa、2.0MPa5、如图所示的液压系统,可以实现快进-工进-快退-停止的工作循环要求。(1)说出图中标有序号的液压元件的名称。(2)填出电磁铁动作顺序表。答:(1)1-变量泵,2-调速阀,3-二位二通电磁换向阀,4-二位三通电磁换向阀,5-单杆液压缸。(2)动作电磁铁1YA2YA3YA快进-++工进++-快退--+停止---6、如图所示的液压系统,可以实现快进-工进-快退-停止的工作循环要求(1)说出图中标有序号的液压元件的名称。(2)写出电磁铁动作顺序表。解:(1)1-三位四通电磁换向阀,2-调速阀,3-二位三通电磁换向阀(2)动作电磁铁1YA2YA3YA快进+--工进+-+快退-++停止---7、图示回路中,溢流阀的调整压力为5.0MPa、减压阀的调整压力为2.5MPa。试分析下列三种情况下A、B、C点的压力值。(1)当泵压力等于溢流阀的调定压力时,夹紧缸使工件夹紧后。(2)当泵的压力由于工作缸快进、压力降到1.5MPa时。(3)夹紧缸在夹紧工件前作空载运动时。解:(1)2.5MPa、5MPa、2.5MPa(2)1.5MPa、1.5MPa、2.5MPa(3)0、0、08、图示回路,若阀PY的调定压力为4Mpa,阀PJ的调定压力为2Mpa,回答下列问题:(1)阀PY是()阀,阀PJ是()阀;(2)当液压缸运动时(无负载),A点的压力值为()、B点的压力值为();(3)当液压缸运动至终点碰到档块时,A点的压力值为()、B点的压力值为()。解:(1)溢流阀、减压阀;(2)活塞运动期时PA=0,PB=0;(3)工件夹紧后,负载趋近于无穷大:PA=4MPa,PB=2MPa。9、如图所示系统可实现“快进→工进→快退→停止(卸荷)”的工作循环。(1)指出液压元件1~4的名称。(2)试列出电磁铁动作表(通电“+”,失电“-”)。解:动作1YA2YA3YA4YA快进+-+-工进+---快退-+--停止---+10、如图所示的液压回路,要求先夹紧,后进给。进给缸需实现“快进——工进——快退——停止”这四个工作循环,而后夹紧缸松开。(1)指出标出数字序号的液压元件名称。(2)指出液压元件6的中位机能。(3)列出电磁铁动作顺序表。(通电“+”,失电“-”)答:(1)1-减压阀;2-单向阀;3-二位四通电磁换向阀;4-压力继电器;5-液压缸;6-三位四通电磁换向阀。(2)O型。(3)1DT2DT3DT4DT夹紧----快进-+-+工进-+--快退--++松开+---11、图示系统...

1、当您付费下载文档后,您只拥有了使用权限,并不意味着购买了版权,文档只能用于自身使用,不得用于其他商业用途(如 [转卖]进行直接盈利或[编辑后售卖]进行间接盈利)。
2、本站所有内容均由合作方或网友上传,本站不对文档的完整性、权威性及其观点立场正确性做任何保证或承诺!文档内容仅供研究参考,付费前请自行鉴别。
3、如文档内容存在违规,或者侵犯商业秘密、侵犯著作权等,请点击“违规举报”。

碎片内容

回路分析(答案)

您可能关注的文档

确认删除?
VIP
微信客服
  • 扫码咨询
会员Q群
  • 会员专属群点击这里加入QQ群
客服邮箱
回到顶部