电脑桌面
添加小米粒文库到电脑桌面
安装后可以在桌面快捷访问

09年无线基站验收表格VIP免费

09年无线基站验收表格_第1页
1/11
09年无线基站验收表格_第2页
2/11
09年无线基站验收表格_第3页
3/11
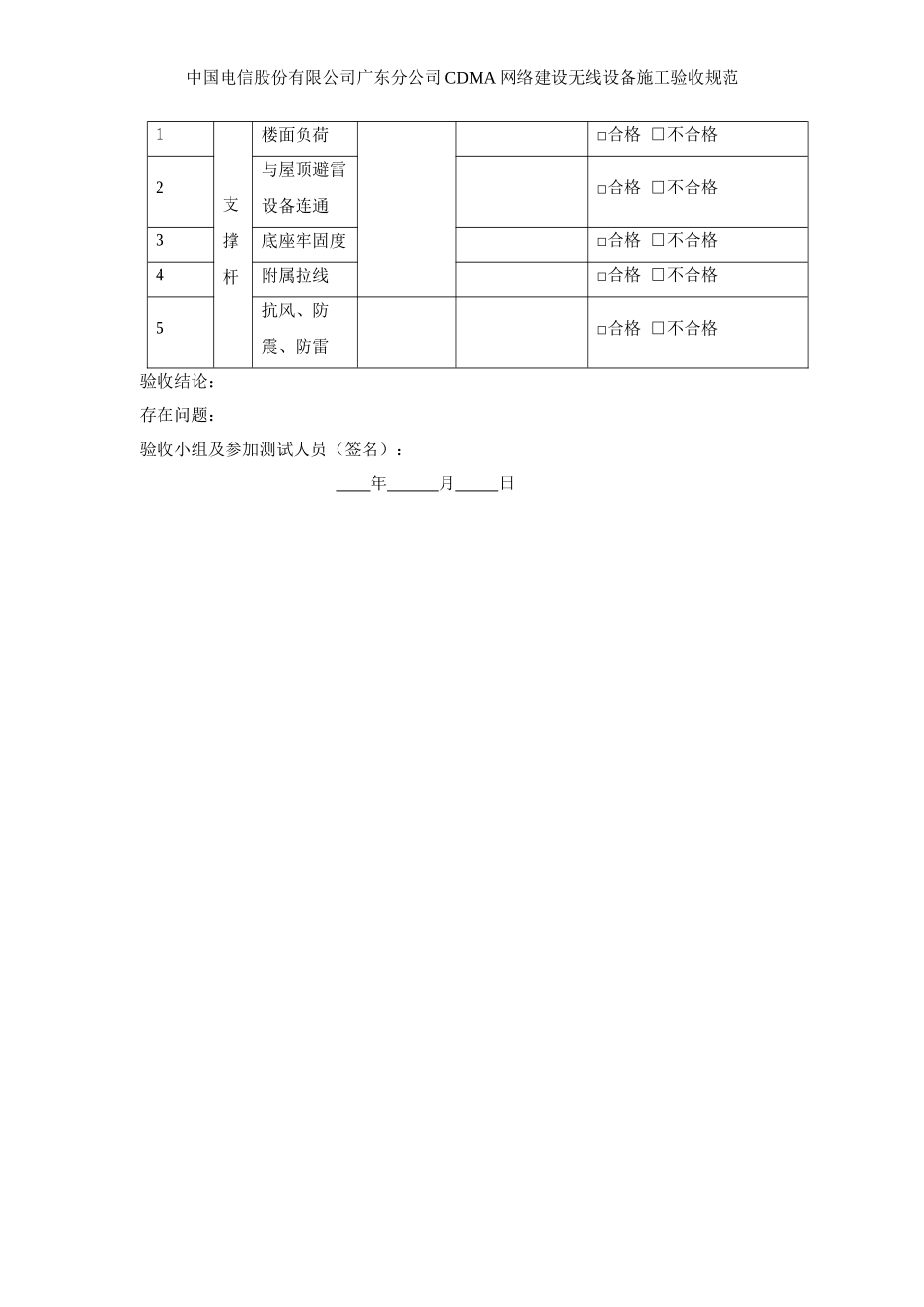
中国电信股份有限公司广东分公司CDMA网络建设无线设备施工验收规范附表2基站铁塔、架或支撑杆安装验收表肇庆分公司基站名:德庆电信仓库基站编号:序号验收项目验收方法数据记录验收结论1铁塔铁塔基础现场检查通过检查旁站监理日志□合格□不合格2铁塔高度□合格□不合格3铁塔位置□合格□不合格4铁塔中心轴倾斜度□合格□不合格5铁塔螺栓□合格□不合格6铁塔防腐□合格□不合格7抗风、防震、防雷□合格□不合格8防空标志□合格□不合格1拉线塔塔高□合格□不合格2安装位置□合格□不合格3拉线地锚埋设□合格□不合格4拉线间的弯曲度□合格□不合格5抗风、防震、防雷□合格□不合格6防空标志□合格□不合格1自立式铁塔铁塔位置□合格□不合格2铁塔高度□合格□不合格3铁塔偏差度□合格□不合格4铁塔垂直度□合格□不合格5抗风、防震、防雷□合格□不合格6防空标志□合格□不合格中国电信股份有限公司广东分公司CDMA网络建设无线设备施工验收规范1支撑杆楼面负荷□合格□不合格2与屋顶避雷设备连通□合格□不合格3底座牢固度□合格□不合格4附属拉线□合格□不合格5抗风、防震、防雷□合格□不合格验收结论:存在问题:验收小组及参加测试人员(签名):年月日中国电信股份有限公司广东分公司CDMA网络建设无线设备施工验收规范附表4基站机房电缆走道(或槽道)安装验收表肇庆分公司基站名:德庆电信仓库基站编号:序号验收项目验收方法数据记录验收结论1机房电缆走道(或槽道)安装位置现场检查□合格□不合格2安装高度□合格□不合格3扭曲和歪斜度□合格□不合格4平直度□合格□不合格5横铁排列□合格□不合格6平行度□合格□不合格7吊挂稳固度□合格□不合格8垂直偏差□合格□不合格9垂直稳固度□合格□不合格10加固角铁安装□合格□不合格11槽道并接处水平偏差□合格□不合格验收结论:存在问题:验收小组及参加测试人员(签名):年月日中国电信股份有限公司广东分公司CDMA网络建设无线设备施工验收规范附表5基站天馈系统安装验收表肇庆分公司基站名:德庆电信仓库基站编号:序号验收项目验收方法数据记录验收结论1天线安装安装位置现场检查□合格□不合格2加固程度□合格□不合格3避雷保护□合格□不合格4防雷接地系统□合格□不合格5天线与天馈支架连接□合格□不合格6天线型号α:β:γ:□合格□不合格7天线方位角α:β:γ:□合格□不合格8天线下倾角α:β:γ:□合格□不合格9天线垂直误差□合格□不合格10天线护套□合格□不合格11天线与机顶跳线连接正确□合格□不合格12与塔体安装距离□合格□不合格13天线主、分集水平隔离度□合格□不合格14天线与其他系统的隔离度□合格□不合格15同一根支架上的两定向天线垂直间距□合格□不合格16电调天线线控装置□合格□不合格17电控天线避雷□合格□不合格中国电信股份有限公司广东分公司CDMA网络建设无线设备施工验收规范18天线美化□合格□不合格19室外馈线走道安装位置□合格□不合格20安装高度□合格□不合格21防氧化□合格□不合格22接地和避雷□合格□不合格23扭曲和歪斜度□合格□不合格24平行度或垂直度□合格□不合格25室外馈线布放馈线规格□合格□不合格26馈线型号□合格□不合格27馈线弯曲度□合格□不合格28接地□合格□不合格29街头处防水密封处理□合格□不合格30馈线标签□合格□不合格31馈线密封窗安装位置□合格□不合格32安装牢靠度□合格□不合格33注胶孔□合格□不合格34放水处理□合格□不合格35不用的进线孔处理□合格□不合格36防雷接地□合格□不合格37塔顶放大器安装位置□合格□不合格38安装牢固度□合格□不合格39接线口朝向□合格□不合格40接地要求□合格□不合格40GPS系统安装角度和误差□合格□不合格40安装稳固度□合格□不合格40遮挡情况□合格□不合格40与GSMTX天线间距□合格□不合格40避雷保护□合格□不合格40安装高度点□合格□不合格中国电信股份有限公司广东分公司CDMA网络建设无线设备施工验收规范40与卫星保持连接数量□合格□不合格40天馈系统避雷要求□合格□不合格40天馈系统馈线损耗□合格□不合格40天馈系统电压驻波比VSWR(主/分集):α:β:γ:□合格□不合格验收...

1、当您付费下载文档后,您只拥有了使用权限,并不意味着购买了版权,文档只能用于自身使用,不得用于其他商业用途(如 [转卖]进行直接盈利或[编辑后售卖]进行间接盈利)。
2、本站所有内容均由合作方或网友上传,本站不对文档的完整性、权威性及其观点立场正确性做任何保证或承诺!文档内容仅供研究参考,付费前请自行鉴别。
3、如文档内容存在违规,或者侵犯商业秘密、侵犯著作权等,请点击“违规举报”。

碎片内容

09年无线基站验收表格

您可能关注的文档

精品中小学文档+ 关注
实名认证
内容提供者

精品资料,值得下载

相关文档

确认删除?
VIP
微信客服
  • 扫码咨询
会员Q群
  • 会员专属群点击这里加入QQ群
客服邮箱
回到顶部