电脑桌面
添加小米粒文库到电脑桌面
安装后可以在桌面快捷访问

保洁卫生验收标准表格VIP免费

保洁卫生验收标准表格_第1页
1/6
保洁卫生验收标准表格_第2页
2/6
保洁卫生验收标准表格_第3页
3/6
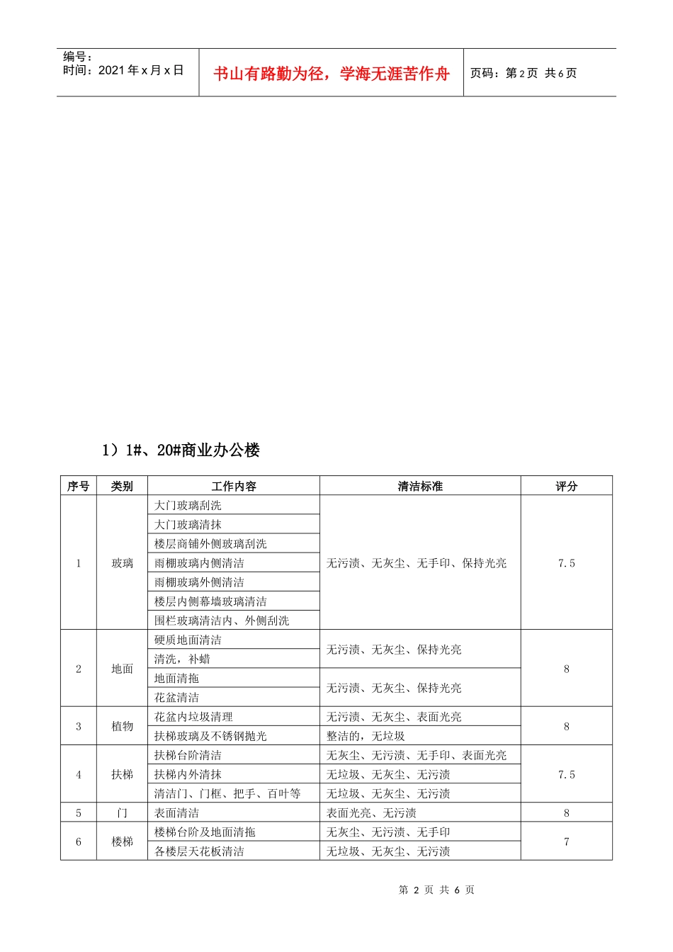
第1页共6页编号:时间:2021年x月x日书山有路勤为径,学海无涯苦作舟页码:第1页共6页1、评分标准a、考核验收共分5大项,分别是1#、20#商业办公楼;地下室及垃圾中转站;客用电梯及服务电梯;公共卫生间;天台和外围;b、每项(按序列号为准)评分最高分10分,最低分0分,其中每项按6分为合格标准,6分以下该项为不合格;c、每大项如有半数以上评分未达标准,该大项为不合格。2、具体评分内容(转下页)第2页共6页第1页共6页编号:时间:2021年x月x日书山有路勤为径,学海无涯苦作舟页码:第2页共6页1)1#、20#商业办公楼序号类别工作内容清洁标准评分1玻璃大门玻璃刮洗无污渍、无灰尘、无手印、保持光亮7.5大门玻璃清抹楼层商铺外侧玻璃刮洗雨棚玻璃内侧清洁雨棚玻璃外侧清洁楼层内侧幕墙玻璃清洁围栏玻璃清洁内、外侧刮洗2地面硬质地面清洁无污渍、无灰尘、保持光亮8清洗,补蜡地面清拖无污渍、无灰尘、保持光亮花盆清洁3植物花盆内垃圾清理无污渍、无灰尘、表面光亮8扶梯玻璃及不锈钢抛光整洁的,无垃圾4扶梯扶梯台阶清洁无灰尘、无污渍、无手印、表面光亮7.5扶梯内外清抹无垃圾、无灰尘、无污渍清洁门、门框、把手、百叶等无垃圾、无灰尘、无污渍5门表面清洁表面光亮、无污渍86楼梯楼梯台阶及地面清拖无灰尘、无污渍、无手印7各楼层天花板清洁无垃圾、无灰尘、无污渍第3页共6页第2页共6页编号:时间:2021年x月x日书山有路勤为径,学海无涯苦作舟页码:第3页共6页7天花板墙面清洁(2米以上)无灰尘、无污渍、无蜘蛛网68墙墙面清洁(2米以下)无灰尘、无污渍、无蜘蛛网7清理垃圾筒内垃圾9垃圾清洁垃圾筒表面不得超过容量的2/37.5清洁、清洗垃圾筒内部无污渍、无灰尘、无垃圾清洁柱子及公共设施无污渍、无灰尘、无垃圾10其他未入驻区域清洁无污渍、无灰尘、无手印6开关清洁无垃圾和灰尘不锈钢面无污渍、无灰尘、无垃圾空调风口、百叶窗、灯具无污渍、灰尘,每月加油保养一次消火栓、警铃、广播等无蛛网、无灰尘指示牌清洁无污渍、无灰尘、无垃圾2)地下室、垃圾中转站区域序号类别工作内容清洁标准评分地下室1地面地面清拖无垃圾、无污渍、无灰尘、整洁,无积水,无油污7.5车位清洁、冲洗无垃圾、无污渍、无灰尘,无积水疏通地沟无淤泥、无垃圾、无堵塞车道清洁干净、整洁,无积水2墙墙面清洁无垃圾、无污渍、无灰尘、无手印73天花板清洁天花板无灰尘、无污渍、无蜘蛛网74其它指示牌清洁无灰尘、无污渍、无手印7.5灯具清洁无灰尘、无污渍、无手印空调风口清洁无灰尘、无污渍、无手印管道、线路、车场设施无蛛网、污渍、悬挂物、垃圾、灰尘消防设备、设施配电箱外观第4页共6页第3页共6页编号:时间:2021年x月x日书山有路勤为径,学海无涯苦作舟页码:第4页共6页垃圾中转站5清洗地面无垃圾、无污渍、无灰尘、整洁7.5清洁地沟无淤泥、无垃圾、无堵塞疏通地沟无淤泥、无垃圾、无堵塞消毒无灰尘和污点、无明显的臭味3)客用电梯及服务电梯区域序号工作内容清洁标准评分客用电梯及服务电梯1空调风口清洁无灰尘、无污渍、无手印9清洁天花板轿厢地面按钮清洁门除尘玻璃外侧清洁、清洗玻璃内侧清洁、除尘2清洁门缝无垃圾、无灰尘8门轨清洁无垃圾灯具无蛛网、灰尘第5页共6页第4页共6页编号:时间:2021年x月x日书山有路勤为径,学海无涯苦作舟页码:第5页共6页4)公共卫生间序号工作内容清洁标准评分1天花板和固定设施的清洁无污点、没有积聚灰尘72空调风口清洁3墙面清洁表面无水印74马桶、小便池清洁消毒无污点、无气味、无水印、表面光亮75洗手盆和镜子的清洁无污点、无水印、表面光亮86清理垃圾,更换垃圾袋不得超过容量的2/387补充厕纸、洗手液及擦手纸等易耗物品不得短缺88地沟清洁无堵塞89标志牌清洁无污点、保持干净810门及门框的清洁无积聚的灰尘、保持干净811清洁合叶、把手及门锁保持表面光亮、无水印7.55)天台和外围区域序号类别工作内容清洁标准评分天台1地面地面清扫无垃圾、无灰尘、无污点、整洁的7地面清洗2玻璃天台玻璃外侧清洁无垃圾、无污点、无灰尘、7.53墙面墙面清抹无灰尘、无污点7地面清洗清洗垃圾箱表面4垃圾清理垃圾并保持地面清洁无垃圾7.5清理垃圾筒内垃圾不得超过...

1、当您付费下载文档后,您只拥有了使用权限,并不意味着购买了版权,文档只能用于自身使用,不得用于其他商业用途(如 [转卖]进行直接盈利或[编辑后售卖]进行间接盈利)。
2、本站所有内容均由合作方或网友上传,本站不对文档的完整性、权威性及其观点立场正确性做任何保证或承诺!文档内容仅供研究参考,付费前请自行鉴别。
3、如文档内容存在违规,或者侵犯商业秘密、侵犯著作权等,请点击“违规举报”。

碎片内容

保洁卫生验收标准表格

确认删除?
VIP
微信客服
  • 扫码咨询
会员Q群
  • 会员专属群点击这里加入QQ群
客服邮箱
回到顶部