电脑桌面
添加小米粒文库到电脑桌面
安装后可以在桌面快捷访问

采购管理现况评估表VIP免费

采购管理现况评估表_第1页
1/4
采购管理现况评估表_第2页
2/4
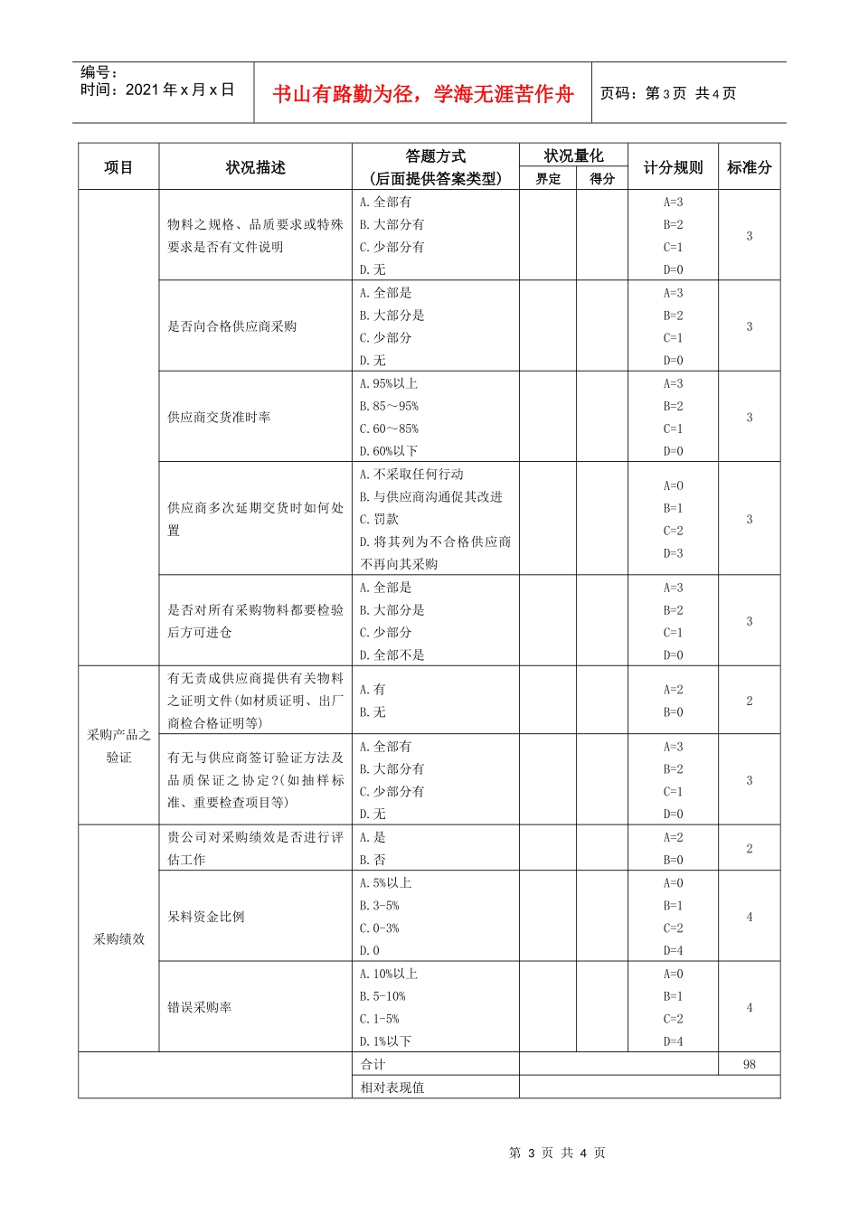
采购管理现况评估表_第3页
3/4
第1页共4页编号:时间:2021年x月x日书山有路勤为径,学海无涯苦作舟页码:第1页共4页采购管理现况评估接受访谈人:年月日项目状况描述答题方式(后面提供答案类型)状况量化计分规则标准分界定得分部门组织有无文件化的组织架构图A.有,且与实际相符B.有,但与实际不相符C.没有A=3B=1C=03采购人员水平文化水平A.大专以上为主B.高中或中专为主C.初中以下为主A=3B=2C=13在相同岗位平均工龄A.1-2年B.3-5年C.9年D.10年以上A=1B=2C=3D=44采购制度有无制定采购程序A.有B.无A=2B=02是否按照采购程序作业A.是B.否A=2B=02采购计划和预算有无定期采购计划A.有B.无A=2B=02有无制定物料清单(BOM)A.有B.无A=2B=02制定采购计划的根据是什么A.以生产计划B.凭经验A=2B=02贵公司采用什么技术计算采购批量A.概率法B.经济批量法C.凭经验A=2B=2C=02采购资讯有无采购资料A.标准件手册(需要否,有无)B.金属材料手册(需要否,有无)C.化工手册(需要否,有无)D.电子元器件手册(需要否,有无)E.电线电缆手册(需要否,有无)F.供应商名册G.外协件验收标准A-E需要,且有的加1分;需要,无的扣1分;其余为0分,F-G有1项加1分7第2页共4页第1页共4页编号:时间:2021年x月x日书山有路勤为径,学海无涯苦作舟页码:第2页共4页项目状况描述答题方式(后面提供答案类型)状况量化计分规则标准分界定得分有无采购统计资料A.价格变化记录B.供应商供货质量记录C.供应商供货数量记录D.供应商供货时间记录E.采购员定购采购记录F.采购合同记录统计G.其他每有一项加1分7电脑化采购作业有无实现电脑化A.有B.没有A=2B=O2有无系统软件A.有MRPII或ERPB.有专用采购软件C.进销存软件D.无A=3B=2C=1D=O3有无使用电子商务采购A.有B.无A=3B=03培训采购人员经过哪些培训A.材料常识(制造质量)B.检验标C.抽验标准D.采购文件及制度E.采购技巧每项加1分5对培训结果是否进行评估A.是B.否A=2B=02供应商管理是否定期评估供应商A.是B.不是A=2B=O2受控的供应商占总供应商的比例A.100%全部B.50%以上大部分C.50%以下D.0A=3B=2C=ID=O3有无合格厂商一览表A.有B.无A=2B=O2对服务性供应商是否一并列入管制A.是B.无A=3B=O3平均同一材料有几个合格供应商A.1个B.2个C.3个以上A=1B=2C=44采购控制对采购物料之议价、签约及订单发出有无完整之作业程序A.有B.无A=3B=03第3页共4页第2页共4页编号:时间:2021年x月x日书山有路勤为径,学海无涯苦作舟页码:第3页共4页项目状况描述答题方式(后面提供答案类型)状况量化计分规则标准分界定得分物料之规格、品质要求或特殊要求是否有文件说明A.全部有B.大部分有C.少部分有D.无A=3B=2C=1D=03是否向合格供应商采购A.全部是B.大部分是C.少部分D.无A=3B=2C=1D=03供应商交货准时率A.95%以上B.85~95%C.60~85%D.60%以下A=3B=2C=1D=03供应商多次延期交货时如何处置A.不采取任何行动B.与供应商沟通促其改进C.罚款D.将其列为不合格供应商不再向其采购A=OB=1C=2D=33是否对所有采购物料都要检验后方可进仓A.全部是B.大部分是C.少部分D.全部不是A=3B=2C=1D=03采购产品之验证有无责成供应商提供有关物料之证明文件(如材质证明、出厂商检合格证明等)A.有B.无A=2B=02有无与供应商签订验证方法及品质保证之协定?(如抽样标准、重要检查项目等)A.全部有B.大部分有C.少部分有D.无A=3B=2C=1D=03采购绩效贵公司对采购绩效是否进行评估工作A.是B.否A=2B=02呆料资金比例A.5%以上B.3-5%C.0-3%D.0A=0B=1C=2D=44错误采购率A.10%以上B.5-10%C.1-5%D.1%以下A=0B=1C=2D=44合计98相对表现值第4页共4页第3页共4页编号:时间:2021年x月x日书山有路勤为径,学海无涯苦作舟页码:第4页共4页

1、当您付费下载文档后,您只拥有了使用权限,并不意味着购买了版权,文档只能用于自身使用,不得用于其他商业用途(如 [转卖]进行直接盈利或[编辑后售卖]进行间接盈利)。
2、本站所有内容均由合作方或网友上传,本站不对文档的完整性、权威性及其观点立场正确性做任何保证或承诺!文档内容仅供研究参考,付费前请自行鉴别。
3、如文档内容存在违规,或者侵犯商业秘密、侵犯著作权等,请点击“违规举报”。

碎片内容

采购管理现况评估表

精品中小学文档+ 关注
实名认证
内容提供者

精品资料,值得下载

确认删除?
VIP
微信客服
  • 扫码咨询
会员Q群
  • 会员专属群点击这里加入QQ群
客服邮箱
回到顶部