电脑桌面
添加小米粒文库到电脑桌面
安装后可以在桌面快捷访问

中心实验室员工月份考评表.VIP免费

中心实验室员工月份考评表._第1页
1/2
中心实验室员工月份考评表._第2页
2/2
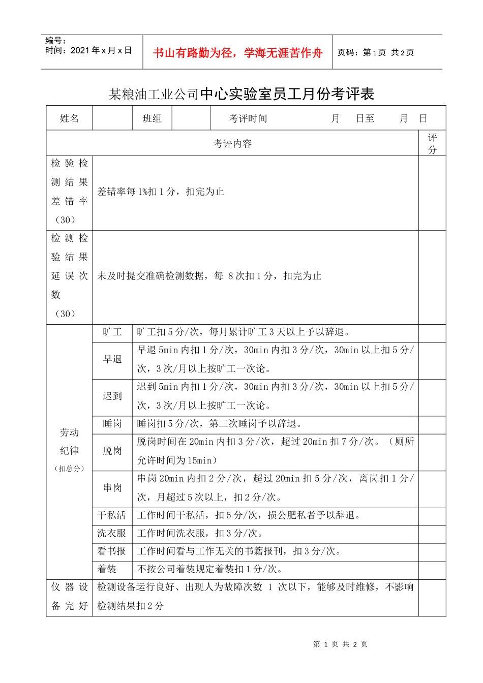
第1页共2页编号:时间:2021年x月x日书山有路勤为径,学海无涯苦作舟页码:第1页共2页某粮油工业公司中心实验室员工月份考评表姓名班组考评时间月日至月日考评内容评分检验检测结果差错率(30)差错率每1%扣1分,扣完为止检测检验结果延误次数(30)未及时提交准确检测数据,每8次扣1分,扣完为止劳动纪律(扣总分)旷工旷工扣5分/次,每月累计旷工3天以上予以辞退。早退早退5min内扣1分/次,30min内扣3分/次,30min以上扣5分/次,3次/月以上按旷工一次论。迟到迟到5min内扣1分/次,30min内扣3分/次,30min以上扣5分/次,3次/月以上按旷工一次论。睡岗睡岗扣5分/次,第二次睡岗予以辞退。脱岗脱岗时间在20min内扣3分/次,超过20min扣7分/次。(厕所允许时间为15min)串岗串岗20min内扣2分/次,超过20min扣5分/次,离岗扣1分/次,月超过5次以上,扣2分/次。干私活工作时间干私活,扣5分/次,损公肥私者予以辞退。洗衣服工作时间洗衣服,扣3分/次。看书报工作时间看与工作无关的书籍报刊,扣3分/次。着装不按公司着装规定着装扣1分/次。仪器设备完好检测设备运行良好、出现人为故障次数1次以下,能够及时维修,不影响检测结果扣2分第2页共2页第1页共2页编号:时间:2021年x月x日书山有路勤为径,学海无涯苦作舟页码:第2页共2页率(15)检测设备出现人为故障2次,已影响检测效率,但不影响结果的准确性扣4分检测设备出现人为故障4次,已影响检测效率及结果的准确性扣6分检测设备出现人为故障4次以上,严重影响检测效率或结果的准确扣10分5S工作现场卫生保持与维护(15)根据部门5S巡查表,月度平均得分×10%工作满意度(10)根据公司制度执行工作态度(扣总分)服从管理性不服从管理,不接受岗位安排,不听调令,扣10分/次,第二次予以辞退。工作积极性工作不积极主动,不按时完成岗位工作内容,查到一次扣5分。工作完整性工作不彻底,时不时留尾巴,查到一次扣3分。工作协作性与其他员工工作不合作,留困难给别人,查到一次扣3分。团体精神不注重团队精神,不维护集体形象,给集体蒙灰者,查到一次扣5分。奖励(加总分)一月内无劳动纪律、安全、卫生扣分者加5分。提出合理化建议或避免重大事故者、受到公司表彰者加10分/次。合计得分:

1、当您付费下载文档后,您只拥有了使用权限,并不意味着购买了版权,文档只能用于自身使用,不得用于其他商业用途(如 [转卖]进行直接盈利或[编辑后售卖]进行间接盈利)。
2、本站所有内容均由合作方或网友上传,本站不对文档的完整性、权威性及其观点立场正确性做任何保证或承诺!文档内容仅供研究参考,付费前请自行鉴别。
3、如文档内容存在违规,或者侵犯商业秘密、侵犯著作权等,请点击“违规举报”。

碎片内容

中心实验室员工月份考评表.

精品中小学资料+ 关注
实名认证
内容提供者

精品文档

确认删除?
VIP
微信客服
  • 扫码咨询
会员Q群
  • 会员专属群点击这里加入QQ群
客服邮箱
回到顶部