电脑桌面
添加小米粒文库到电脑桌面
安装后可以在桌面快捷访问

危险化学品从业单位安全标准化自评报告VIP免费

危险化学品从业单位安全标准化自评报告_第1页
1/24
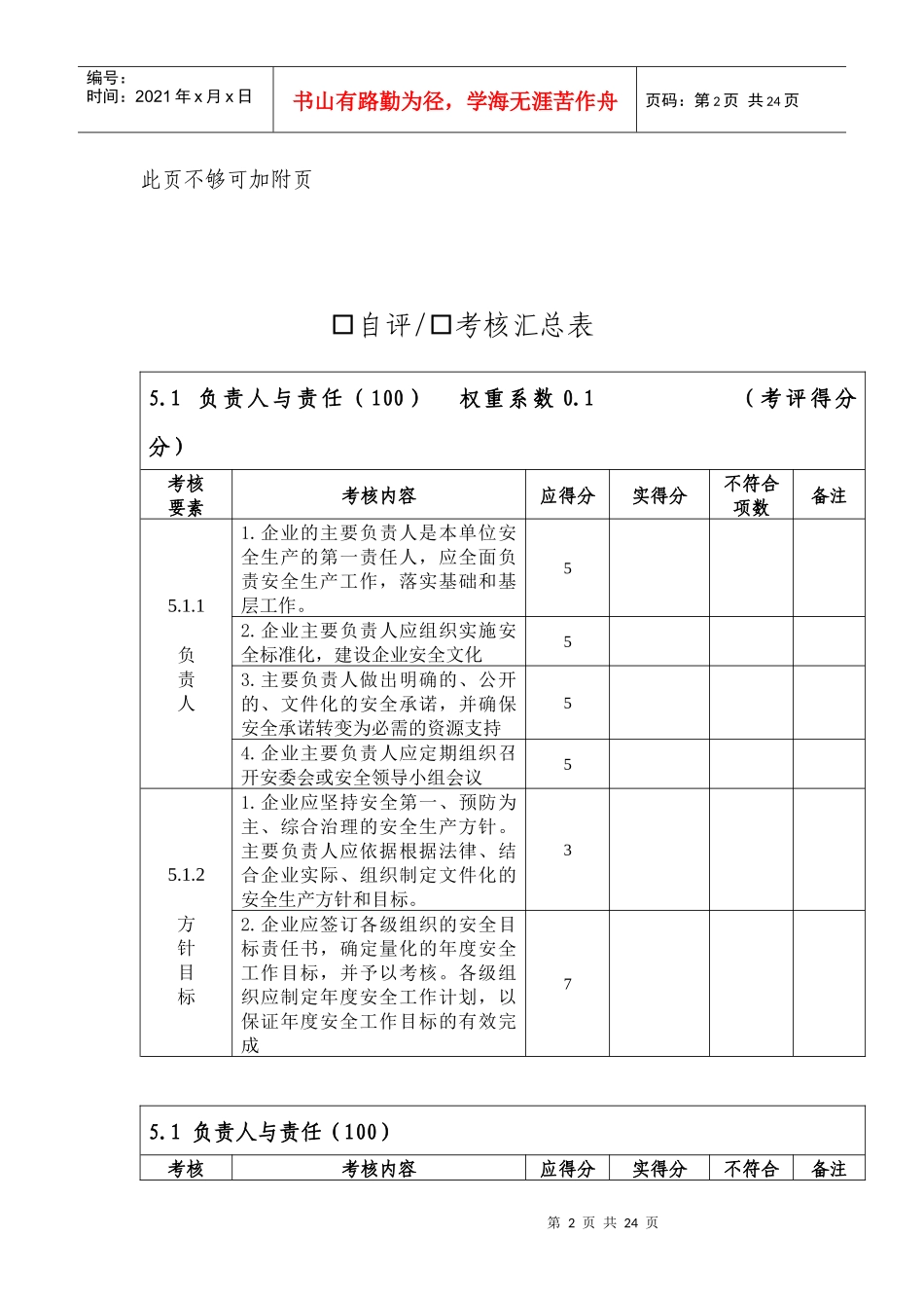
危险化学品从业单位安全标准化自评报告_第2页
2/24
危险化学品从业单位安全标准化自评报告_第3页
3/24
第1页共24页编号:时间:2021年x月x日书山有路勤为径,学海无涯苦作舟页码:第1页共24页危险化学品从业单位安全标准化□自评/□考核报告企业名称:企业地址:电话:传真:邮编:自评/考核组长:成员:自评/考核日期:年月日至年月日自评/考核情况概述:运行情况综合评价:第2页共24页第1页共24页编号:时间:2021年x月x日书山有路勤为径,学海无涯苦作舟页码:第2页共24页此页不够可加附页□自评/□考核汇总表5.1负责人与责任(100)权重系数0.1(考评得分分)考核要素考核内容应得分实得分不符合项数备注5.1.1负责人1.企业的主要负责人是本单位安全生产的第一责任人,应全面负责安全生产工作,落实基础和基层工作。52.企业主要负责人应组织实施安全标准化,建设企业安全文化53.主要负责人做出明确的、公开的、文件化的安全承诺,并确保安全承诺转变为必需的资源支持54.企业主要负责人应定期组织召开安委会或安全领导小组会议55.1.2方针目标1.企业应坚持安全第一、预防为主、综合治理的安全生产方针。主要负责人应依据根据法律、结合企业实际、组织制定文件化的安全生产方针和目标。32.企业应签订各级组织的安全目标责任书,确定量化的年度安全工作目标,并予以考核。各级组织应制定年度安全工作计划,以保证年度安全工作目标的有效完成75.1负责人与责任(100)考核考核内容应得分实得分不符合备注第3页共24页第2页共24页编号:时间:2021年x月x日书山有路勤为径,学海无涯苦作舟页码:第3页共24页要素项数5.1.3机构设置1.应设置安全生产委员会或领导小组;设置安全生产管理部门或配备专职安全生产管理人员、按规定配备注册安全工程师102.根据生产规模大小,设置相应的管理部门53.建立、健全从安委会或安全领导小组到基层班组的安全管理网络55.1.4职责1.应制定安委会或领导小组和管理部门的安全职责102.应制定主要负责人、各级管理人员和从业人员的安全职责103.应建立安全责任考核机制,对各级管理部门、管理人员及从业人员安全职责的履行情况和安全责任制定期考核,予以奖惩105.1.5安全生产投入1.应依据国家、当地政府的有关安全生产费用的提取规定,自行提取安全生产费用,专项用于安全生产52.应按照规定的安全生产费用使用范围,合理使用安全生产费用,建立安全费用台账103.依法参加工伤社会保险,为从业人员缴纳工伤保险费55.2风险管理(100)权重系数0.12(考评得分分)考核要素考核内容应得分实得分不符合项数备注5.2.1范围与评价方法1.应组织制定风险评价管理制度,明确风险评价的目的、范围、准则32.明确风险评价的范围23.选择适宜有效可行的风险评价方法24.制定企业的风险评价准则3第4页共24页第3页共24页编号:时间:2021年x月x日书山有路勤为径,学海无涯苦作舟页码:第4页共24页5.2.2风险评价1.依据风险评价准则、选定合适的评价方法,定期和及时对作业活动和设备设施进行危险、有害因素的识别和风险评价252.企业各级管理人员应参与风险评价工作,鼓励从业人员积极参与风险评价和风险控制55.2.3风险控制1根据风险评价的结果及经营运行情况等,确定不可接受的风险、制定并落实控制措施,将风险尤其是重大风险控制在可接受程度。152.应将风险评价分析的结果及所采取的控制措施对从业人员进行宣传、培训,使其熟悉工作岗位和作业环境中存在的危险有害因素,掌握、落实应采取的控制措施。55.2风险管理(100)考核要素考核内容应得分实得分不符合项数备注5.2.4隐患治理1.应对风险评价出的隐患项目,下达隐患治理通知,限期治理,做到定治理措施、定负责人、定资金来源、定治理期限。并建立隐患治理台帐32.对确定为重大隐患的项目,应建立档案23.对企业无力解决的重大事故隐患,采取了有效的防范措施,并书面向主管部门和当地政府部门报告34.对不具备整改条件的的重大事故隐患,必须采取防范措施,编制整改计划,限期解决或停产25.2.5重大危险1.应按照重大危险源辨识标准辨识并确定重大危险源,建立重大危险源档案42.应按照规定对重大危险源设置安全监控报警系统。3第5页共24页第4页共24页编号:时间:2021年x月x日书山有路勤为径,学海无涯苦作舟页码:第5页共24页源3.应按...

1、当您付费下载文档后,您只拥有了使用权限,并不意味着购买了版权,文档只能用于自身使用,不得用于其他商业用途(如 [转卖]进行直接盈利或[编辑后售卖]进行间接盈利)。
2、本站所有内容均由合作方或网友上传,本站不对文档的完整性、权威性及其观点立场正确性做任何保证或承诺!文档内容仅供研究参考,付费前请自行鉴别。
3、如文档内容存在违规,或者侵犯商业秘密、侵犯著作权等,请点击“违规举报”。

碎片内容

危险化学品从业单位安全标准化自评报告

您可能关注的文档

确认删除?
VIP
微信客服
  • 扫码咨询
会员Q群
  • 会员专属群点击这里加入QQ群
客服邮箱
回到顶部