电脑桌面
添加小米粒文库到电脑桌面
安装后可以在桌面快捷访问

总公司财务及会计处理规范VIP免费

总公司财务及会计处理规范_第1页
1/13
总公司财务及会计处理规范_第2页
2/13
总公司财务及会计处理规范_第3页
3/13
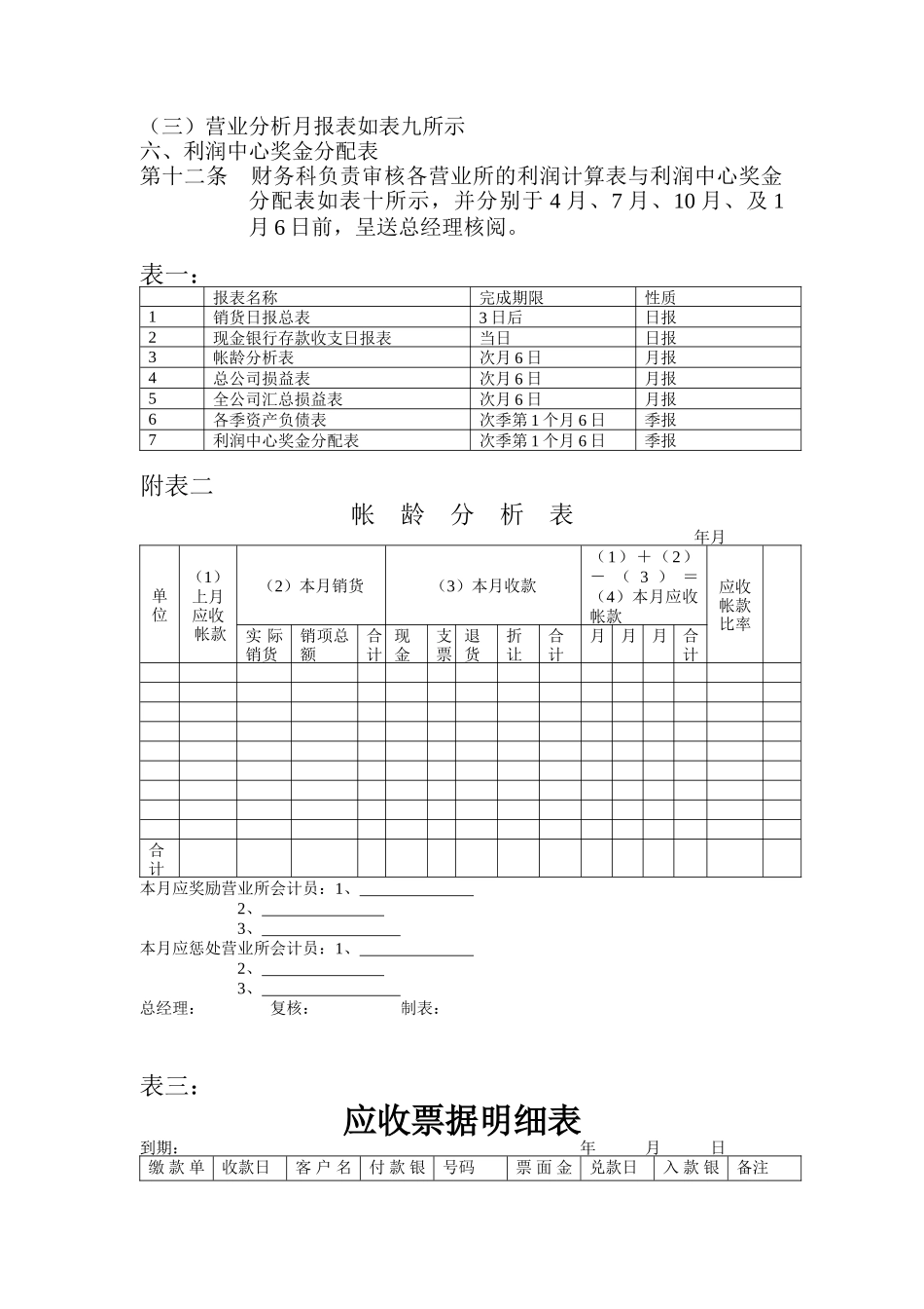
总公司会计总公司财务及会计处理准则一、应收帐款及应收票据第一条总公司财务部需要分别为各分公司设立一应收帐款明细帐,每天就分公司寄来的销货日报表,分别依其每日总金额,登录其应收帐款的增减情况。第二条每月底总公司财务部应编制帐龄分析表如表二所示,并与各分公司会计员寄来的应收帐款明细核对无误后,于次月6日呈送总经理。第三条总公司财务部应将每天收到的票据及现金,于当天下午立即转存银行,或请银行委收。并将应收票据明细分别登录于各该到期日的应收票据明细表如下表表三所示。第四条营业部会计分别于当日下午下班寄销货日报表,总公司财务部于第3日收到后,应即编制销货日报总表如下表表四所示。二、银行存款及现金收支第五条总公司财务部需每天编制现金银行存款收支日报表如表表五所示。呈送总经理核阅。本表的收入栏,应包括托收票据的转入部分。第六条本公司除各分公司的零星支出外,其他各大项支出及采购货款,一律由总公司财务科统一办理付款。每月3日前为请款截止日,15日前财务科需要审核、整理完毕并编妥传票,呈送总经理核阅,每月20日为付款日。三、零用金第七条总公司财务部需指这专人,负责总公司的零用金保管与支付总公司的零用金额,暂定为5万元正。将来视实际状况,再行斟酌调整。第八条有关零用金的保管、支付与补充,概依本公司零用管理办法的规定办理。四、薪资第九条财务科除整理总公司人员薪资外,并于收到各营业所的薪资表,于28日前送呈总经理核准,并于当天将各分公司的薪资,分别转汇各分公司的帐户。第十条财务部负责总公司人员的薪资发放,并应遵守薪资保密的规定。五、损益结算与报表编制第十一条财务部负责总公司及全公司的损益结算与报表编制。次月6日前,财务科需将下列表呈送总经理核阅。(一)总公司损益表如表六表七所示(二)全公司汇总损益表如表八所示(三)营业分析月报表如表九所示六、利润中心奖金分配表第十二条财务科负责审核各营业所的利润计算表与利润中心奖金分配表如表十所示,并分别于4月、7月、10月、及1月6日前,呈送总经理核阅。表一:报表名称完成期限性质1销货日报总表3日后日报2现金银行存款收支日报表当日日报3帐龄分析表次月6日月报4总公司损益表次月6日月报5全公司汇总损益表次月6日月报6各季资产负债表次季第1个月6日季报7利润中心奖金分配表次季第1个月6日季报附表二帐龄分析表年月单位(1)上月应收帐款(2)本月销货(3)本月收款(1)+(2)-(3)=(4)本月应收帐款应收帐款比率实际销货销项总额合计现金支票退货折让合计月月月合计合计本月应奖励营业所会计员:1、2、3、本月应惩处营业所会计员:1、2、3、总经理:复核:制表:表三:应收票据明细表到期:年月日缴款单收款日客户名付款银号码票面金兑款日入款银备注编号称行帐号额行月日月日合计昨日结存本日收入(缴款单)本日到期本日结存主管:制表:表四:销货日报表年月日单位(1)昨日结存(2)本日销货(3)本日收款(1)+(2)-(3)本日结存实际销货销项总额合计票据现金退货折让合计合计本日销货栏及本日收款栏:上半栏填写当日销货金额,下半栏填写当月累计金额。核准:复核:制表:表五:现金银行存款收支日报表年月日收入支出传票摘要银行存款现金传票摘要银行存款现金合计合计现金银行存款结存表银行别昨日结存收入支出本日结存备注主管:制表:未来7日现金预测表本日///////本日银行存款将到期应付票据将入帐应收票据推算银行存款表六月份进货及转拨明细表型号品名单位进货营业所营业所营业所转拔数量单价金额数量转拨价金额转拨毛利数量转拨价金额转拨毛利数量转拨价金额转拨毛利总毛利表七损益表年月会计科目本月本年累计说明金额金额销货总额%%1、工厂2、国内厂商3、国外厂商销货退回销货折让销货净额销货毛利营业费用1、运费2、邮电费3、水电费4、出差费5、交通费6、交际费7、修缮费8、文具印刷9、杂费10、书报杂志11、薪津杂志12、职工福利13、租金支出14、佣金支出15、呆帐损失16、保险费17、广告费18、折旧营业净利财务科:制表:表八:全公司损益汇总表年月会计科目第一营业所第二营业所第三营业所第四营...

1、当您付费下载文档后,您只拥有了使用权限,并不意味着购买了版权,文档只能用于自身使用,不得用于其他商业用途(如 [转卖]进行直接盈利或[编辑后售卖]进行间接盈利)。
2、本站所有内容均由合作方或网友上传,本站不对文档的完整性、权威性及其观点立场正确性做任何保证或承诺!文档内容仅供研究参考,付费前请自行鉴别。
3、如文档内容存在违规,或者侵犯商业秘密、侵犯著作权等,请点击“违规举报”。

碎片内容

总公司财务及会计处理规范

精品中小学资料+ 关注
实名认证
内容提供者

精品文档

确认删除?
VIP
微信客服
  • 扫码咨询
会员Q群
  • 会员专属群点击这里加入QQ群
客服邮箱
回到顶部