电脑桌面
添加小米粒文库到电脑桌面
安装后可以在桌面快捷访问

工程中期支付报表VIP免费

工程中期支付报表_第1页
1/17
工程中期支付报表_第2页
2/17
工程中期支付报表_第3页
3/17
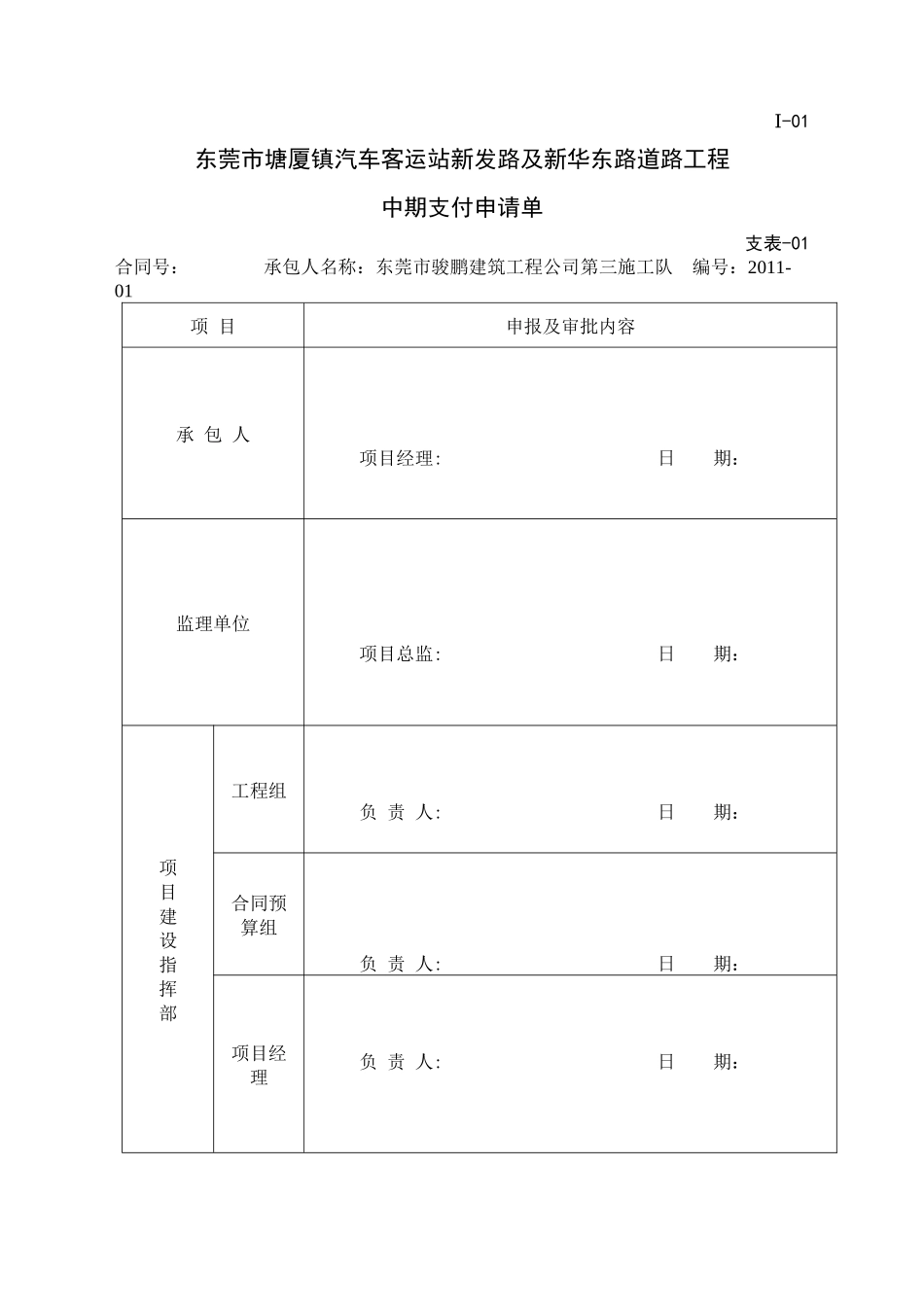
第九部分中期支付报表中期支付报表目录支表01中期支付申请单I—01支表02工程进度表I—02支表03中期支付证书I—03支表04清单支付表I—04支表05变更一览表I—05支表06扣预付款、劳动竞赛基金、保留金一览表I—06支表07中间计量支付汇总表I—07支表08中间计量表I—08支表09承包人动员预付款支付证书I—09支表10监理单位动员预付款支付证书I—10支表11设计变更审批表I—11I-01东莞市塘厦镇汽车客运站新发路及新华东路道路工程中期支付申请单支表-01合同号:承包人名称:东莞市骏鹏建筑工程公司第三施工队编号:2011-01项目申报及审批内容承包人项目经理:日期:监理单位项目总监:日期:项目建设指挥部工程组负责人:日期:合同预算组负责人:日期:项目经理负责人:日期:I-02东莞市塘厦镇汽车客运站新发路及新华东路道路工程工程进度表支表-02合同号:承包单位:东莞市骏鹏建筑工程公司第三施工队开工令日期:合同总价:截止日期:项目管理单位:合同期限:暂定金额:项目规模:由K0+000至K0+732.792,全长0.733Km监理单位:合同完成日期:清单金额:工程延期:工程变更:修改合同完成日期:估计最终金额:清单号名称合同金额(元)单项占合同价%单项完成%占合同价%工程进度(%)101112123456789101112123456789101112100章总则工程100%200章路基工程80%300章路面工程400章桥梁、涵洞60%500章隧道工程600章安全设施40%700章绿化工程总计101112123456789101112123456789101112监理工程师收到日期实际进度月计%累计%计划进度月计%累计%承包人:计量专业监理工程师:I-03东线高速公路海棠湾出口路工程中期支付证书支表-03编号:项目规模:由K至K全长Km合同号:承包单位:截止日期:监理单位:清单号项目内容合同价及变更金额到本期末完成金额(元)到上期末完成金额(元)本期完成金额(元)原有总金额(元)变更总金额(+或-)(元)变更后总金额(元)100章总则工程200章路基工程300章路面工程400章桥梁、涵洞工程500章隧道工程600章安全设施及预埋管道700章绿化及环境保护工程暂定金额小计其他付款:合计扣回动员预付款扣劳动竞赛基金扣保留金其他扣款支付承包人:计量监理工程师:总监工程师:I-04东线高速公路海棠湾出口路工程支表-04清单支付表编号:项目规模:由K至K全长Km合同号:承包单位:截止日期:监理单位:项目编号项目内容单位合同数量到本期末完成到上期末完成本期完成原合同数量单价变更后数量数量金额(元)数量金额(元)数量金额(元)小计承包人:计量监理工程师:I-05东线高速公路海棠湾出口路工程变更一览表支表-05编号:项目规模:由K至K全长Km合同号:承包单位:截止日期:监理单位:项目编号清单号变更项目单位单价(元)工程变更(+-)工程量增减金额(元)(+-)批准文号本期到本期末到本期末完成(+-)到上期末完成(+-)本期完成数量金额数量金额数量金额数量金额数量金额小计承包人:计量监理工程师:I-06东线高速公路海棠湾出口路工程扣预付款、劳动竞赛基金、保留金一览表支表-06编号:项目规模:由K至K全长Km合同号:承包单位:截止日期:监理单位:序号扣款项目金额备注一扣预付款1合同总价(人民币元)2已付动员预付款:(1)×15%3起扣时间:期中支付累计≥(1)×30%第月4到上月末累计扣除动员预付款(人民币元)5本期支付基数6本期扣除动员预付款(人民币元):(5)×25%7到本月累计扣除动员预付款:(4)+(6)二扣劳动竞赛基金8到上月末累计提取劳动竞赛基金(人民币元)9本期提取劳动竞赛基金(人民币元):(5)×5‰10到本月累计提取劳动竞赛基金(人民币元):(8)+(9)三扣保留金11到上月末累计提取保留金(人民币元)12本期提取保留金(人民币元):(5)×8%13到本月累计提取保留金(人民币元):(11)+(12)四三项扣款合计14本期三项扣款合计:(6)+(9)+(12)15累计三项扣款合计:(7)+(10)+(13)承包人:计量监理工程师:第9页共17页编号:时间:2021年x月x日书山有路勤为径,学海无涯苦作舟页码:第9页共17页I-07东线高速公路海棠湾出口路工程中间计量支付汇总表支表-07编号:项目规模:由K至K全长Km合同号:承包单位:截止日...

1、当您付费下载文档后,您只拥有了使用权限,并不意味着购买了版权,文档只能用于自身使用,不得用于其他商业用途(如 [转卖]进行直接盈利或[编辑后售卖]进行间接盈利)。
2、本站所有内容均由合作方或网友上传,本站不对文档的完整性、权威性及其观点立场正确性做任何保证或承诺!文档内容仅供研究参考,付费前请自行鉴别。
3、如文档内容存在违规,或者侵犯商业秘密、侵犯著作权等,请点击“违规举报”。

碎片内容

工程中期支付报表

您可能关注的文档

确认删除?
VIP
微信客服
  • 扫码咨询
会员Q群
  • 会员专属群点击这里加入QQ群
客服邮箱
回到顶部