电脑桌面
添加小米粒文库到电脑桌面
安装后可以在桌面快捷访问

基础防雷接地--隐蔽工程验收记录--1#-6#楼高层VIP免费

基础防雷接地--隐蔽工程验收记录--1#-6#楼高层_第1页
1/24
基础防雷接地--隐蔽工程验收记录--1#-6#楼高层_第2页
2/24
基础防雷接地--隐蔽工程验收记录--1#-6#楼高层_第3页
3/24
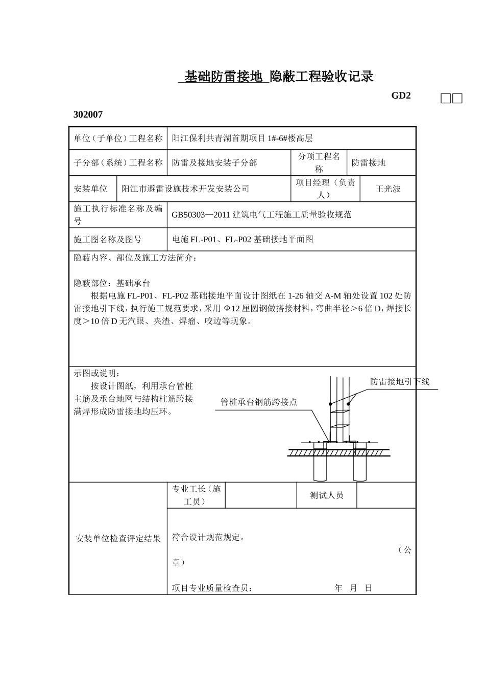
基础防雷接地隐蔽工程验收记录GD2302007单位(子单位)工程名称阳江保利共青湖首期项目1#-6#楼高层子分部(系统)工程名称防雷及接地安装子分部分项工程名称防雷接地安装单位阳江市避雷设施技术开发安装公司项目经理(负责人)王光波施工执行标准名称及编号GB50303—2011建筑电气工程施工质量验收规范施工图名称及图号电施FL-P01、FL-P02基础接地平面图隐蔽内容、部位及施工方法简介:隐蔽部位:基础承台根据电施FL-P01、FL-P02基础接地平面设计图纸在1-26轴交A-M轴处设置102处防雷接地引下线,执行施工规范要求,釆用Ф12厘圆钢做搭接材料,弯曲半径>6倍D,焊接长度>10倍D无汽眼、夹渣、焊瘤、咬边等现象。示图或说明:按设计图纸,利用承台管桩主筋及承台地网与结构柱筋跨接满焊形成防雷接地均压环。安装单位检查评定结果专业工长(施工员)测试人员符合设计规范规定。(公章)项目专业质量检查员:年月日管桩承台钢筋跨接点防雷接地引下线监理(建设)单位验收结论同意验收(公章)专业监理工程师(建设单位项目专业技术负责人):年月日基础防雷接地隐蔽工程验收记录GD2302007单位(子单位)工程名称阳江保利共青湖首期项目1#-6#楼高层子分部(系统)工程名称防雷接地及安装子分部分项工程名称防雷接地安装单位阳江市避雷设施技术开发安装公司项目经理(负责人)王光波施工执行标准名称及编号GB50303—2011建筑电气工程施工质量验收规范施工图名称及图号电施FL-P01、FL-P02基础接地平面图隐蔽内容、部位及施工方法简介:隐蔽部位:基础梁根据电施FL-P01、FL-P02基础接地平面设计图纸在1-26轴交A-M轴处设置102处防雷接地引下线,执行施工规范要求,釆用Ф12厘圆钢做搭接材料,弯曲半径>6倍D,焊接长度>10倍D无汽眼、夹渣、焊瘤、咬边等现象。示图或说明:按设计图纸,利用承台管桩主筋及承台地网与结构柱筋跨接满焊形成防雷接地均压环。防雷接地引下线跨接点承台砼面均压环跨接点地梁主筋结构柱主筋安装单位检查评定结果专业工长(施工员)测试人员符合设计规范规定。(公章)项目专业质量检查员:年月日监理(建设)单位验收结论同意验收(公章)专业监理工程师(建设单位项目专业技术负责人):年月日防雷接地隐蔽工程验收记录GD2302007单位(子单位)工程名称阳江保利共青湖首期项目1#楼高层子分部(系统)工程名称防雷接地及安装子分部分项工程名称防雷接地安装单位阳江市避雷设施技术开发安装公司项目经理(负责人)王光波施工执行标准名称及编号GB50303—2011建筑电气工程施工质量验收规范施工图名称及图号电施37、防雷接地平面图隐蔽内容、部位及施工方法简介:隐蔽部位:首层柱根据电施37防雷接地平面设计图纸在1-5轴交A-E轴设置9处防雷接地引下线,执行施工规范要求,釆用Ф12厘圆钢做搭接材料,弯曲半径>6倍D,焊接长度>10倍D无汽眼、夹渣、焊瘤、咬边等现象。示图或说明:利用结构对角主筋做为防雷引下线,其电渣压力焊部位采用φ12mm圆钢做为跨接材料双面满焊,焊接长度>10倍D。安装单位检查评定结果专业工长(施工员)测试人员符合设计规范规定。(公章)项目专业质量检查员:年月日监理(建设)单位验收结论同意验收(公章)专业监理工程师(建设单位项目专业技术负责人):年月日基础防雷接地隐蔽工程验收记录GD2302007单位(子单位)工程名称阳江保利共青湖首期项目1#楼高层子分部(系统)工程名称研发楼首层柱分项工程名称防雷引下线安装单位广东省建筑工程集团有限公司项目经理(负责人)游宏伟施工执行标准名称及编号GB50303—2011建筑电气工程施工质量验收规范施工图名称及图号电施02研发楼防雷接地平面图首层地面防雷引下线跨接点隐蔽内容、部位及施工方法简介:根据电施02研发楼防雷接地平面设计图纸在1-1~1-17/1-E、1-B~1-E/1-1、1-5~1-14/1-A、1-B~1-E/1-17轴处设置23处防雷接地引下线,执行施工规范要求,釆用Ф12厘圆钢做搭接材料,弯曲半径>6倍D,焊接长度>10倍D无汽眼、夹渣、焊瘤、咬边等现象。示图或说明:利用结构对角主筋做为防雷引下线,其电渣压力焊部位采用φ12mm圆钢做为跨接材料双面满焊,焊接长度>10倍D。安装单位检查评定结果...

1、当您付费下载文档后,您只拥有了使用权限,并不意味着购买了版权,文档只能用于自身使用,不得用于其他商业用途(如 [转卖]进行直接盈利或[编辑后售卖]进行间接盈利)。
2、本站所有内容均由合作方或网友上传,本站不对文档的完整性、权威性及其观点立场正确性做任何保证或承诺!文档内容仅供研究参考,付费前请自行鉴别。
3、如文档内容存在违规,或者侵犯商业秘密、侵犯著作权等,请点击“违规举报”。

碎片内容

基础防雷接地--隐蔽工程验收记录--1#-6#楼高层

您可能关注的文档

确认删除?
VIP
微信客服
  • 扫码咨询
会员Q群
  • 会员专属群点击这里加入QQ群
客服邮箱
回到顶部