电脑桌面
添加小米粒文库到电脑桌面
安装后可以在桌面快捷访问

数控车床编程入门VIP免费

数控车床编程入门_第1页
1/11
数控车床编程入门_第2页
2/11
数控车床编程入门_第3页
3/11
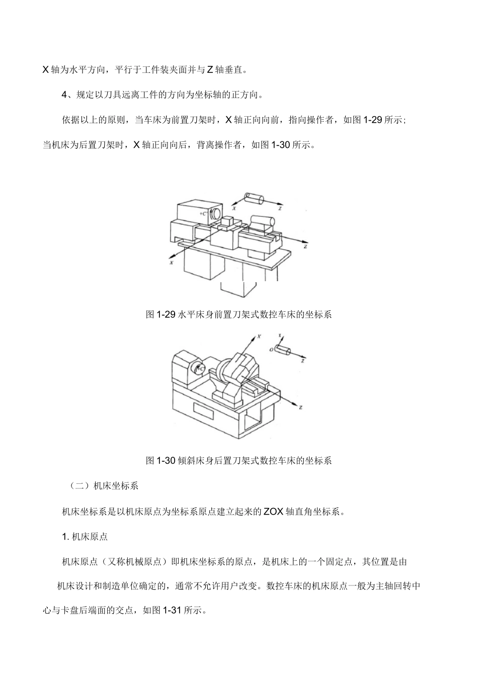
模块二数控车床编程入门知识数控车床的程序编制必须严格遵守相关的标准,数控编程是一项很严格的工作,首先必须掌握一些基础知识,才能学好编程的方法并编出正确的程序。学习目标►知识目标:•掌握数控车床坐标系的定义。•掌握数控加工程序的格式与组成。•熟悉数控车床编程常用符号及指令代码。一、数控车床的坐标系与运动方向的规定(一)建立坐标系的基本原则1•永远假定工件静止,刀具相对于工件移动。2•坐标系采用右手直角笛卡尔坐标系。如图1-28所示大拇指的方向为X轴的正方向,食指指向为Y轴的正方向,中指指向为Z轴的正方向。在确定了X、Y、Z坐标的基础上,根据右手螺旋法则,可以很方便地确定出A、B、C三个旋转坐标的方向。图1-28右手笛卡尔直角坐标系3、规定Z坐标的运动由传递切削动力的主轴决定,与主轴轴线平行的坐标轴即为Z轴,X轴为水平方向,平行于工件装夹面并与Z轴垂直。4、规定以刀具远离工件的方向为坐标轴的正方向。依据以上的原则,当车床为前置刀架时,X轴正向向前,指向操作者,如图1-29所示;当机床为后置刀架时,X轴正向向后,背离操作者,如图1-30所示。图1-29水平床身前置刀架式数控车床的坐标系图1-30倾斜床身后置刀架式数控车床的坐标系(二)机床坐标系机床坐标系是以机床原点为坐标系原点建立起来的ZOX轴直角坐标系。1.机床原点机床原点(又称机械原点)即机床坐标系的原点,是机床上的一个固定点,其位置是由机床设计和制造单位确定的,通常不允许用户改变。数控车床的机床原点一般为主轴回转中心与卡盘后端面的交点,如图1-31所示。皋号点=1-£O图1-31机床原点2•机床参考点机床参考点也是机床上的一个固定点,它是用机械挡块或电气装置来限制刀架移动的极限位置。作用主要是用来给机床坐标系一个定位。因为如果每次开机后无论刀架停留在哪个位置,系统都把当前位置设定成(0,0),这就会造成基准的不统一。数控车床在开机后首先要进行回参考点(也称回零点)操作。机床在通电之后,返回参考点之前,不论刀架处于什么位置,此时CRT上显示的Z与X的坐标值均为0。只有完成了返回参考点操作后,刀架运动到机床参考点,此时CRT上显示出刀架基准点在机床坐标系中的坐标值,即建立了机床坐标系。(三)工件坐标系数控车床加工时,工件可以通过卡盘夹持于机床坐标系下的任意位置。这样一来在机床坐标系下编程就很不方便。所以编程人员在编写零件加工程序时通常要选择一个工件坐标系,也称编程坐标系,程序中的坐标值均以工件坐标系为依据。工件坐标系的原点可由编程人员根据具体情况确定,一般设在图样的设计基准或工艺基准处。根据数控车床的特点,工件坐标系原点通常设在工件左、右端面的中心或卡盘前端面的中心。、|注意机床坐标系与工件坐标系的区别,注意机床原点、机床参考点和工件坐标系原点的区别。二数控车床加工程序结构与格式一)程序段结构一个完整的程序,一般由程序名、程序内容和程序结束三部分组成。1.程序名FANUC系统程序名是Oxxxx°xxxx是四位正整数,可以从0000-9999。如02255。程序名一般要求单列一段且不需要段号。2.程序主体。程序主体是由若干个程序段组成的,表示数控机床要完成的全部动作。每个程序段由一个或多个指令构成,每个程序段一般占一行,用“;”作为每个程序段的结束代码。3.程序结束指令。程序结束指令可用M02或M30。一般要求单列一段。(二)程序段格式现在最常用的是可变程序段格式。每个程序段由若干个地址字构成,而地址字又由表示地址字的英文字母、特殊文字和数字构成,见表1-2。表1-2可变程序段格式12345678910NGXYZIJKFSTMUVWR程准坐标尺寸字进主刀辅序备给轴具助段功功功功功号能能能能能例如:N50G01X30.0Z40.0F100说明:1、Nxx为程序段号,由地址符N和后面的若干位数字表示。在大部分系统中,程序段号仅作为“跳转”或“程序检索”的目标位置指示。因此,它的大小及次序可以颠倒,也可以省略。程序段在存储器内以输入的先后顺序排列,而程序的执行是严格按信息在存储器内的先后顺序逐段执行,也就是说,执行的先后次序与程序段号无关。但是,当程序段号省略时,该程序段将不能作为“跳转”或“程序检索...

1、当您付费下载文档后,您只拥有了使用权限,并不意味着购买了版权,文档只能用于自身使用,不得用于其他商业用途(如 [转卖]进行直接盈利或[编辑后售卖]进行间接盈利)。
2、本站所有内容均由合作方或网友上传,本站不对文档的完整性、权威性及其观点立场正确性做任何保证或承诺!文档内容仅供研究参考,付费前请自行鉴别。
3、如文档内容存在违规,或者侵犯商业秘密、侵犯著作权等,请点击“违规举报”。

碎片内容

数控车床编程入门

您可能关注的文档

确认删除?
VIP
微信客服
  • 扫码咨询
会员Q群
  • 会员专属群点击这里加入QQ群
客服邮箱
回到顶部