电脑桌面
添加小米粒文库到电脑桌面
安装后可以在桌面快捷访问

钻孔灌注桩技术交底书fffVIP免费

钻孔灌注桩技术交底书fff_第1页
1/8
钻孔灌注桩技术交底书fff_第2页
2/8
钻孔灌注桩技术交底书fff_第3页
3/8
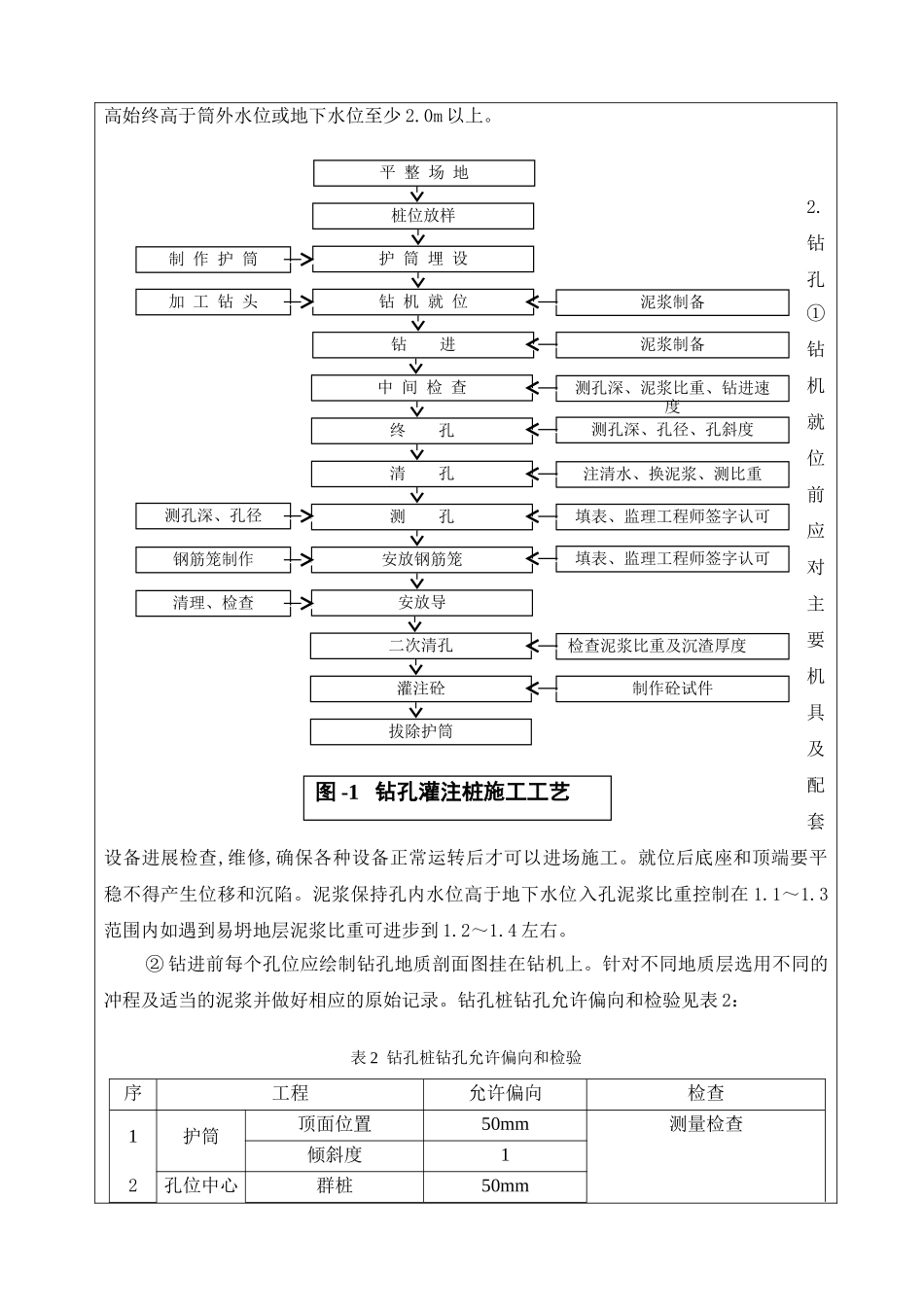
中铁十二集团工程技术交底书编:主送钻孔作业队日2005.11.10工程名称钻孔灌注桩技术交底书根据图温福施图〔桥〕-25钻孔灌注桩技术交底书一.工安排根据对务山特大桥整体施工进度规划我部拟上场30台冲击钻机和5台反循环冲击钻机每台钻机消费效率按12天/每根〔钻孔灌注桩分项作业进度指标见表1〕每月按28个作业天计总工需要10个月。开工日2005年11月1日至2006年9月30日完成。二、地质情况地质情况分为两类:其中0#~98#墩根底持力层为含卵石圆砾;99#~110#墩根底持力层嵌入岩层深度不小于2米。三.施工方案钻孔桩采用冲击式和反循环冲击式钻机成孔主要施工工序有:平整场地、桩位放样、护筒埋设制备泥浆、钻孔、清孔、钢筋笼制作及就位、水下砼浇注等。钻孔灌注桩施工工艺流程见框图-11.施工准备①孔场地:在旱地上场地采用人工去除杂物人工配合机械整平钻机平台;在浅水中宜用筑岛法施工筑岛面积要能保证钻机正常作业和灌注砼需要。②桩位放样:测定桩位和地面标高并在桩的前后左右距中心2m处分别设置护桩以供随时检测桩中心和标高。表1钻孔灌注桩分项作业进度指标分项工程钻机定位钻进第一次清孔吊放钢筋笼安装导第二次清孔灌注水下砼合计单桩作业时间2h268h4h4h2h2h6h288h钻机的综合成桩才能按12天/1根〔桩长50m〕计算。③护筒埋设:护筒用10mm厚钢板制成筒径比桩径大200~400mm左右。采用人工挖土埋设其四周夯填粘土护筒顶宜高出施工水位或地下水位2.0m以上高度满足孔内泥浆面高度的要求。护筒安放好后用吊锤球法对其倾斜度进展检查要求不大于1。④钻孔泥浆:在开钻前选择和备足良好的粘土〔优先采用膨润土〕供造浆使用为了进步泥浆的粘度和胶体率可通过试验在泥浆中投入适量的添加剂并保证护筒内泥浆顶标高始终高于筒外水位或地下水位至少2.0m以上。2.钻孔①钻机就位前应对主要机具及配套设备进展检查,维修,确保各种设备正常运转后才可以进场施工。就位后底座和顶端要平稳不得产生位移和沉陷。泥浆保持孔内水位高于地下水位入孔泥浆比重控制在1.1~1.3范围内如遇到易坍地层泥浆比重可进步到1.2~1.4左右。②钻进前每个孔位应绘制钻孔地质剖面图挂在钻机上。针对不同地质层选用不同的冲程及适当的泥浆并做好相应的原始记录。钻孔桩钻孔允许偏向和检验见表2:表2钻孔桩钻孔允许偏向和检验序工程允许偏向检查1护筒顶面位置50mm测量检查倾斜度12孔位中心群桩50mm平整场地平整场地桩位放样桩位放样护筒埋设护筒埋设钻机就位钻机就位钻进钻进中间检查中间检查终孔终孔清孔清孔测孔测孔安放钢筋笼安放钢筋笼安放导安放导二次清孔二次清孔灌注砼灌注砼拔除护筒拔除护筒制作护筒制作护筒加工钻头加工钻头测孔深、孔径测孔深、孔径钢筋笼制作钢筋笼制作清理、检查清理、检查泥浆制备泥浆制备泥浆制备泥浆制备测孔深、泥浆比重、钻进速度测孔深、泥浆比重、钻进速度测孔深、孔径、孔斜度测孔深、孔径、孔斜度注清水、换泥浆、测比重注清水、换泥浆、测比重填表、监理工程师签字认可填表、监理工程师签字认可填表、监理工程师签字认可填表、监理工程师签字认可检查泥浆比重及沉渣厚度检查泥浆比重及沉渣厚度制作砼试件制作砼试件图-1钻孔灌注桩施工工艺图-1钻孔灌注桩施工工艺3倾斜度1③开场钻进时进尺需适当控制使初成孔竖直、圆顺防止孔位偏心、孔口坍塌。钻进深度超过钻头全高加冲程后方可进展正常冲程。④钻进过程中随时注意地层变化在地层变化处捞取渣样判断地质类别记入记录表中并与设计院提供的地质剖面图相对照遇到不一致时及时监理工程师处理。⑤钻孔作业分班进展、连续施工不得中断。因特殊情况必须停钻时孔口应加盖保护并将钻头提到离孔底5m左右处以防埋钻。⑥经常检查泥浆的主要指标。⑦钻孔一次完成遇有事故立即处理。在终孔24小时以前及时监理工程师当钻孔深度到达设计要求时应对孔深、孔位等进展检查确认满足设计要求后立即填写终孔检查证并经现场监理工程师认可方可进展孔底清理和灌注水下砼的准备工作。⑧用冲击法钻孔为防止冲击振动使邻孔孔壁坍塌或影响邻孔已浇筑砼的凝固应待邻孔砼浇筑完毕并到达2.5Mpa抗压强度前方可开钻。3.成孔检查①孔径和孔形检测用φ25钢筋制作...

1、当您付费下载文档后,您只拥有了使用权限,并不意味着购买了版权,文档只能用于自身使用,不得用于其他商业用途(如 [转卖]进行直接盈利或[编辑后售卖]进行间接盈利)。
2、本站所有内容均由合作方或网友上传,本站不对文档的完整性、权威性及其观点立场正确性做任何保证或承诺!文档内容仅供研究参考,付费前请自行鉴别。
3、如文档内容存在违规,或者侵犯商业秘密、侵犯著作权等,请点击“违规举报”。

碎片内容

钻孔灌注桩技术交底书fff

您可能关注的文档

确认删除?
VIP
微信客服
  • 扫码咨询
会员Q群
  • 会员专属群点击这里加入QQ群
客服邮箱
回到顶部