电脑桌面
添加小米粒文库到电脑桌面
安装后可以在桌面快捷访问

某工程分户检验监理实施细则VIP免费

某工程分户检验监理实施细则_第1页
1/9
某工程分户检验监理实施细则_第2页
2/9
某工程分户检验监理实施细则_第3页
3/9
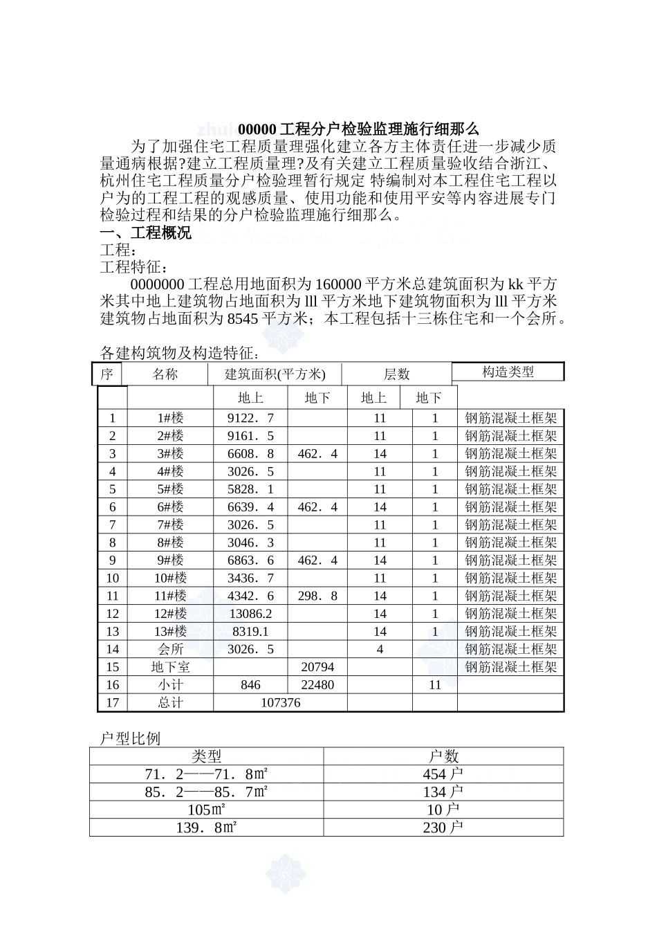
工程分户检验监理施行细那么工程工程监理部00年00月目录一、工程概况……………………1二、分户检验监理施行细那么编制根据…5三、分户检验必须检验工程………..5四、分户检验必检的内容及要求……..6五、分户检验的程序…………………8六、附表……………………………..900000工程分户检验监理施行细那么为了加强住宅工程质量理强化建立各方主体责任进一步减少质量通病根据?建立工程质量理?及有关建立工程质量验收结合浙江、杭州住宅工程质量分户检验理暂行规定特编制对本工程住宅工程以户为的工程工程的观感质量、使用功能和使用平安等内容进展专门检验过程和结果的分户检验监理施行细那么。一、工程概况工程:工程特征:0000000工程总用地面积为160000平方米总建筑面积为kk平方米其中地上建筑物占地面积为lll平方米地下建筑物面积为lll平方米建筑物占地面积为8545平方米;本工程包括十三栋住宅和一个会所。各建构筑物及构造特征:序名称建筑面积(平方米)层数构造类型地上地下地上地下11#楼9122.7111钢筋混凝土框架22#楼9161.5111钢筋混凝土框架33#楼6608.8462.4141钢筋混凝土框架44#楼3026.5111钢筋混凝土框架55#楼5828.1111钢筋混凝土框架66#楼6639.4462.4141钢筋混凝土框架77#楼3026.5111钢筋混凝土框架88#楼3046.3111钢筋混凝土框架99#楼6863.6462.4141钢筋混凝土框架1010#楼3436.7111钢筋混凝土框架1111#楼4342.6298.8141钢筋混凝土框架1212#楼13086.2141钢筋混凝土框架1313#楼8319.1141钢筋混凝土框架14会所3026.54钢筋混凝土框架15地下室20794钢筋混凝土框架16小计846224801117总计107376户型比例类型户数71.2——71.8㎡454户85.2——85.7㎡134户105㎡10户139.8㎡230户配套设施布置序工程处数面积㎡备注1社区配套用房1253位于11楼底层2社区配套用房1325位于9楼底层3社区配套用房1430位于3楼底层4机动车位多处390辆5自行车库多处大于4770辆住宅2110辆,公建540辆1111111工程的相关如下:建立:杭州**居住区前建立指挥部;设计:浙江**建筑设计;勘察:浙江**工程物探勘察院;监理:浙江**工程咨询;承包:**建立集团浙江分;质量平安监视:杭州**工程质量平安监视总站二、分户检验监理施行细那么编制根据:1、?建筑法?2、?建立工程质量理?3、GB-50300等强迫性施工验收4、浙江、杭州有关住宅工程质量分户检验理的有关、规定及有关5、设计图纸三、分户检验在住宅工程开工验收前组织工程设计、施工、监理等进展。分户检验应包括以下必须检验工程:1、楼地面、墙面、天棚面层质量2、门窗安装质量3、栏杆安装质量;4、防水工程质量;5、室内空间尺寸质量;6、给排水安装工程质量;7、电气安装工程质量。四、分户检验必检的内容及要求检验工程检验内容检查及数量检验参照、备注1、楼地面、墙面、天棚楼地面空鼓、裂缝小锤轻击、观察检查。全数检查。空鼓面积不大于400cm2且每自然间不多于2处可不计;不得出现裂缝GB50209-20025.2.5、5.3.4面层墙面、天棚空鼓、裂缝、脱层和爆灰无空鼓、脱层;距检查面1m处正视无裂缝和爆灰GB50210-20014.2.52、门窗安装窗台高度钢尺检查每个窗台不少于一处。全数检查。窗台或落地窗防护栏杆高度不低于900mm且不得有负偏向GB50352-20056.10.3GB50368-20055.1.5外窗渗漏淋水1h或下雨后观察检查。全数检查。外窗及周边无渗漏?建筑法?第六十条推拉窗防脱落措施观察手扳检查。全数检查。推拉窗必须设置防脱落装置GB50210-20015.3.4、5.4.5平安玻璃认证标识观察检查平安认证标识凡应使用平安玻璃的不得使用非平安玻璃代替玻璃上有平安认证标识〔标识不得隐蔽〕发改运行〔2003〕2116第五、六条3、栏杆安装栏杆高度钢尺测量每片栏杆不少于两处。全数检查。临空高度在24m以下时栏杆高度不应低于1.05m;临空高度在24m及24m以上〔包括中高层住宅〕时栏杆高度不应低于1.10m,不得有负偏向GB50352-20056.6.3竖杆设置净间距不应大于0.11m正偏向不大于3mm应防止攀登GB50352-20056.6.3护栏玻璃观察检查3C平安标识标卡尺测量护栏玻璃的使用必须符合设计要求并符合?建筑玻璃应用技术规程?〔JGJ113—2003〕6.2.5的规定JGJ113—20036.2.54、防水工...

1、当您付费下载文档后,您只拥有了使用权限,并不意味着购买了版权,文档只能用于自身使用,不得用于其他商业用途(如 [转卖]进行直接盈利或[编辑后售卖]进行间接盈利)。
2、本站所有内容均由合作方或网友上传,本站不对文档的完整性、权威性及其观点立场正确性做任何保证或承诺!文档内容仅供研究参考,付费前请自行鉴别。
3、如文档内容存在违规,或者侵犯商业秘密、侵犯著作权等,请点击“违规举报”。

碎片内容

某工程分户检验监理实施细则

您可能关注的文档

确认删除?
VIP
微信客服
  • 扫码咨询
会员Q群
  • 会员专属群点击这里加入QQ群
客服邮箱
回到顶部