电脑桌面
添加小米粒文库到电脑桌面
安装后可以在桌面快捷访问

某大厦模板工程技术交底VIP免费

某大厦模板工程技术交底_第1页
1/4
某大厦模板工程技术交底_第2页
2/4
某大厦模板工程技术交底_第3页
3/4
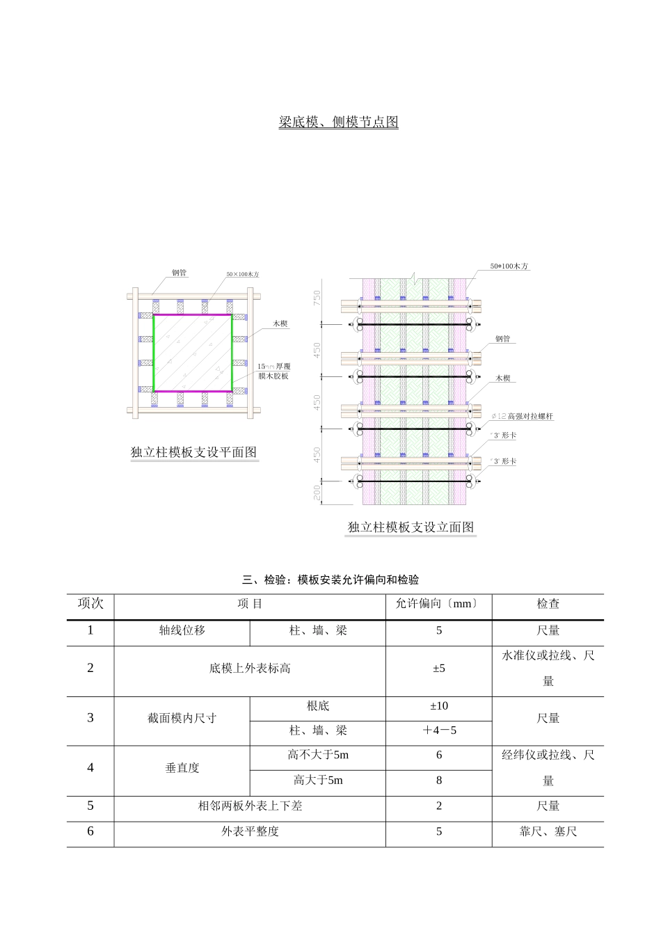
一、营东大厦东、西配楼工程满堂模板支撑架搭设:1、支撑架底部距地面小于300要设置横、纵两个方向的扫地杆并用扣件与立杆相连。2、立杆的端高度不得大于1/4层高并在两个方向搭设横杆来控制端高度。3、钢立杆对接扣件不得设置在一个截面上要50错开布置。4、微调螺栓的高度不得大于200mm.假设高度不够可增设木方来控制。5、模板支撑架体不允许与外脚手架相连接。6、不大于四跨且不大于6米要自上而下设置两个方向的连续剪撑剪撑要与立杆相连接,角度要在45—60°之间。7、洞口处支撑架立杆下面不允许用模板作为垫板用双层木方来作为垫板并加设斜撑与周围立杆相连接。8、横杆加设步距不得大于1.5米。9、支撑架立杆不得架空必须做落地。10、模板支撑架体不允许与脚手架相连接。11、上下层立杆搭设应在同一位置上下同心。12、扣件、钢等料具不得随意丢弃用不到的要集中放置派专人每日清理。二、模板安装:1、梁底每隔1.2米设置一顶撑高度超过650的梁每隔600mm需加设套用螺栓进展拉接详细节点见附图长度超过4米的梁梁下要用木楔进展起拱起拱高度控制在1/1000~3/1000.2、对于截面超过800的柱子柱子中间加设一道穿截面的对拉螺栓保证柱子模板刚度对拉螺杆外侧须套PVC塑料。模板拼缝处加设海绵条以防止柱子露浆模板加固采用Φ48×3.5mm钢、Ф14通丝高强对拉螺杆及“3”型卡。纵向间距450mm。节点见附图;3、平板下次龙骨间距为300mm一道木方;4、主龙骨间距为1.2m微调螺栓上托两道木方;三、模板支设节点详图:5、50*100木方钢管木楔3形卡3形卡独立柱模板支设立面图木楔50×100木方钢管独立柱模板支设平面图15厚覆膜木胶板高强对拉螺杆梁底模、侧模节点图三、检验:模板安装允许偏向和检验项次项目允许偏向〔mm〕检查1轴线位移柱、墙、梁5尺量2底模上外表标高±5水准仪或拉线、尺量3截面模内尺寸根底±10尺量柱、墙、梁+4-54垂直度高不大于5m6经纬仪或拉线、尺量高大于5m85相邻两板外表上下差2尺量6外表平整度5靠尺、塞尺7阴角方正――方尺、塞尺垂直――线尺8预埋铁件中心线位移――拉线、尺量9预埋中心线位移3拉线、尺量+10-010预留孔洞中心线位移10拉线、尺量尺寸+10011插筋中心线位移5尺量四、模板撤除:1、模板撤除之前需向工程部做出书面的模板撤除申请后经工程部同意前方可进展撤除。2、模板撤除时间需按照如下时间进展撤除:构造类型构造跨度〔m〕按设计的混凝土强度值的百分率〔〕板≤2≥50>2,≤8≥75>8≥100梁≤8≥75>8≥100悬臂构件――≥100

1、当您付费下载文档后,您只拥有了使用权限,并不意味着购买了版权,文档只能用于自身使用,不得用于其他商业用途(如 [转卖]进行直接盈利或[编辑后售卖]进行间接盈利)。
2、本站所有内容均由合作方或网友上传,本站不对文档的完整性、权威性及其观点立场正确性做任何保证或承诺!文档内容仅供研究参考,付费前请自行鉴别。
3、如文档内容存在违规,或者侵犯商业秘密、侵犯著作权等,请点击“违规举报”。

碎片内容

某大厦模板工程技术交底

您可能关注的文档

确认删除?
VIP
微信客服
  • 扫码咨询
会员Q群
  • 会员专属群点击这里加入QQ群
客服邮箱
回到顶部