电脑桌面
添加小米粒文库到电脑桌面
安装后可以在桌面快捷访问

龙山站方监理实施细则VIP免费

龙山站方监理实施细则_第1页
1/47
龙山站方监理实施细则_第2页
2/47
龙山站方监理实施细则_第3页
3/47
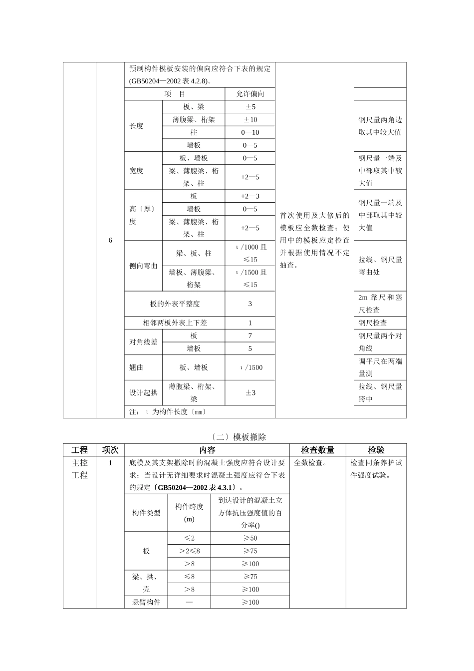
龙山站房房建监理施行细那么总那么监理施行细那么编制根据:1、已批准的监理规划;2、与专业工程相关的、设计和技术资料;3、批准的施工组织设计、专项施工方案。一、混凝土构造工程模板分项工程施工质量监理施行细那么混凝土在浇筑时呈可塑状态模板与混凝土直接接触使混凝土具有设计所要求的形状;支架系统起支撑模板保持其位置正确并承受模板、混凝土以及施工荷载的作用。模板及其支架系统的质量将直接影响到混凝土成型后的质量。〔一〕模板安装工程项次内容检查数量检验主控工程1安装现浇构造的上层模板及其支架时下层楼板应具有承受上层荷载才能或加设支架;上、下层支架的立柱应对准并铺设垫板。全数检查。对照模板设计和施工技术方案观察。2在涂刷模板隔离剂时不得沾污钢筋和混凝土接搓处。全数检查。观察。一般工程1模板安装应满足以下要求:1模板的接缝不应漏浆;在浇筑混凝土前木模板应浇水潮湿但模板内不应有积水;2模板与混凝土的接触面应清理干净并涂刷隔离剂但不得采用影响构造性能或阻碍装饰工程施工的隔离剂;3浇筑混凝土前模板内的杂物应清理干净;4对清水混凝土工程及装饰混凝土工程应使用能到达设计效果的模板。全数检查。观察。2用作模板的地坪、胎模等应平整光洁不得产生影响构件质量的下沉、裂缝、起砂或起鼓。全数检查。观察。3对跨度不小于4m的现浇钢筋混凝土梁、板其模板应按设计要求起拱;当设计无详细要求时起拱高度宜为跨度的1/1000~3/1000。在同一检验批内对梁应抽查构件数量的10且不少于3件;对板应按有代表性的自然间抽查10且不少于3间;对大空间构造板可按纵、横轴线划分检查面抽查10且不少于面。水准仪或拉线、钢尺检查。工程项次内容检查数量检验一般工程4固定在模板上的预埋件、预留孔和预留洞均不得遗漏且应安装结实其偏向应符合下表的规定(GB50204—2002表4.2.6)。在同一检验批内对梁、柱和根底应抽查构件数量的10且不少于3件;对墙和板应按有代表性的自然间抽查10且不少于3间;对大空间构造墙可按相邻轴线间高度5m左右划分检查面板可按纵横轴线划分检查面抽查10且均不少于3面。钢尺检查。项目允许偏向〔mm〕预埋钢板中心线位置3预埋、预埋孔中心线位置3插筋中心线位置5外露长度+100预埋螺栓中心线位置2外露长度+100预留洞中心线位置10尺寸+100注:检查中心线位置时应沿纵、横两个方向量测并取其中的较大值。5现浇构造模板安装的偏向应符合下表的规定(GB50204—2002表4.2.7)。在同一检验批内对梁、柱、和根底应抽查构件数量的10且不少于3件;对墙和板应按有代表性的自然间抽查10且不少于3间;对大空间构造墙可按相邻轴线间高度5m左右划分检查面板可按纵、横轴线划分检查面抽查10且不少于3面。项目允许偏向〔mm〕轴线位置5钢尺检查底模上外表标高±5水准仪或拉线、钢尺检查截面尺寸根底±10钢尺检查柱、墙、梁+4—5钢尺检查层高垂直度不大于5m6经纬仪或吊线、钢尺检查大于5m8经纬仪或吊线、钢尺检查相邻两板外表上下差2钢尺检查外表平整度52m靠尺和塞尺检查注:检查轴线位置时应沿纵、横两个方向量测并取其中较大值。6预制构件模板安装的偏向应符合下表的规定(GB50204—2002表4.2.8)。首次使用及大修后的模板应全数检查;使用中的模板应定检查并根据使用情况不定抽查。项目允许偏向长度板、梁±5钢尺量两角边取其中较大值薄腹梁、桁架±10柱0—10墙板0—5宽度板、墙板0—5钢尺量一端及中部取其中较大值梁、薄腹梁、桁架、柱+2—5高〔厚〕度板+2—3钢尺量一端及中部取其中较大值墙板0—5梁、薄腹梁、桁架、柱+2—5侧向弯曲梁、板、柱ι/1000且≤15拉线、钢尺量弯曲处墙板、薄腹梁、桁架ι/1500且≤15板的外表平整度32m靠尺和塞尺检查相邻两板外表上下差1钢尺检查对角线差板7钢尺量两个对角线墙板5翘曲板、墙板ι/1500调平尺在两端量测设计起拱薄腹梁、桁架、梁±3拉线、钢尺量跨中注:ι为构件长度〔mm〕〔二〕模板撤除工程项次内容检查数量检验主控工程1底模及其支架撤除时的混凝土强度应符合设计要求;当设计无详细要求时混凝土强度应符合下表的规定〔GB50204—2002表4.3.1〕。全数检查。检查同条养护试件强度试验。构件类型构件跨度(m)到达设...

1、当您付费下载文档后,您只拥有了使用权限,并不意味着购买了版权,文档只能用于自身使用,不得用于其他商业用途(如 [转卖]进行直接盈利或[编辑后售卖]进行间接盈利)。
2、本站所有内容均由合作方或网友上传,本站不对文档的完整性、权威性及其观点立场正确性做任何保证或承诺!文档内容仅供研究参考,付费前请自行鉴别。
3、如文档内容存在违规,或者侵犯商业秘密、侵犯著作权等,请点击“违规举报”。

碎片内容

龙山站方监理实施细则

您可能关注的文档

确认删除?
VIP
微信客服
  • 扫码咨询
会员Q群
  • 会员专属群点击这里加入QQ群
客服邮箱
回到顶部