电脑桌面
添加小米粒文库到电脑桌面
安装后可以在桌面快捷访问

地面与楼面工程施工质量监理实施细则VIP免费

地面与楼面工程施工质量监理实施细则_第1页
1/7
地面与楼面工程施工质量监理实施细则_第2页
2/7
地面与楼面工程施工质量监理实施细则_第3页
3/7
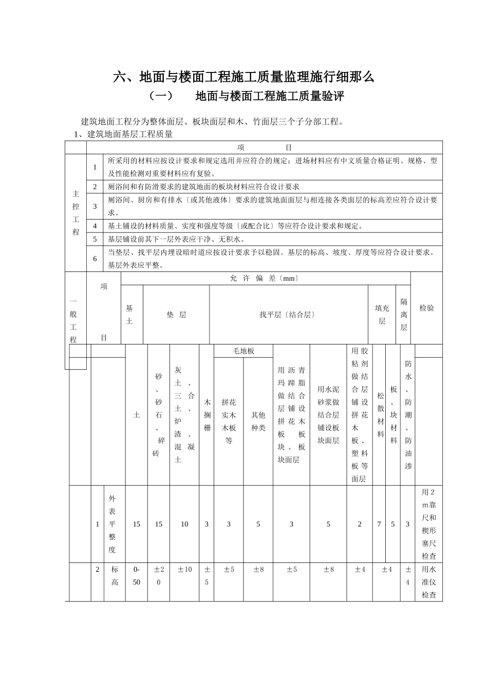
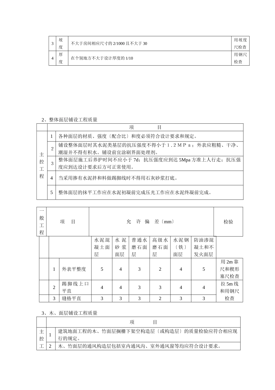
六、地面与楼面工程施工质量监理施行细那么(一)地面与楼面工程施工质量验评建筑地面工程分为整体面层、板块面层和木、竹面层三个子分部工程。1、建筑地面基层工程质量项目主控工程1所采用的材料应按设计要求和规定选用并应符合的规定;进场材料应有中文质量合格证明、规格、型及性能检测对重要材料应有复验。2厕浴间和有防滑要求的建筑地面的板块材料应符合设计要求3厕浴间、厨房和有排水〔或其他液体〕要求的建筑地面面层与相连接各类面层的标高差应符合设计要求。4基土铺设的材料质量、实度和强度等级〔或配合比〕等应符合设计要求和规定。5基层铺设前其下一层外表应干净、无积水。6当垫层、找平层内埋设暗时道应按设计要求予以稳固。基层的标高、坡度、厚度等应符合设计要求。基层外表应平整。一般工程项目允许偏差〔mm〕检验基土垫层找平层〔结合层〕填充层隔离层土砂、砂石、碎砖灰土、三合土、炉渣、混凝土木搁栅毛地板用沥青玛蹄脂做结合层铺设拼花木板板块、板块面层用水泥砂浆做结合层铺设板块面层用胶粘剂做结合层铺设拼花木板、塑料板等面层松散材料板、块材料防水、防潮、防油渗拼花实木木板等其他种类1外表平整度151510335352753用2m靠尺和楔形塞尺检查2标高0-50±20±10±5±5±8±5±8±4±4±4用水准仪检查3坡度不大于房间相应尺寸的2/1000且不大于30用坡度尺检查4厚度在个别地方不大于设计厚度的1/10用钢尺检查2、整体面层铺设工程质量项目主控工程1各种面层的材质、强度〔配合比〕和度必须符合设计要求和规定。2铺设整体面层时其水泥类基层的抗压强度不得小于1.2MPa;外表应粗糙、干净、潮湿并不得有积水。铺设前宜涂刷界面处理剂。3整体面层施工后养护时间不应小于7d;抗压强度应到达5Mpa方准上人行走;抗压强度应到达设计要求后方可正常使用。4当采用掺有水泥拌和料做踢脚线时不得用石灰砂浆打底。5整体面层的抹平工作应在水泥初凝前完成压光工作应在水泥终凝前完成。一般工程项目允许偏差〔mm〕检验水泥混凝土面层水泥砂浆面层普通水磨石面层高级水磨石面层水泥钢〔铁〕面层防油渗混凝土和不发火面层1外表平整度543245用2m靠尺和楔形塞尺检查2踢脚线上口平直443344拉5m线和用钢尺检查3缝格平直3332333、木、面层铺设工程质量项目主控工1建筑地面工程的木、竹面层搁栅下架空构造层〔或构造层〕的质量检验应符合相应现行的规定。2木、竹面层的通风构造层包括室内通风沟、室外通风窗等均应符合设计要求。程3与厕浴间、厨房等潮湿场所相邻木、竹面层连接处应做防水〔防潮〕处理。4木、竹面层铺设在水泥类基层上其基层外表应坚硬、平整、干净、枯燥、不起砂。一般项目项目允许偏向〔mm〕检验实木地板面层实木复合地板、中度〔强化〕复合地板面层、竹地板面层松木地板硬木地板拼花地板1外表平整度3.02.02.02.0用2m靠尺和楔形塞尺检查2板面缝隙宽度1.00.50.20.5用钢尺检查3踢脚线上口平齐3.03.03.03.0拉5m通线4板面拼缝平直3.03.03.03.05相邻板材高差0.50.50.50.5用钢尺和楔形塞尺检查6踢脚线与面层的接缝1.0楔形塞尺检查〔二〕楼面与地面工程监理的预控内容1、使用的主要材料及半成品应有合格证新材料、新技术、新工艺都应根据设计要求进展复试获得合格等级。对材质要求较高的板块应进展厂家考察对实行挑选。对木材那么应注意控制含水率和颜色。材料进场后应进展质量验收确保不合格材料不能用于工程要催促施工做好保工作。2、对铺装楼面、地面的基层进展质量验收。对基层的标高、坡度、外表清理、清扫、平整度均应对照图纸及已施工部位的相对关系进展校验并通过承包做好必要的处理。3、对施工理人员及操作人员要进展技术交底监理工程师应审核施工方案及技术交底单并在必要时进展样板试验引路。〔三〕楼面与地面工程监理质量控制要点监理工程师针对本分部工程质量通病〔楼地面不平整、空鼓、裂缝、渗漏等〕监视承包严格操作规程消除通病。1、基层质量控制要点(1)土基要审核土质测定土质最正确干度;施工要控制在最正确含水率下施工要控制虚铺厚度要确保分层压实严禁大于50mm粒径的土块及冻土做回填。监理工程师应加强巡视抽查和分层隐检。(2)灰土基层...

1、当您付费下载文档后,您只拥有了使用权限,并不意味着购买了版权,文档只能用于自身使用,不得用于其他商业用途(如 [转卖]进行直接盈利或[编辑后售卖]进行间接盈利)。
2、本站所有内容均由合作方或网友上传,本站不对文档的完整性、权威性及其观点立场正确性做任何保证或承诺!文档内容仅供研究参考,付费前请自行鉴别。
3、如文档内容存在违规,或者侵犯商业秘密、侵犯著作权等,请点击“违规举报”。

碎片内容

地面与楼面工程施工质量监理实施细则

您可能关注的文档

确认删除?
VIP
微信客服
  • 扫码咨询
会员Q群
  • 会员专属群点击这里加入QQ群
客服邮箱
回到顶部