电脑桌面
添加小米粒文库到电脑桌面
安装后可以在桌面快捷访问

钢结构安装工程监理实施细则VIP免费

钢结构安装工程监理实施细则_第1页
1/8
钢结构安装工程监理实施细则_第2页
2/8
钢结构安装工程监理实施细则_第3页
3/8
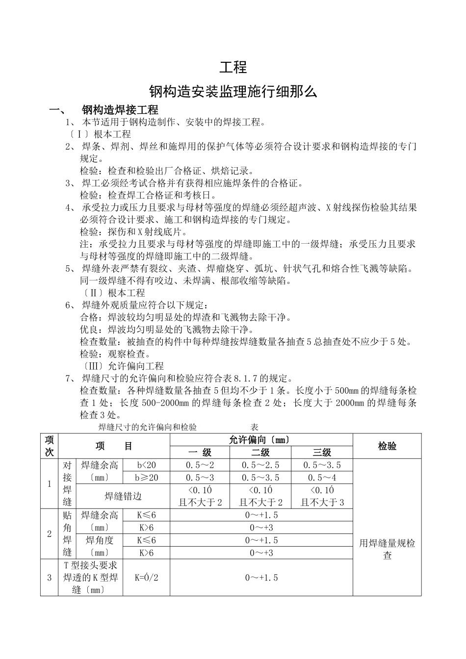
工程钢构造安装监理施行细那么一、钢构造焊接工程1、本节适用于钢构造制作、安装中的焊接工程。〔Ⅰ〕根本工程2、焊条、焊剂、焊丝和施焊用的保护气体等必须符合设计要求和钢构造焊接的专门规定。检验:检查和检验出厂合格证、烘焙记录。3、焊工必须经考试合格并有获得相应施焊条件的合格证。检验:检查焊工合格证和考核日。4、承受拉力或压力且要求与母材等强度的焊缝必须经超声波、X射线探伤检验其结果必须符合设计要求、施工和钢构造焊接的专门规定。检验:探伤和X射线底片。注:承受拉力且要求与母材等强度的焊缝即施工中的一级焊缝;承受压力且要求与母材等强度的焊缝即施工中的二级焊缝。5、焊缝外表严禁有裂纹、夹渣、焊瘤烧穿、弧坑、针状气孔和熔合性飞溅等缺陷。同一级焊缝不得有咬边、未焊满、根部收缩等缺陷。〔Ⅱ〕根本工程6、焊缝外观质量应符合以下规定:合格:焊波较均匀明显处的焊渣和飞溅物去除干净。优良:焊波均匀明显处的飞溅物去除干净。检查数量:被抽查的构件中每种焊缝按焊缝数量各抽查5总抽查处不应少于5处。检验:观察检查。〔Ⅲ〕允许偏向工程7、焊缝尺寸的允许偏向和检验应符合表8.1.7的规定。检查数量:各种焊缝数量各抽查5但均不少于1条。长度小于500mm的焊缝每条检查1处;长度500-2000mm的焊缝每条检查2处;长度大于2000mm的焊缝每条检查3处。焊缝尺寸的允许偏向和检验表项次项目允许偏向〔mm〕检验一级二级三级1对接焊缝焊缝余高〔mm〕b<200.5~20.5~2.50.5~3.5用焊缝量规检查b≥200.5~30.5~3.50.5~4焊缝错边<0.1Ó且不大于2<0.1Ó且不大于2<0.1Ó且不大于32贴角焊缝焊缝余高〔mm〕K≤60~+1.5K>60~+3焊角度〔mm〕K≤60~+1.5K>60~+33T型接头要求焊透的K型焊缝〔mm〕K=Ó/20~+1.5注:b为焊缝宽度;k为焊角尺寸;Ó为母材度。二、钢构造螺栓连接工程1、本节适用于钢构造制作、安装中的高强螺栓连接工程。〔Ⅰ〕保证工程2、高强螺栓的型式、规格和技术条件必须符合设计要求和有关规定。高强螺栓必须经试验确定扭矩系数或复验螺栓预拉力。当结果符合钢构造用高强螺栓的专门规定时方准使用。检验检查出厂合格证和试〔复〕验。3、构件的高强螺栓连接面的摩擦系数必须符合设计要求。外表严禁有氧化铁皮、毛刺、焊疤、油漆和油污等。检验观察检查和检查试验。4、高强螺栓必须分二次拧紧初拧、终拧质量必须符合设计要求和钢构造用高强螺栓的专门规定。检验观察检查并检查施工记录。〔Ⅱ〕根本工程5、高强螺栓接头外观应符合以下规定:合格:正面穿入方向和外露长度一致。优良:螺栓穿入方向和外露长度一致。检查数量:按节点数抽查5但不少于5个。检验观察检查。6、扭矩法施工的大六角头高强螺栓终拧后应符合以下规定:合格:终拧扭矩经检查后补拧或更换螺栓才能到达施工的规定。优良:终拧扭矩经检查一次到达施工的规定。检查数量:用小锤逐颗检查;用扭矩板手按每个节点螺栓数抽查10但不少于10颗。检验用小锤和扭矩板手检查。7、扭剪型高强螺栓终拧后应符合以下规定:合格:除构造原因外尾部梅花卡头未拧掉的螺栓不超过总数的5。优良:除构造原因外螺栓尾部梅花卡头均在终拧中拧掉。检查数量:按节点数抽查10但不少于5个。检验观察检查。注:①构造原因系指因构造造面无法使用专用终拧扳手造成螺栓尾部梅花卡头未拧掉者。②尾部梅花卡头未拧掉的螺栓应采用扭矩法紧固。三、钢构造制作工程〔Ⅰ〕保证工程1、钢材的品种、型、规格的质量必须符合设计要求和施工的规定。检验检查出厂合格证、质量保证书和试验。2、钢材切割断面或剪切面必须无裂纹、夹层和大于1mm的缺棱。检验观察或用放大镜及百分尺检查必要时用浸透、超声波探伤检查。〔Ⅱ〕根本工程3、构件外观应符合以下规定:合格:构件正面无明显凹面和损伤。优良:构件外表无明显凹面和损伤外表划痕不超过0.5mm。检查数量按各种构件件数各抽查10但均不少于3件。检验观察检查。〔Ⅲ〕允许偏向工程4、构件制作的允许偏向和检验应符合表~表-6的规定。单层钢柱制作的允许偏向和检验表项次项目允许偏向〔mm〕检验1柱底面到柱端与桁架连接的最上一个安装孔的间隔L≤15mL>15m±10±15用钢尺检查2柱...

1、当您付费下载文档后,您只拥有了使用权限,并不意味着购买了版权,文档只能用于自身使用,不得用于其他商业用途(如 [转卖]进行直接盈利或[编辑后售卖]进行间接盈利)。
2、本站所有内容均由合作方或网友上传,本站不对文档的完整性、权威性及其观点立场正确性做任何保证或承诺!文档内容仅供研究参考,付费前请自行鉴别。
3、如文档内容存在违规,或者侵犯商业秘密、侵犯著作权等,请点击“违规举报”。

碎片内容

钢结构安装工程监理实施细则

您可能关注的文档

确认删除?
VIP
微信客服
  • 扫码咨询
会员Q群
  • 会员专属群点击这里加入QQ群
客服邮箱
回到顶部