电脑桌面
添加小米粒文库到电脑桌面
安装后可以在桌面快捷访问

工程防水、防渗施工监理控制程序VIP免费

工程防水、防渗施工监理控制程序_第1页
1/2
工程防水、防渗施工监理控制程序_第2页
2/2
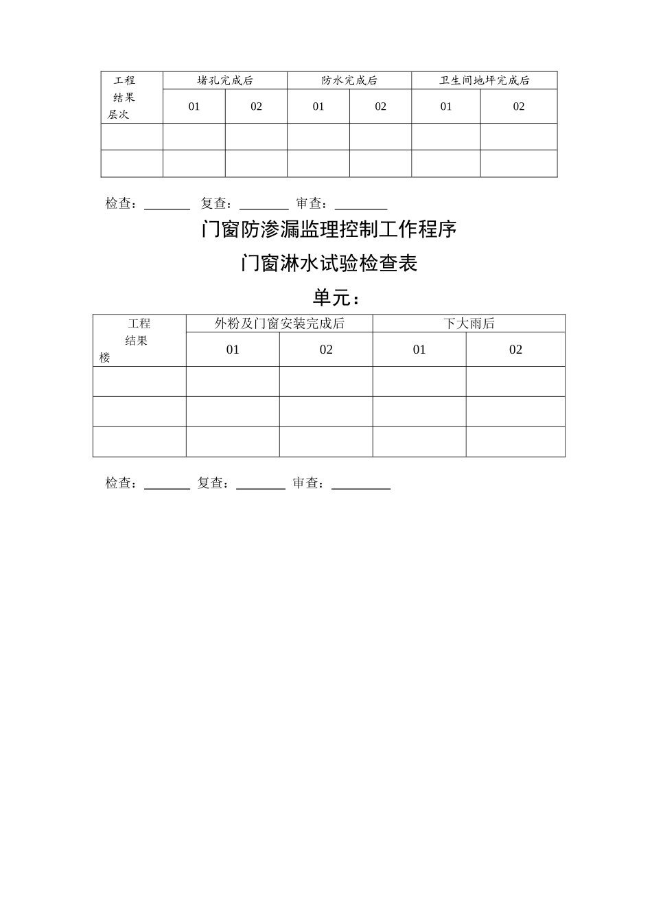
工程防水、防渗施工监理控制程序一、目的:1、100符合有关标准要求。2、交付使用后五年内不出现渗漏现象。二、范围:外墙工程、门窗工程、屋面工程、厨房卫生间地面。三、监理控制内容:1、审查防水施工队伍资质及特殊工种人员的证书明确施工责任人2、审查施工的防水施工方案技术交底是否满足施工要求3、原材料的质量证明、复试4、施工质量控制及施工试验四、控制程序:1、总监对整个过程向监理人员交底2、检查地面基层清理情况及含水量3、检查穿板〔墙〕孔的封堵情况专业监理工程师组织检查灌水试验情况4、试验合格后进展防水施工要求施工先做样板样板经建立和总监验收后由监理人员旁站监理并在日志中做好记录。完成后进展第二次灌水试验5、防水保护层或地面施工完成后进展第三次灌水试验由总监组织验收。6、施工过程中做到专人负责、专人监视。7、每道施工程序须经现场监理人员认可之后方可进展下道工序施工。五、监理理控制程序:1、做好材料进场验收检查尺寸偏向有无划痕、污染是否进展有效的保护。2、检查材料进场堆放、运输及防护护是否符合要求。3、检查门窗洞口尺寸是否符合设计要求。4、进展安装过程控制及检查安装操作是否符合标准。5、门窗安装完成后总监组织监理人员进展全面检查。6、严格控制门窗框与墙体接缝防水处理的隐蔽验收:门窗框与墙体洞口的缝内腔应采用泡沫条填实再用发泡聚苯乙烯等弹性材料分层填塞然后用水泥砂浆嵌实。六、检验:1、在外粉刷及塑钢门窗安装完成后建议建立要求施工用消防水喷淋墙面每个冲淋面持续时间不少于1小时到房间内逐一检查门窗有无渗水现象其结果须经建立代表验收认可。2、下大雨时雨后及时到房间逐一检查门窗有无渗水现象其结果亦须经建立代表验收认可。七、卫生间盛水试验检查表单元:工程结果层次堵孔完成后防水完成后卫生间地坪完成后010201020102检查:复查:审查:门窗防渗漏监理控制工作程序门窗淋水试验检查表单元:工程结果楼外粉及门窗安装完成后下大雨后01020102检查:复查:审查:

1、当您付费下载文档后,您只拥有了使用权限,并不意味着购买了版权,文档只能用于自身使用,不得用于其他商业用途(如 [转卖]进行直接盈利或[编辑后售卖]进行间接盈利)。
2、本站所有内容均由合作方或网友上传,本站不对文档的完整性、权威性及其观点立场正确性做任何保证或承诺!文档内容仅供研究参考,付费前请自行鉴别。
3、如文档内容存在违规,或者侵犯商业秘密、侵犯著作权等,请点击“违规举报”。

碎片内容

工程防水、防渗施工监理控制程序

您可能关注的文档

确认删除?
VIP
微信客服
  • 扫码咨询
会员Q群
  • 会员专属群点击这里加入QQ群
客服邮箱
回到顶部