电脑桌面
添加小米粒文库到电脑桌面
安装后可以在桌面快捷访问

建筑屋面工程监理实施细则2VIP免费

建筑屋面工程监理实施细则2_第1页
1/8
建筑屋面工程监理实施细则2_第2页
2/8
建筑屋面工程监理实施细则2_第3页
3/8
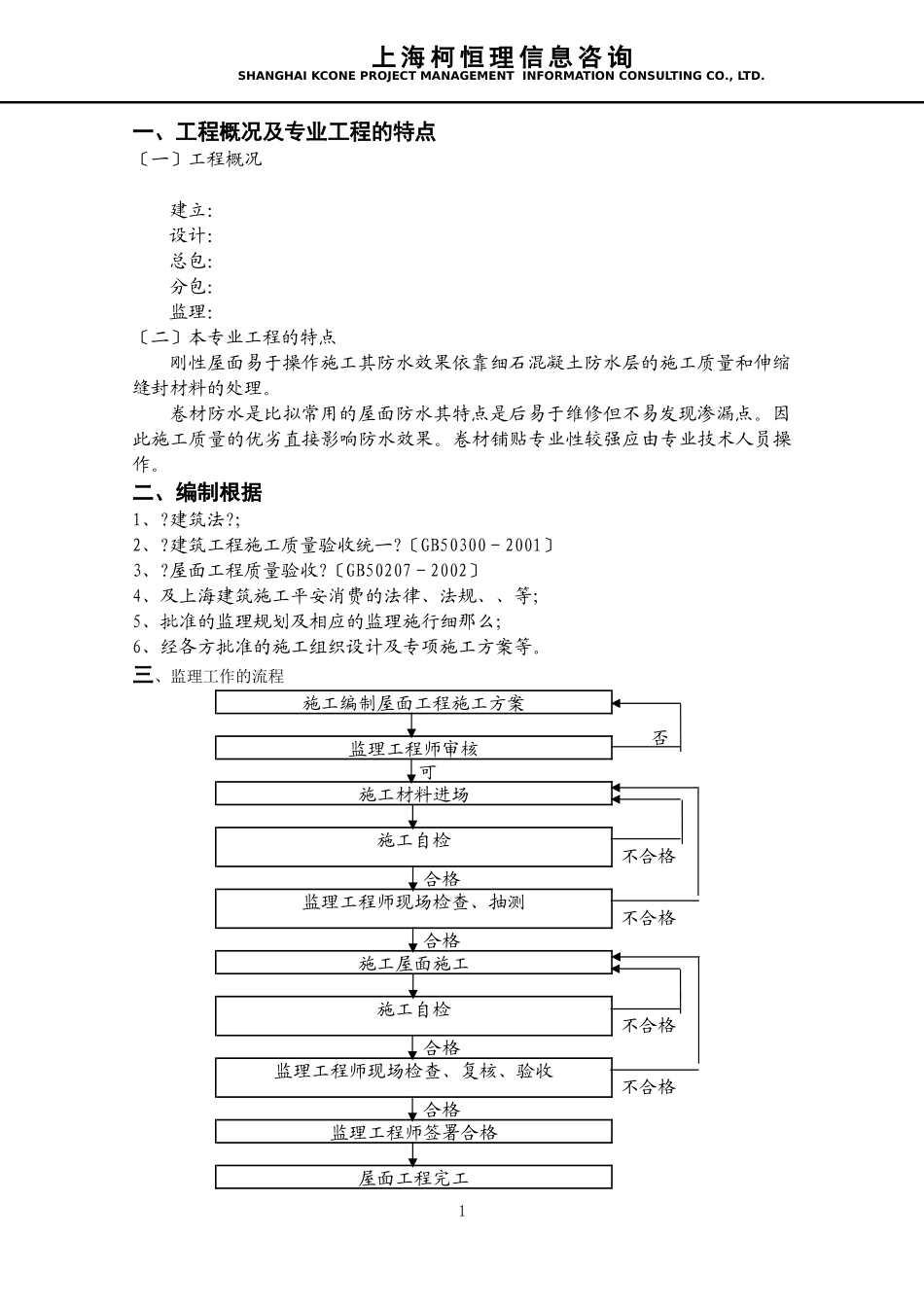
XXXXXXXXXXXXXXXXXXXXX监理施行细那么〔建筑屋面工程〕〔KN/QD-03-B-01〕甲级监理上海柯恒理信息咨询2021年XX月上海柯恒理信息咨询监理施行细那么审批表〔KN/QD-03-B-021〕编:工程名称工程建立专业监理工程师意见专业监理工程师:日:项目监理机构意见总监理工程师:日:公司意见负责人:日:上海柯恒理信息咨询SHANGHAIKCONEPROJECTMANAGEMENTINFORMATIONCONSULTINGCO.,LTD.一、工程概况及专业工程的特点〔一〕工程概况建立:设计:总包:分包:监理:〔二〕本专业工程的特点刚性屋面易于操作施工其防水效果依靠细石混凝土防水层的施工质量和伸缩缝封材料的处理。卷材防水是比拟常用的屋面防水其特点是后易于维修但不易发现渗漏点。因此施工质量的优劣直接影响防水效果。卷材铺贴专业性较强应由专业技术人员操作。二、编制根据1、?建筑法?;2、?建筑工程施工质量验收统一?〔GB50300-2001〕3、?屋面工程质量验收?〔GB50207-2002〕4、及上海建筑施工平安消费的法律、法规、、等;5、批准的监理规划及相应的监理施行细那么;6、经各方批准的施工组织设计及专项施工方案等。三、监理工作的流程施工编制屋面工程施工方案否监理工程师审核可施工材料进场不合格施工自检合格不合格监理工程师现场检查、抽测合格施工屋面施工不合格施工自检合格不合格监理工程师现场检查、复核、验收合格监理工程师签署合格屋面工程完工1上海柯恒理信息咨询SHANGHAIKCONEPROJECTMANAGEMENTINFORMATIONCONSULTINGCO.,LTD.四、监理工作的控制要点及目的值〔一〕施工准备阶段1、检查施工现场是否有相应的施工技术、健全的质量理体系、完好的施工质量控制措施和质量检验制度;2、检查现场设备〔如:防水材料加热、喷涂设备〕等现场设备必须齐全且检修完成可以投入使用;3、检查工程专项施工方案是否编制完成且经审核及批准。〔二〕施工阶段1、原材料〔1〕防水卷材、水泥、黄砂必须提供上海建筑材料质量监视站核发的准用证防伪复印件及原材料质量保证书。〔2〕水泥进场时应按合格证、出厂检验对其品种、级别、出厂编包装、出厂日等进展检查并应分批对其强度、安定性进展复验。复验检查数量按同一消费厂家同一编为一批。复验合格后才能用于工程。当在使用中对水泥质量有疑心或水泥出厂超过三个月时〔快硬硅酸盐水泥超过一个月〕应进展复验并按复验结果使用不同品种的水泥不得混合使用。〔3〕新型防水材料的性能必须符合设计要求应有鉴定书、消费答应证、出厂合格证、质量和施工工艺要求并有抽样复验检测。〔4〕上海地区制止使用纸胎沥青油毡、焦油型防水涂料、石棉类防水材料、淘汰使用聚氨酯防水涂料、水性聚氯乙烯焦油防水涂料限制在二级防水等级上使用沥青复合胎柔性防水卷材。〔5〕找平层的材料质量及配合比必须符合设计要求。〔6〕保温材料的表观度、导热系数以及板材的吸水率必须符合设计要求。保温层的含水率必须符合设计要求有合格的检测。〔7〕卷材防水层所用卷材及其配套材料必须符合设计要求。卷材防水层选用的基层处理剂、接缝胶粘剂、封材料等配套材料应与铺贴的卷材材性相容。2、屋面找平层〔1〕屋面找平层厚度及排水坡度应符合设计要求外表应压实平整不得有酥松、起砂、起坡现象。〔2〕找平层宜留设分格缝并嵌填封材料当兼作排气屋面的排气道时可适当加宽并应与保温层连通。分格缝应留设在板端缝处其纵横缝的间距为:找平层采用水泥砂浆或细石混凝土时不宜大于6米沥青砂浆找平层不宜大于4米。3、保温隔热层〔1〕当采用水泥膨胀蛭石及水泥膨胀珍珠岩〔整体、散状、块状〕保温层时应做排气道纵横贯穿应有防止堵塞措施并应与大气连通的排气孔相通排气孔应设在纵横排气道的穿插点上。排气出口应埋设排气排气按屋面面积每36平方米宜设一个。排气自身应做好防水处理排气出屋面净高应不小于300毫米。〔2〕当采用架空隔热屋面时应先将屋面清扫干净并在支座底面的卷材、涂膜防水层上应采取加强措施。架空板高度宜为100-300毫米支座上人屋面的粘土砖强度等级不...

1、当您付费下载文档后,您只拥有了使用权限,并不意味着购买了版权,文档只能用于自身使用,不得用于其他商业用途(如 [转卖]进行直接盈利或[编辑后售卖]进行间接盈利)。
2、本站所有内容均由合作方或网友上传,本站不对文档的完整性、权威性及其观点立场正确性做任何保证或承诺!文档内容仅供研究参考,付费前请自行鉴别。
3、如文档内容存在违规,或者侵犯商业秘密、侵犯著作权等,请点击“违规举报”。

碎片内容

建筑屋面工程监理实施细则2

您可能关注的文档

确认删除?
VIP
微信客服
  • 扫码咨询
会员Q群
  • 会员专属群点击这里加入QQ群
客服邮箱
回到顶部