电脑桌面
添加小米粒文库到电脑桌面
安装后可以在桌面快捷访问

金属扣件双排脚手架搭设安全技术交底VIP免费

金属扣件双排脚手架搭设安全技术交底_第1页
1/2
金属扣件双排脚手架搭设安全技术交底_第2页
2/2
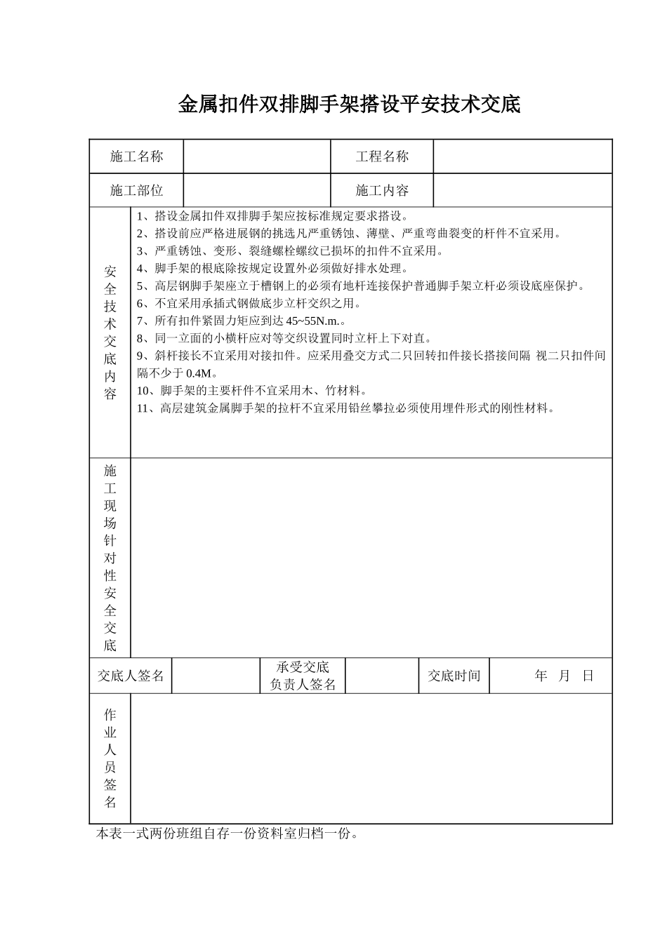
金属扣件双排脚手架搭设平安技术交底施工名称工程名称施工部位施工内容安全技术交底内容1、搭设金属扣件双排脚手架应按标准规定要求搭设。2、搭设前应严格进展钢的挑选凡严重锈蚀、薄壁、严重弯曲裂变的杆件不宜采用。3、严重锈蚀、变形、裂缝螺栓螺纹已损坏的扣件不宜采用。4、脚手架的根底除按规定设置外必须做好排水处理。5、高层钢脚手架座立于槽钢上的必须有地杆连接保护普通脚手架立杆必须设底座保护。6、不宜采用承插式钢做底步立杆交织之用。7、所有扣件紧固力矩应到达45~55N.m.。8、同一立面的小横杆应对等交织设置同时立杆上下对直。9、斜杆接长不宜采用对接扣件。应采用叠交方式二只回转扣件接长搭接间隔视二只扣件间隔不少于0.4M。10、脚手架的主要杆件不宜采用木、竹材料。11、高层建筑金属脚手架的拉杆不宜采用铅丝攀拉必须使用埋件形式的刚性材料。施工现场针对性安全交底交底人签名承受交底负责人签名交底时间年月日作业人员签名本表一式两份班组自存一份资料室归档一份。

1、当您付费下载文档后,您只拥有了使用权限,并不意味着购买了版权,文档只能用于自身使用,不得用于其他商业用途(如 [转卖]进行直接盈利或[编辑后售卖]进行间接盈利)。
2、本站所有内容均由合作方或网友上传,本站不对文档的完整性、权威性及其观点立场正确性做任何保证或承诺!文档内容仅供研究参考,付费前请自行鉴别。
3、如文档内容存在违规,或者侵犯商业秘密、侵犯著作权等,请点击“违规举报”。

碎片内容

金属扣件双排脚手架搭设安全技术交底

您可能关注的文档

确认删除?
VIP
微信客服
  • 扫码咨询
会员Q群
  • 会员专属群点击这里加入QQ群
客服邮箱
回到顶部