电脑桌面
添加小米粒文库到电脑桌面
安装后可以在桌面快捷访问

钻孔桩施工安全技术交底1VIP免费

钻孔桩施工安全技术交底1_第1页
1/2
钻孔桩施工安全技术交底1_第2页
2/2
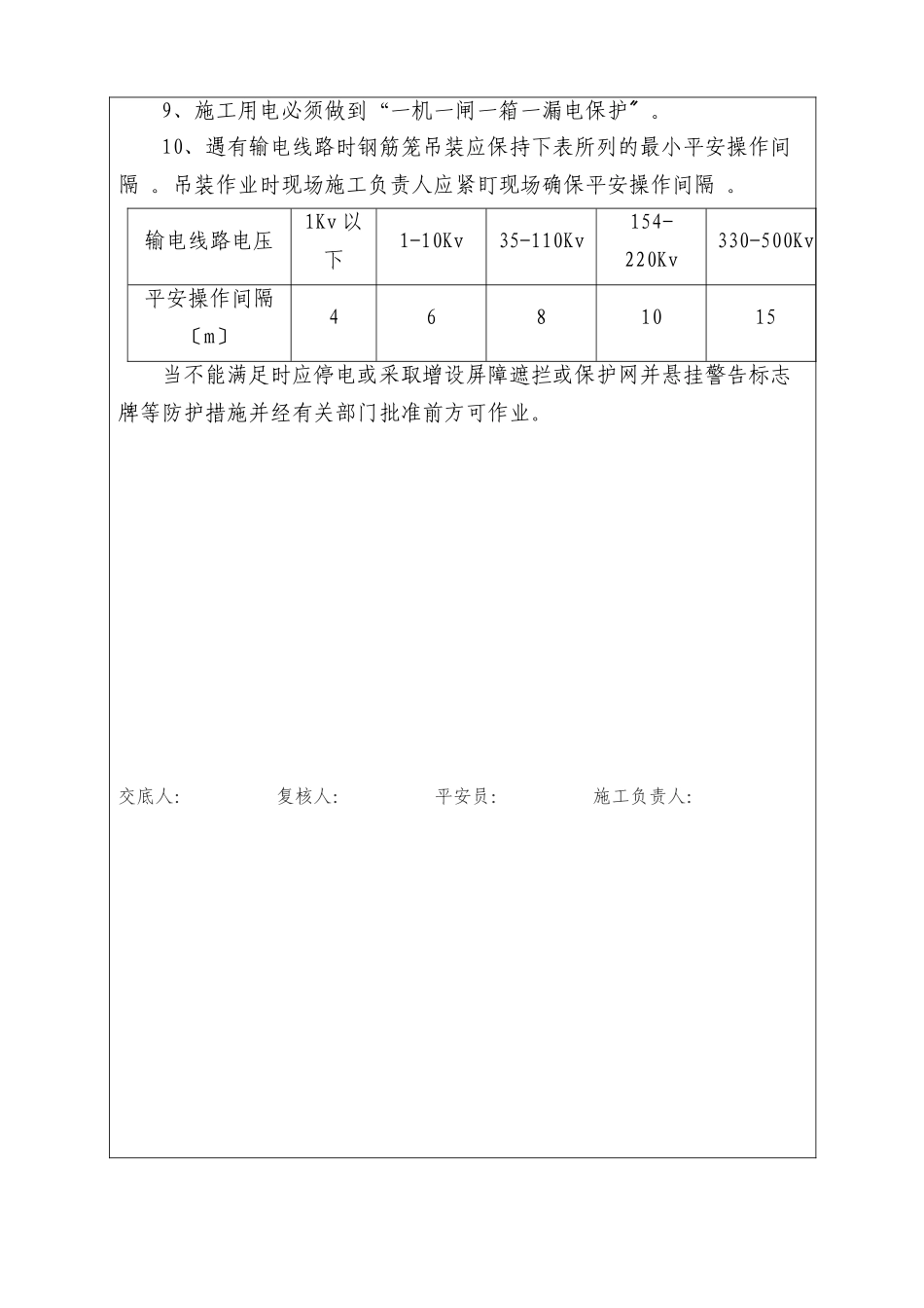
平安技术交底记录:中铁四集团二板集工程经理部编:工程名称:济河大桥交底时间:年月日交底内容钻孔桩施工平安技术交底1、进入施工现场的作业人员必须配带平安帽。2、在钻机作业范围内的人员应随时注意钻机机身的旋转防止机身的转动而碰伤。3、钻机提钻出土和吊车起吊作业时作业人员要听从统一指挥注意起吊物的摆动防止遭受物体打击。4、在钻进过程中需测量孔深、孔径时护筒周围测量人员要带全帽、平安带平安带必须系于结实可靠的固定物体上。5、需测量孔位时首先要在护筒顶面放置盖板盖板用钢板或不小于5厚的木板并在护筒周围设置结实可靠的物体防止脚下打滑㎝摔倒。6、现场施工作业人员要注意过往车辆的通行防止意外交通事故的发生。7、旋转钻机进钻时高压胶下不得站人。水龙头与胶连接处应用双夹卡住。钻机旋转时不得提升钻杆。加接钻杆时连接螺栓严禁用普通螺栓代替。8、停钻后钻头应提出孔外平安放置孔口应遮盖防护。9、施工用电必须做到“一机一闸一箱一漏电保护。〞10、遇有输电线路时钢筋笼吊装应保持下表所列的最小平安操作间隔。吊装作业时现场施工负责人应紧盯现场确保平安操作间隔。输电线路电压1Kv以下1-10Kv35-110Kv154-220Kv330-500Kv平安操作间隔〔m〕4681015当不能满足时应停电或采取增设屏障遮拦或保护网并悬挂警告标志牌等防护措施并经有关部门批准前方可作业。交底人:复核人:平安员:施工负责人:

1、当您付费下载文档后,您只拥有了使用权限,并不意味着购买了版权,文档只能用于自身使用,不得用于其他商业用途(如 [转卖]进行直接盈利或[编辑后售卖]进行间接盈利)。
2、本站所有内容均由合作方或网友上传,本站不对文档的完整性、权威性及其观点立场正确性做任何保证或承诺!文档内容仅供研究参考,付费前请自行鉴别。
3、如文档内容存在违规,或者侵犯商业秘密、侵犯著作权等,请点击“违规举报”。

碎片内容

钻孔桩施工安全技术交底1

您可能关注的文档

确认删除?
VIP
微信客服
  • 扫码咨询
会员Q群
  • 会员专属群点击这里加入QQ群
客服邮箱
回到顶部