电脑桌面
添加小米粒文库到电脑桌面
安装后可以在桌面快捷访问

高速公路工程监理规划VIP免费

高速公路工程监理规划_第1页
1/19
高速公路工程监理规划_第2页
2/19
高速公路工程监理规划_第3页
3/19
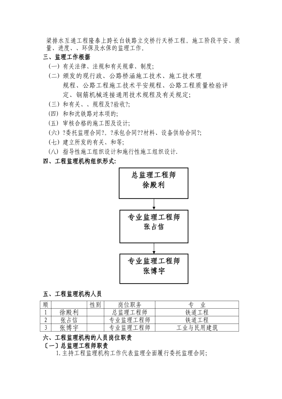
一、工程概况:1、工程简介本工程位于长春北亚泰大街出城口长春至松原段高速公路长春连接线上在长春至白城铁道路K0+380米位置隆泰上跨长白铁路立交桥别离立交主线上跨交角31°桥宽2×16米跨越铁路左幅8#、9#、10#、11#墩上孔径(48+60+48)米、右幅7#、8#、9#、10#墩上孔径〔48+60+48〕米。桥下净空7.96米。上部构造形成为预应力钢筋砼连续箱型梁下部构造设计柱式墩、桩根底。桥梁设计荷载城—A级。另外本工程含人行立交桥。2、主要工程数量表序名称数量备注1C50混凝土m34216.722C50钢纤维m310.53C40混凝土m3631.464C30混凝土m31160.85C25混凝土m325966沥青混凝土m3421.27防水层㎡46808钢绞线t180.739钢筋t314.3110钢板t632.17711锚具套143812塑料波纹M19030.3413支座个1614泄水m4010.515土方m33、工程参建名称建立:长春建立工程理中心设计:长春建业工程咨询沈中铁交通设计咨询监理:北京通达监理施工:中交隧道工程二、监理工作范围根据签订的委托监理合同我监理部承当的任务是:长春四环路道路桥梁排水互通工程隆泰上跨长白铁路立交桥行天桥工程。施工阶段平安、质量、进度、、环保及水保的监理工作。三、监理工作根据(一)有关法律、法规和有关规章、制度;(二)颁发的现行政、公路桥涵施工技术、施工技术理规程、公路工程施工技术平安规程、公路工程质量检验评定、钢筋机械连接通用技术规程及有关规定;(三)和有关、、规程及?验收?;(四)和和沈铁路对本项的;(五)审核合格的施工图及设计;(六)?委托监理合同?。?承包合同??材料、设备供给合同?;(七)建立所发的有关、和等;(八)指导性施工组织设计和施行性施工组织设计.四、工程监理机构组织形式:五、工程监理机构人员顺性别岗位职务专业1徐殿利总监理工程师铁道工程2张占信专业监理工程师铁道工程3张博宇专业监理工程师工业与民用建筑六、工程监理机构的人员岗位职责〔一〕总监理工程师职责1.主持工程监理机构工作代表监理全面履行委托监理合同;总监理工程师徐殿利专业监理工程师张占信专业监理工程师张博宇2.主持编写工程监理规划审批工程监理施行细那么;3.确定工程监理机构人员分工和岗位职责并以书面形式建立和施工;4.检查和监视监理人员的工作协调处理各专业监理业务根据工程工程的进展情况调配监理人员;5.主持监理睬议工地例会、签发工程监理机构的和指;6.审定并签署承包提交的开工、施工组织设计、技术方案、进度方案等;7.检查承包工程经理部的质量、平安理体系和理制度;8.签发工程停工、复工审核并签署验工计价表、工程付款凭证和工程结算书;9.根据受权审查和处理变更设计事宜;10.根据主部门或建立的要求参与或配合对工程质量事故、施工平安事故的调查;11.定巡视施工现场;12.对索赔、工程延提出处理;13.组织编制监理月报、专题和工作总结;14.审核并签认承包的工程质量检验资料;15.审查承包提交的开工申请组织专业监理工程师编写工程质量评估参加工程工程的开工验收;16.组织整理工程监理资料。〔二〕专业监理工程师职责1、参与编制监理规划负责编制本专业的监理施行细那么;2、负责本专业监理工作的详细施行;3、审阅并现场核对施工图;4、对监理员的工作进展组织、指导、检查和监视应向总监理工程师提出监理员调整建议;5、审查承包提交的涉及本专业的方案、方案、申请、变更等并向总监理工程师提出;6、负责本专业检验批、分项、分部工程验收及相关隐蔽工程验收;7、定向总监理工程师提交监理工作施行情况对重大问题及时向总监理工程师汇报;8、核查进场材料、设备、构配件的原始凭证、检测等质量证明及其质量情况对进场材料、设备、构配件进展见证试验或平行检验合格时予以签认;9、进展现场巡视发现质量问题和平安隐患及时处理。并向总监理工程师汇报;10、负责本专业工程计量工作审核工程计量数据和原始凭证;11、负责本专业监理资料的搜集、汇总及整理编制监理月报;12.做好监理日记。〔三〕监理员职责1、在专业监理工程师的指导下进展现场监理工作;2、检查承包投入工程工程的人力、材料、主要设备及其使用运行状况并做好检查记录;3、复核或从施工现场直接获取工程计量的有关数据并签署原始凭证;...

1、当您付费下载文档后,您只拥有了使用权限,并不意味着购买了版权,文档只能用于自身使用,不得用于其他商业用途(如 [转卖]进行直接盈利或[编辑后售卖]进行间接盈利)。
2、本站所有内容均由合作方或网友上传,本站不对文档的完整性、权威性及其观点立场正确性做任何保证或承诺!文档内容仅供研究参考,付费前请自行鉴别。
3、如文档内容存在违规,或者侵犯商业秘密、侵犯著作权等,请点击“违规举报”。

碎片内容

高速公路工程监理规划

您可能关注的文档

确认删除?
VIP
微信客服
  • 扫码咨询
会员Q群
  • 会员专属群点击这里加入QQ群
客服邮箱
回到顶部