电脑桌面
添加小米粒文库到电脑桌面
安装后可以在桌面快捷访问

南京市钢结构监理细则VIP免费

南京市钢结构监理细则_第1页
1/10
南京市钢结构监理细则_第2页
2/10
南京市钢结构监理细则_第3页
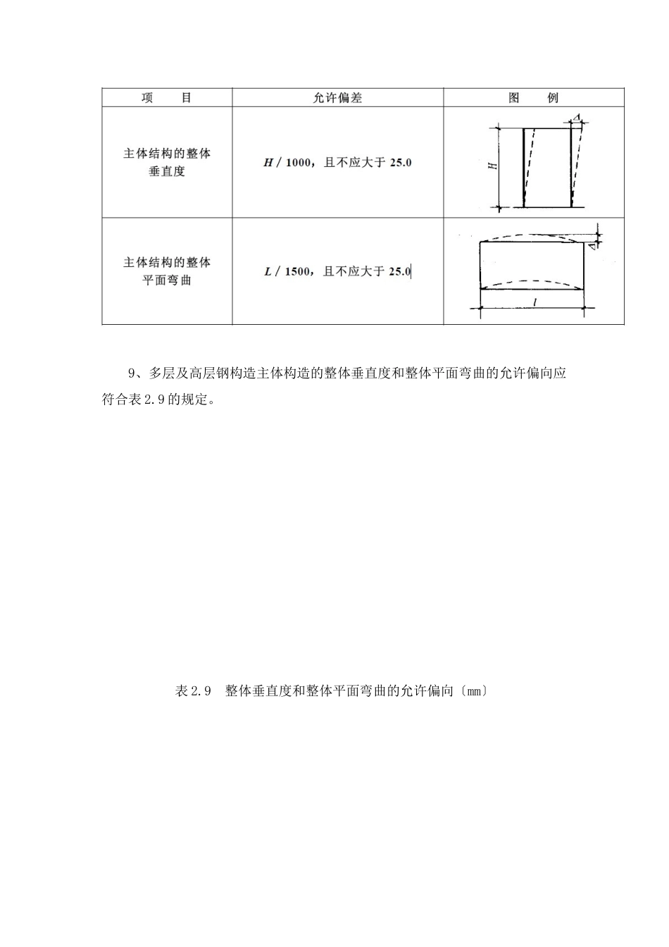
3/10
第一章专业工程特点本工程位于南京中山路81总建筑面积30011.1㎡构造形式为现浇钢筋混凝土框架-核心筒构造地下三层地上十八层楼面、屋面等均为钢筋混凝土现浇。根据设计要求该工程是在原砼构造先安装的钢构造预埋件的前提下进展二次钢架系统安装施工。钢架系统为:钢梁为焊接工字钢梁实腹梁。钢梁与砼构造为铰接连接采用大六角头型高强螺栓焊接材料为E4301、E4303型电焊条薄壁型钢用E4313型电焊条焊缝等级为二级。钢构造涂装具有除锈达Sa2.5级、漆膜总厚度不小于125微米且具有耐火等级为二级的要求。层夹层楼板采用ALC板地下一层采用压型钢板组合楼板砼标为C30。建立:江苏东汉开发监理:南京全盛建立工程监理咨询设计:东南大学建筑设计研究院施工:江西地质工程〔集团〕编制根据及说明1、经审批通过的?监理规划?、施工组织设计及相关专项方案2、各项工程质量验收如?钢构造工程施工及验收?、?冷弯薄壁型钢构造技术?、?钢构造高强螺栓连接的设计施工验收规程?等编写说明:由于施工过程中不可防止会有变更或调整故将视工程实际进展情况和合同内容适时调整本工程土建监理细那么。第二章钢构造工程有关的几条强迫性条文1、钢材、钢铸件的品种、规格、性能等应符合现行和设计要求、进口钢材的质量应符合设计和合同规定的要求。2、焊接材料的品种、规格、性能等应符合现行和设计要求。3、钢构造连接用高强度大六角头螺栓连接副、扭剪型高强度螺栓连接副、钢网架用高强度螺栓、普通螺栓、铆钉、自攻钉、拉铆钉、射钉、锚栓〔化学型和化学试剂型〕、地角锚栓等紧固件及螺母、垫圈等配件其品种、规格、性能等应符合现行和设计要求。高强度大六角头螺栓连接副和扭剪型高强度螺栓连接副出厂时应分别随箱带有扭矩系数和紧固轴立〔预拉力〕的检验。4、焊工必须经考试合格并获得合格证书。持证焊工必须在其考试合格工程及其认可范围内施焊。5、设计要求全焊透的一、二级焊缝应采用超声波探伤进展缺陷的检验超声波探伤不能对缺陷作出判断时应采用射线探伤其缺陷分级及探伤应符合现行?刚焊缝手工超声波探伤和探伤结果分级法?GB11345或?或钢融化焊对接接头射线照相和质量分级?GB3323的规定。焊接球节点网架焊缝、螺栓球节点网架焊缝及圆T、K、Y形节点相关线焊缝其缺陷分级及探伤应分别符合现行。一、二级焊缝的质量等级及缺陷分级应符合表2.5的规定表2.5一、二级焊缝质量等级及缺陷分级焊缝质量等级一级二级缺陷超声波探伤评定等级ⅡⅢ检验等级B级B级探伤比例10020缺陷射线探伤评定等级ⅡⅢ检验等级AB级AB级探伤等级10020注:探伤比例的计数应按以下原那么确定:〔1〕对工厂制作焊缝应按每条焊缝计算百分比且探伤长度应不小于200mm当焊缝长度不组200mm时应对整条汉服呢个进展探伤;〔2〕对现场安装焊缝应按同一类型、同一施焊条件的焊缝条数计算百分比探伤长度应不小于200mm并不少于1条焊缝。6、钢构造制作和安装应分别进展高强度螺栓连接摩擦面的抗滑移系数试验和复试现场处理的构件摩擦面应单独进展摩擦面抗滑移系数试验其结果应符合设计要求。7、吊车梁和吊车桁架不应下挠。8、单层钢构造主体构造的整体垂直度和整体平面弯曲的允许偏向应符合表2.8的规定。表2.8整体垂直度和整体平面弯曲的允许偏向〔mm〕9、多层及高层钢构造主体构造的整体垂直度和整体平面弯曲的允许偏向应符合表2.9的规定。表2.9整体垂直度和整体平面弯曲的允许偏向〔mm〕10、钢网架构造总拼完成后及屋面工程完成后应分别测量其挠度值且所测的挠度值不应超过相应设计值的1.15倍。11、涂料、涂装遍数、涂层厚度均应符合设计要求。当设计对涂层厚度无要求时涂层干漆膜总厚度:室外应为150微米室内应为125微米其允许偏向为-25微米。每遍涂层干漆膜厚度的允许偏向为-5微米。12、薄涂型防火涂料的涂层厚度应符合有关耐火极限的设计要求。厚涂型防火涂料涂层的厚度80及以上面积应符合有关耐火极限的设计要求且最薄处厚度不应低于设计要求的85。第三章监理工作流程图监理工作流程详见附表一、附表二。第四章监理工作控制目的及控制要点一、控制目的:1主控工程必须100%到达设计及相关、及的规定。2一般工程80以上到达设计和的要求和规...

1、当您付费下载文档后,您只拥有了使用权限,并不意味着购买了版权,文档只能用于自身使用,不得用于其他商业用途(如 [转卖]进行直接盈利或[编辑后售卖]进行间接盈利)。
2、本站所有内容均由合作方或网友上传,本站不对文档的完整性、权威性及其观点立场正确性做任何保证或承诺!文档内容仅供研究参考,付费前请自行鉴别。
3、如文档内容存在违规,或者侵犯商业秘密、侵犯著作权等,请点击“违规举报”。

碎片内容

南京市钢结构监理细则

您可能关注的文档

确认删除?
VIP
微信客服
  • 扫码咨询
会员Q群
  • 会员专属群点击这里加入QQ群
客服邮箱
回到顶部