电脑桌面
添加小米粒文库到电脑桌面
安装后可以在桌面快捷访问

基土钎探工艺标准VIP免费

基土钎探工艺标准_第1页
1/2
基土钎探工艺标准_第2页
2/2
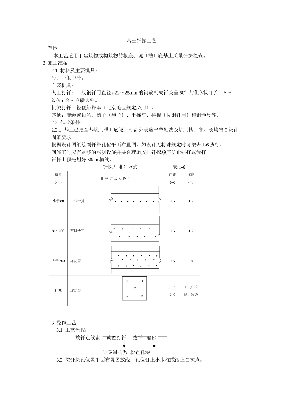
基土钎探工艺1范围本工艺适用于建筑物或构筑物的根底、坑〔槽〕底基土质量钎探检查。2施工准备2.1材料及主要机具:砂:一般中砂。主要机具:人工打钎:一般钢钎用直径ø22~25mm的钢筋制成钎头呈60º尖锥形状钎长1.8~2.0m;8~10磅大锤。机械打钎:轻便触探器〔北京地区规定必用〕。其他:麻绳或铅丝、梯子〔凳子〕、手推车、撬棍〔拔钢钎用〕和钢卷尺等。2.2作业条件:2.2.1基土已挖至基坑〔槽〕底设计标高外表应平整轴线及坑〔槽〕宽、长均符合设计图纸要求。根据设计图纸绘制钎探孔位平面布置图。如设计无特殊规定时可按表1-6执行。间施工时应有足够的照明设施并要合理地安排钎探顺序防止错打或漏打。钎杆上预先划好30cm横线。钎探孔排列方式表1-6槽宽(cm)排列方式及图形间距(m)深度(m)小于80中心一排1.51.580~200两排错开1.51.5大于200梅花型1.52.0柱基梅花型1.5~2.01.5并不浅于短边3操作工艺3.1工艺流程:放钎点线索就位打钎拔钎灌砂记录锤击数检查孔深3.2按钎探孔位置平面布置图放线;孔位钉上小木桩或洒上白灰点。3.3就位打钎人工打钎:将钎尖对准孔位一人扶正钢钎一人站在操作凳子上用大锤打钢钎的顶端;锤举高度一般为50~70cm将钎垂直打入土层中。机械打钎:将触探杆尖对准孔位再把穿心锤套在钎杆上扶正钎杆拉起穿心锤使其下落锤距为50cm把触探杆垂直打入土层中。3.4记录锤击数。钎杆每打入土层30cm时记录一次锤击数。钎探深度如设计无规定时一般按表1-6执行。3.5拔钎:用麻绳或铅丝将钎杆绑好留出活套套内插入橇棍或铁利用杠杆原理将钎拔出。每拔出一段将绳套往下移一段依此类推直至完全拔出为止。3.6移位:将钎杆或触探器搬到下一孔位以便继续打钎。3.7灌砂:打完的钎孔经过质量检查人员和有关工长检查孔深与记录无误后即可进展灌砂。灌砂时每填入30cm左右可用木棍或钢筋棒捣实一次。灌砂有两种形式一种是每孔打完或几孔打完后及时灌砂;另一种是每天打完后统一灌砂一次。3.8整理记录:按钎孔顺序编将锤击数填入统一表格内。字迹要清楚再经过打钎人员和技术员签字后归档。3.9冬、雨施工:基土受雨后不得进展钎探。基土在冬季钎探时每打几孔后及时掀盖保温材料一次不得大面积掀盖以免基土受冻。4质量4.1保证工程:钎探深度必须符合要求锤击数记录准确不得作假。4.2根本工程钎位根本准确探孔不得遗漏。钎孔灌砂应应。5成品保护5.1钎探完成后应作好标记保护好钎孔未经质量检查人员和有关工长复验不得堵塞或灌砂。6应注意的质量问题6.1遇钢钎打不下去时应有关工长或技术员:取消钎孔或移位打钎。不得不打、任意填写锤数。6.2记录和平面布置图的探孔位置填错:将钎孔平面布置图上的钎孔与记录表上的钎孔先行对照有无错误。发现错误及时修改或补打。在记录表上用色铅笔或符将不同的钎孔〔锤击数的大小〕分开。在钎孔平面布置图上注明过硬或过软的孔的位置把枯井或坟墓等尺寸画上以便设计勘察人员或有关部门验槽时分析处理。7质量记录本工艺应具备以下质量记录:工程地质勘察。

1、当您付费下载文档后,您只拥有了使用权限,并不意味着购买了版权,文档只能用于自身使用,不得用于其他商业用途(如 [转卖]进行直接盈利或[编辑后售卖]进行间接盈利)。
2、本站所有内容均由合作方或网友上传,本站不对文档的完整性、权威性及其观点立场正确性做任何保证或承诺!文档内容仅供研究参考,付费前请自行鉴别。
3、如文档内容存在违规,或者侵犯商业秘密、侵犯著作权等,请点击“违规举报”。

碎片内容

基土钎探工艺标准

您可能关注的文档

确认删除?
VIP
微信客服
  • 扫码咨询
会员Q群
  • 会员专属群点击这里加入QQ群
客服邮箱
回到顶部