电脑桌面
添加小米粒文库到电脑桌面
安装后可以在桌面快捷访问

北怡家园住宅工程投标书VIP免费

北怡家园住宅工程投标书_第1页
1/25
北怡家园住宅工程投标书_第2页
2/25
北怡家园住宅工程投标书_第3页
3/25
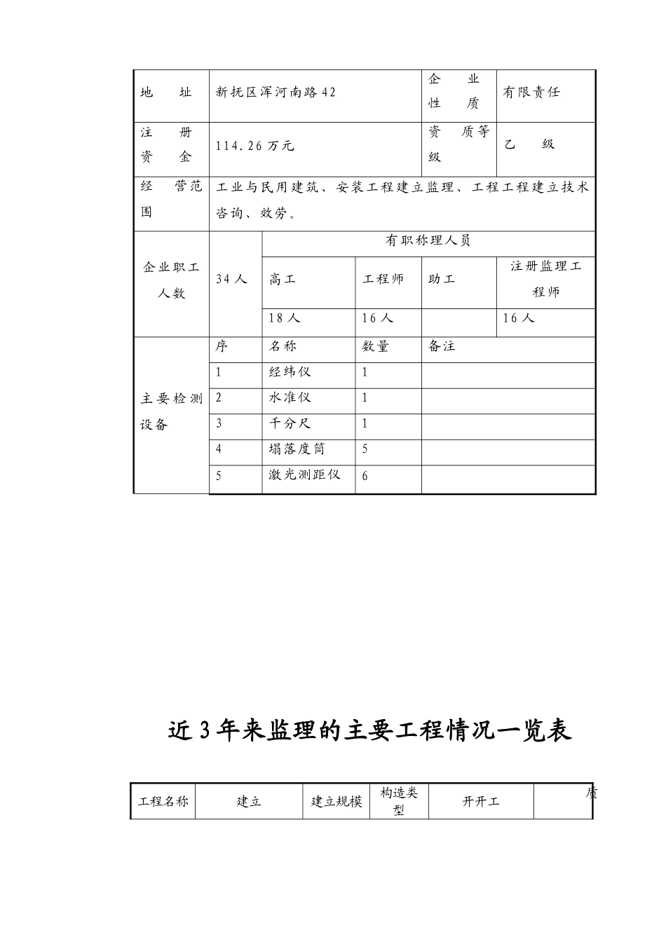
投标书:招效劳1、根据已收到的编为ZYZB2021-8的北怡家园二标段D#E#F#G#施工监理工程的监理我经考察现场和研究上述工程的须知、合同条件、技术、图纸和其他有关后我方愿以工程总价1.6的报价并按上述合同条件、技术、图纸的条件承包上述工程的监理效劳。2、我方同意所递交的在“须知〞1.1条规定的有效内有效在此间我方的可能中标我方将受此约束。3、除非另外达成协议并生效你方的中标书和本将构成约束我们双方的合同。投标人:建筑科学研究院工程建立监理法定代表人:日:2021年6月26日法定代表人明书名称:建筑科学研究院工程监理地址:浑河南路42:尹洁性别:年龄:48职务:董事长系建筑科学研究院工程监理公定代表人为监理北怡家园二标段D#E#F#G#的工程签署上述工程的进展合同会谈签署合同和处理与之有关的一切事务。特此证明。人:建筑科学研究院工程监理日:2021年6月26日受权委托书本受权委托书声明:我尹洁系建筑科学研究院工程监理司的法定代表人现受权委托建筑科学研究院工程监理的王韬为我代理人以本的名义参加北怡家园二标段D#E#F#G#施工监理工程的活动代理人在开标、评标、合同会谈过程中所签署的一切和处理与之有关的一切事物我均予以成认。代理人无转委权。特此委托代理人:王韬性别:年龄:32单位:建筑科学研究院工程监理职务:副经理人:建筑科学研究院工程监理法定代表人:尹洁日:2021年6月26日企业概况企业名称建立日19年地址新抚区浑河南路42企业性质有限责任注册资金114.26万元资质等级乙级经营范围工业与民用建筑、安装工程建立监理、工程工程建立技术咨询、效劳。企业职工人数34人有职称理人员高工工程师助工注册监理工程师18人16人16人主要检测设备序名称数量备注1经纬仪12水准仪13千分尺14塌落度筒55激光测距仪6近3年来监理的主要工程情况一览表工程名称建立建立规模构造类型开开工质1、抚西河口住宅综合楼7821.6㎡矿务成功房地产开发2004.9.~2005.72、风翔路构件住宅14#楼3400㎡构件房屋开发2005..4~2005.9优3二建宿舍、俱乐部改造15000㎡建业房地产开发2004..~2005、7优4丽园小区2#楼7000㎡顺城区前甸镇新北房办2005.4.~2005.11开工5褡裢新苑小区23000㎡东洲房地产开发2004.9~2005.7开工6成功家园住宅小区A#42.7㎡地产房屋开发2004..5~2005.11世纪杯7、城东六方块建工广场37152㎡建工房地产开发2005..~2006、7目前正在监理的主要工程情况一览表工程名称建立建立规模构造类型开开工质量到达45000m2框架、砖2005.5~优良混2021.13000m2框架2006.11~已报优砖混2006.9~2021已报优26000m2砖混2006.6~2021优良工程总监理工程师表李维国性别年龄46总监级别职称高工是否为注册监理总工程师是参加工作时间1982年从事监理工作年限6年已完成工程工程情况工程名称建立建立规模工程等级开开工日工程质量20000m2砖混2003.5~2003.12优9313m2砖混2003.7~2004.8优33000m2砖混、框架2002.5~2003.8合格45000m2砖混、框架2003.7~2004.10合格主要监理人员表职称专业是否为注册监理工程师主要资历、经历及承当过的工程罗旭工程师工民建注册先后在西五街住宅改造工程、二建俱乐部改造工程、丽园小区、浑河花园、石油学院专家公寓任专业监理工程师、总监代表。闫明辉工程师电气注册先后在石油学院专家公寓、中油八建住宅楼、顺智软件园、浑河雅居、恒华家园、抚顺工商等担任专业监理工程师。曹丽晔工程师水暖注册先后在西五街住宅改造、凤翔新区、浑河花园、成功家园、石油学院专家公寓、恒华家园、珲春路住宅改造等工程担任专业监理工程师表3-2-2主要检测设备表名称型数量备注接地电阻测试仪ZC29B――11绝缘电阻表ZC25――31标卡尺0――125mm6水准仪S31经纬仪J61卷尺5m15第一章工程概况北怡家园二标段D#E#F#G#住宅工程位于铁北二标段建筑面积为14616.75m2砖混构造。第二章监理工作的根据、目的、范围2.1监理工作的根据##及有关建立主部门的建立法规和规定;2.2监理工作的目的2.3监理工作范围本工程监理范围与土建、采暖、电气〔含、有线、宽带网件预埋〕室内给、排水及煤气等施工监理负责施工过程的质量、进度、控制合同、信息理、平安理、文明施工处理与施工合同...

1、当您付费下载文档后,您只拥有了使用权限,并不意味着购买了版权,文档只能用于自身使用,不得用于其他商业用途(如 [转卖]进行直接盈利或[编辑后售卖]进行间接盈利)。
2、本站所有内容均由合作方或网友上传,本站不对文档的完整性、权威性及其观点立场正确性做任何保证或承诺!文档内容仅供研究参考,付费前请自行鉴别。
3、如文档内容存在违规,或者侵犯商业秘密、侵犯著作权等,请点击“违规举报”。

碎片内容

北怡家园住宅工程投标书

您可能关注的文档

确认删除?
VIP
微信客服
  • 扫码咨询
会员Q群
  • 会员专属群点击这里加入QQ群
客服邮箱
回到顶部