电脑桌面
添加小米粒文库到电脑桌面
安装后可以在桌面快捷访问

预应力实心整间大楼板安装交底记录VIP免费

预应力实心整间大楼板安装交底记录_第1页
1/6
预应力实心整间大楼板安装交底记录_第2页
2/6
预应力实心整间大楼板安装交底记录_第3页
3/6
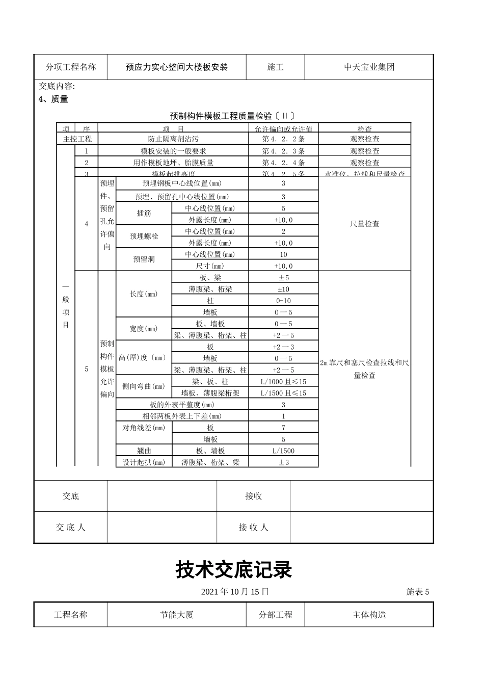
技术交底记录2021年10月15日施表5工程名称节能大厦分部工程主体构造分项工程名称预应力实心整间大楼板安装施工中天宝业集团交底内容:1、根据:?建筑工程施工质量验收统一?GB50300-2001?钢筋混凝土构造工程施工质量验收?GB50204-2002?高层建筑混凝土技术规程?JGJ3-2002?普通混凝土配合比设计规程?JGJ55-2000?砌筑砂浆配合比设计规程?JGJ98-2000?普通混凝土用砂质量及检验?JGJ52-92?普通混凝土用碎石和卵石质量及检验?GJ53-92?混凝土外加剂应用技术?GBJ119-882、施工准备2.1材料及主要机具:2.1.1大楼板:无裂纹、翘曲等缺陷。应有构件出厂合格证。2.1.2水泥:标为425硅酸盐水泥、普通硅酸盐水泥、矿渣硅酸盐水泥。应有出厂合格证按规定做复试。2.1.3砂:中砂。2.1.4主要工具:钢筋板子、撬棍、套、钢支撑、100mm×100mm木方等。2.2作业条件:2.2.1按现场施工平面图要求将堆放场地修理平整夯实第一块大板下面放置通长垫木每块板间垫短垫木。当大楼板板宽≤3170mm时垫木长400mm板宽为3770mm时垫木长500mm。垫木厚≥50mm垫木平行板长边放置。见图4-41。垫木要上下对齐垫平垫实不得有一角脱空现象。每垛堆放最多为9块。大楼板运输时在车上堆放情况也应与此一样。2.2.2检查大楼板是否有出厂合格证。然后对大楼板外观质量进展检查凡不符合质量要求的不得使用交底接收交底人接收人技术交底记录2021年10月15日施表5工程名称节能大厦分部工程主体构造分项工程名称预应力实心整间大楼板安装施工中天宝业集团交底内容:如大楼板板面或凸键有裂纹或损坏的均不得使用。2.2.3检查墙体轴线及标高对照吊装图核对大楼板型、规格。查清大楼板上洞口方向与图纸是否一样。2.2.4修理现浇混凝土墙体高度墙体高度应低于板底标高10~20mm如混凝土墙体高度低时应补混凝土找平;如混凝土墙体高出板底标高时应剔凿以保证楼板上外表标高符合要求。墙体轴线偏移过多应进展调整以保证大楼板搭墙长度符合要求。3、操作工艺3.1工艺流程:抹砂浆找平层或硬架支模→吊装大楼板→调整板位置→整理绑扎钢筋。3.2抹砂浆找平层或硬架支模:安装大楼板之前根据墙体混凝土标高在墙顶抹找平层找平层水泥砂浆配合比为1﹕3。如采用硬架支模时墙顶混凝土标高应下降1~2cm。3.3吊装大楼板:吊装前首先查清大楼板洞口位置〔包括暖卫、煤气、电器线洞口〕及大楼板方向标志;再对照设计图纸查清每个房间所用大楼板的型是否正确。安装时板端对准墙身缓缓下降落稳后再脱钩。3.4调整板位置:调整好大楼板四边搭接长度使其符合设计要求然后将相邻两块板的6φ12拉结筋互相焊接焊缝长度应≥90mm焊接质量应符合焊接规程的规定。3.5整理绑扎钢筋:伸出板四周的预应力钢筋弯成圆弧状锚在板缝、圈梁或墙体中不得直弯硬拐作法见图4-42。内横墙厚d1内纵墙厚d2在横墙上a在纵墙上b在山墙上c多层14016051015高层160160151015图4-42交底接收交底人接收人技术交底记录2021年10月15日施表5工程名称节能大厦分部工程主体构造分项工程名称预应力实心整间大楼板安装施工中天宝业集团交底内容:4、质量预制构件模板工程质量检验〔Ⅱ〕项序项目允许偏向或允许值检查主控工程防止隔离剂沾污第4.2.2条观察检查—般项目l模板安装的一般要求第4.2.3条观察检查2用作模板地坪、胎膜质量第4.2.4条观察检查3模板起拱高度第4.2.5条水准仪、拉线和尺量检查4预埋件、预留孔允许偏向预埋钢板中心线位置(mm)3尺量检查预埋、预留孔中心线位置(mm)3插筋中心线位置(mm)5外露长度(mm)+10,0预埋螺栓中心线位置(mm)2外露长度(mm)+10,0预留洞中心线位置(mm)10尺寸(mm)+10,05预制构件模板允许偏向长度(mm)板、梁±52m靠尺和塞尺检查拉线和尺量检查薄腹梁、桁梁±10柱0-10墙板O一5宽度(mm)板、墙板0一5梁、薄腹梁、桁架、柱+2一5高(厚)度〔mm〕板+2一3墙板0一5梁、薄腹梁、桁架、柱+2一5侧向弯曲(mm)梁、板、柱L/l000且≤15墙板、薄腹梁桁架L/1500且≤15板的外表平整度(mm)3相邻两板外表上下差(mm)1对角线差(mm)板7墙板5翘曲板、墙板L/1500设计起拱(mm)薄腹梁、桁架、梁±3交底接收交底人接收人技术交底记录2021年10月15日施表5工程名称节能大厦分部工程主体构造分项工程...

1、当您付费下载文档后,您只拥有了使用权限,并不意味着购买了版权,文档只能用于自身使用,不得用于其他商业用途(如 [转卖]进行直接盈利或[编辑后售卖]进行间接盈利)。
2、本站所有内容均由合作方或网友上传,本站不对文档的完整性、权威性及其观点立场正确性做任何保证或承诺!文档内容仅供研究参考,付费前请自行鉴别。
3、如文档内容存在违规,或者侵犯商业秘密、侵犯著作权等,请点击“违规举报”。

碎片内容

预应力实心整间大楼板安装交底记录

您可能关注的文档

确认删除?
VIP
微信客服
  • 扫码咨询
会员Q群
  • 会员专属群点击这里加入QQ群
客服邮箱
回到顶部