电脑桌面
添加小米粒文库到电脑桌面
安装后可以在桌面快捷访问

基于单片机的电梯模型控制VIP免费

基于单片机的电梯模型控制_第1页
1/37
基于单片机的电梯模型控制_第2页
2/37
基于单片机的电梯模型控制_第3页
3/37
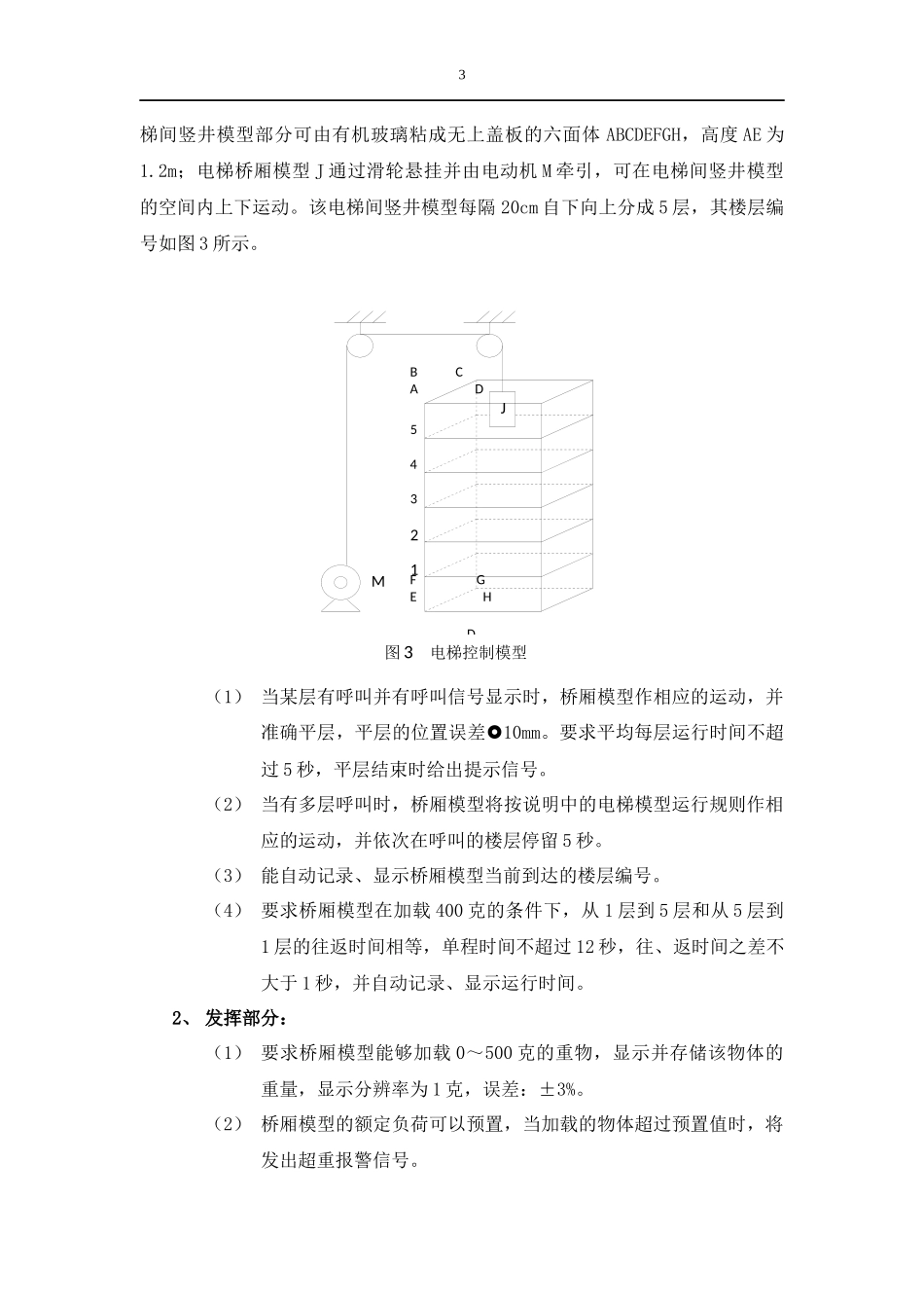
112-13学年第一学期开放性实验项目题目:电梯控制模型院系名称:信息科学与工程专业班级:电信10012学生姓名:姜莉莉学号:201046830130指导教师:王伟生教师职称:讲师实训地点:创新实验室地点:31520《电梯控制模型》任务书一、设计任务设计并制作一个电梯控制模型。示意图如图3所示。二、设计要求:1、基本要求:电开放性实验成绩教师签名:年月日2BCAD345FGEHDJ1M图3电梯控制模型3梯间竖井模型部分可由有机玻璃粘成无上盖板的六面体ABCDEFGH,高度AE为1.2m;电梯桥厢模型J通过滑轮悬挂并由电动机M牵引,可在电梯间竖井模型的空间内上下运动。该电梯间竖井模型每隔20cm自下向上分成5层,其楼层编号如图3所示。(1)当某层有呼叫并有呼叫信号显示时,桥厢模型作相应的运动,并准确平层,平层的位置误差10mm。要求平均每层运行时间不超过5秒,平层结束时给出提示信号。(2)当有多层呼叫时,桥厢模型将按说明中的电梯模型运行规则作相应的运动,并依次在呼叫的楼层停留5秒。(3)能自动记录、显示桥厢模型当前到达的楼层编号。(4)要求桥厢模型在加载400克的条件下,从1层到5层和从5层到1层的往返时间相等,单程时间不超过12秒,往、返时间之差不大于1秒,并自动记录、显示运行时间。2、发挥部分:(1)要求桥厢模型能够加载0~500克的重物,显示并存储该物体的重量,显示分辨率为1克,误差:±3%。(2)桥厢模型的额定负荷可以预置,当加载的物体超过预置值时,将发出超重报警信号。AJ2345B1MJ图4简化控制模型4(3)增设模拟桥厢内表示乘客欲到达层数的按钮,桥厢模型将按照电梯模型运行规则作相应的运动。(4)其它。三、评分标准项目满分基本要求设计与总结报告:方案比较、设计与论证,理论分析与计算,电路图及有关设计文件,测试方法与仪器,测试数据及测试结果分析。50实际制作完成情况50发挥部分完成第(1)项20完成第(2)项5完成第(3)项15完成第(4)项10四、其他说明a)控制电机类型不限,其安装位置及安装方式自定。b)电梯竖井间部分也可简化,由一垂直平面代替,如图4所示。c)平层的要求是以桥厢模型J的底平面(或自定标志)与表示楼层的标志线平齐。5d)要求平层过程中桥厢模型J移动方向保持不变。e)关于电梯模型运行规则的说明:1)电梯有两种类型的按钮:第一种为各楼层上的“向上”、“向下”按钮;第二种为电梯桥厢内表示要到达楼层编号的数字按钮。实际制作时,按钮的安装位置不作任何限制。2)各按钮呼叫时应有指示灯显示,电梯响应该按钮的呼叫后,其指示灯应自动熄灭。3)电梯运行时响应按钮的优先顺序如下:方向优先:电梯按某方向运行时,优先响应该运行方向的按钮;距离优先:同一方向有多个按钮呼叫时,优先响应最近的楼层。6摘要本文介绍了基于单片机的电梯控制系统,硬件部分主要由单片机最小系统模块、电源设计模块、楼层检测模块、电动机驱动模块、LED显示模块、报警模块等7部分组成。该系统采用单片机(89C52)作为控制核心,内外招使用按键按下与否而引起的电平的改变,作为用户请求信息发送到单片机,单片机控制电动机转动,单片机根据楼层检测结果控制电机停在目标楼层。楼层检测使用光电传感器,电动机控制部分采用直流电动机和L297和L298芯片驱动。软件部分使用汇编语言,利用中断方式来检测用户请求的按键信息,根据电梯运行到相应楼层时,光电传感器产生电平变化,送到单片机计数来确定楼层数,并送到数码管进行显示。硬件设计简单可靠,结合软件,基本实现了五层电梯运行的模拟。关键词:单片机、电梯控制系统、传感器、LED显示。7目录目录一、引言1.1设计的主要内容1.2设计思路二、硬件电路设计2.1单片机系统…………………………………………………………………112.2系统显示电路2.3键盘操作电路2.4电动机控制模块……………………………………………………………152.5与称重系统的接口设计……………………………………………………162.6时钟电路的设计…………………………………………………………162.7复位设计…………………………………………………………………172.8单片机与步进电动机使用的电源设计………………………...

1、当您付费下载文档后,您只拥有了使用权限,并不意味着购买了版权,文档只能用于自身使用,不得用于其他商业用途(如 [转卖]进行直接盈利或[编辑后售卖]进行间接盈利)。
2、本站所有内容均由合作方或网友上传,本站不对文档的完整性、权威性及其观点立场正确性做任何保证或承诺!文档内容仅供研究参考,付费前请自行鉴别。
3、如文档内容存在违规,或者侵犯商业秘密、侵犯著作权等,请点击“违规举报”。

碎片内容

基于单片机的电梯模型控制

文章天下+ 关注
实名认证
内容提供者

各种文档应有尽有

相关文档

确认删除?
VIP
微信客服
  • 扫码咨询
会员Q群
  • 会员专属群点击这里加入QQ群
客服邮箱
回到顶部