电脑桌面
添加小米粒文库到电脑桌面
安装后可以在桌面快捷访问

国内外汽油标准对比VIP免费

国内外汽油标准对比_第1页
1/5
国内外汽油标准对比_第2页
2/5
国内外汽油标准对比_第3页
3/5
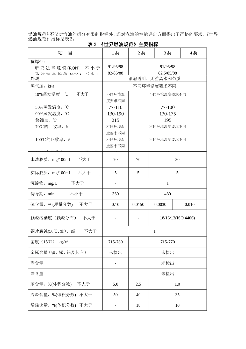
我国汽油标准与国外汽油标准的对比目前国际上较为先进的汽油质量标准分为美、欧、日、《世界燃油规范》四大标准体系。其中,欧盟汽油标准和《世界燃油规范》最具影响力,被许多国家引用。1.欧盟汽油标准EN228汽油质量标准是欧洲统一实施的汽油标准。EN228标准主要由两部分组成,第一部分限定了密度、辛烷值以及硫含量、苯含量等指标的最大值。第二部分根据气候和季节将汽油的挥发性划分成不同的等级,分别执行。由于欧洲国家较多,具体情况差别较大,因此欧洲一些先进国家在满足欧洲统一法规的大前提下,又制定了符合自己国情的实施标准。为了进一步降低汽车污染物的排放,EN228-2002汽油质量标准(与欧Ⅲ排放法规相对应),将汽油硫含量降到150µg/g、芳烃含量降到42%、要求苯含量不大于1.0%,铅含量不大于5mg/L,并对各种氧化物的含量加以限制。2005年,欧洲将开始执行欧Ⅳ排放标准,将清洁汽油中的硫含量降为50µg/g,芳烃、苯、烯烃含量分别降为35%、1.0%和18%。2007年10月1日起推行无硫汽油(欧Ⅴ排放标准),使硫含量低于10µg/g,并出台了EN228-2008汽油质量标准,于2009年1月1日开始强制执行,该标准为最新的欧盟汽油标准。欧盟汽油规格主要指标的变化见表1。表1欧盟汽油规格主要指标的变化项目1993年1998年2000年2005年2009年汽车排放标准欧I欧II欧III欧IV欧V铅含量,g/L不大于0.0130.0130.005馏程:70℃的回收率,%100℃的回收率,%150℃的回收率,%不小于--不同环境温度要求不同46-7175硫含量,%(质量分数)不大于0.10.050.0150.0050.001苯含量,%(体积分数)不大于551芳烃含量e,%(体积分数)不大于--423535烯烃含量e,%(体积分数)不大于--18氧含量,%(质量分数)不大于2.52.52.7密度(15℃),kg/m3--≯780720-775720-775研究法辛烷值(RON)不小于95959595952.《世界燃油规范》《世界燃油规范》是美国汽车制造商协会(AAMA)、欧洲汽车制造商协会(ACEA)、日本汽车制造商协会(JAMA)根据所属的30个汽车公司的研究成果联合发表的,主要是汽车制造商和发动机制造商针对环保要求,对汽车燃料提出的基本要求。世界燃油规范要求清洁汽油降低硫含量,减少尾气中SOx的排放,抑制尾气转化器中催化剂中毒;降低烯烃含量,避免发动机进油系统和喷嘴堵塞,减少发动机进气阀和燃烧室中生成沉积物,减少汽车尾气中1,3-丁二烯的排放,避免汽油辛烷值分布不均;降低苯和芳烃含量,减少致癌物;降低蒸汽压和T90,减少挥发性有机化合物(VOC)、毒物(TOX)的排放;提高辛烷值,提高汽车动力性能,减少污染物的排放。2006年9月,世界燃油规范进行了第四次修订,将无铅汽油标准划分为四类:1类:汽车市场对排放污染控制没有或极少要求,主要考虑汽车或发动机本身的技术状况。2类:市场上有严格的排放控制和其它要求。3类:市场上有超前的排放控制要求和其它要求。4类:市场上有更超前的排放控制要求,满足最新汽车复杂的NOX排放后处理控制技术,实现超低排放。《世界燃油规范》不允许汽油中加入含有锰、铅等金属的添加剂,可加入无灰的汽油清净剂,并根据不同的类别对硫、烯烃、芳烃和苯的含量分别加以限制,其中硫含量的下降幅度最大。《世界燃油规范》不仅对汽油的组分有限制指标外,还对汽油的性能评定方面提出了严格的要求。《世界燃油规范》指标见表2。表2《世界燃油规范》主要指标项目1类2类3类4类抗爆性:研究法辛烷值(RON)不小于马达法辛烷值MON)不小于91/95/9882/85/8891/95/9882.5/85/88外观清澈透明,无游离水和杂质蒸气压,kPa不同环境温度要求不同10%蒸发温度,℃不大于50%蒸发温度,℃90%蒸发温度,℃终馏点,℃,70℃的回收率,%100℃的回收率,%180℃的回收率,%不小于不同环境温度要求不同77-110130-190215不同环境温度要求不同不同环境温度要求不同85不同环境温度要求不同77-100130-175195不同环境温度要求不同不同环境温度要求不同90未洗胶质,mg/100mL不大于707030实际胶质,mg/100mL不大于555沉淀物,mg/L不大于-1诱导期,min不小于360480硫含量,%(质量分数)不大于0.100.01500.00300.010颗粒污染度(颗粒分布)不大于--18/16/13(ISO4406)铜片腐蚀(50℃,3h),级不大于1密...

1、当您付费下载文档后,您只拥有了使用权限,并不意味着购买了版权,文档只能用于自身使用,不得用于其他商业用途(如 [转卖]进行直接盈利或[编辑后售卖]进行间接盈利)。
2、本站所有内容均由合作方或网友上传,本站不对文档的完整性、权威性及其观点立场正确性做任何保证或承诺!文档内容仅供研究参考,付费前请自行鉴别。
3、如文档内容存在违规,或者侵犯商业秘密、侵犯著作权等,请点击“违规举报”。

碎片内容

国内外汽油标准对比

您可能关注的文档

确认删除?
VIP
微信客服
  • 扫码咨询
会员Q群
  • 会员专属群点击这里加入QQ群
客服邮箱
回到顶部