电脑桌面
添加小米粒文库到电脑桌面
安装后可以在桌面快捷访问

基桩声波透射法检测报告VIP专享VIP免费

基桩声波透射法检测报告_第1页
1/7
基桩声波透射法检测报告_第2页
2/7
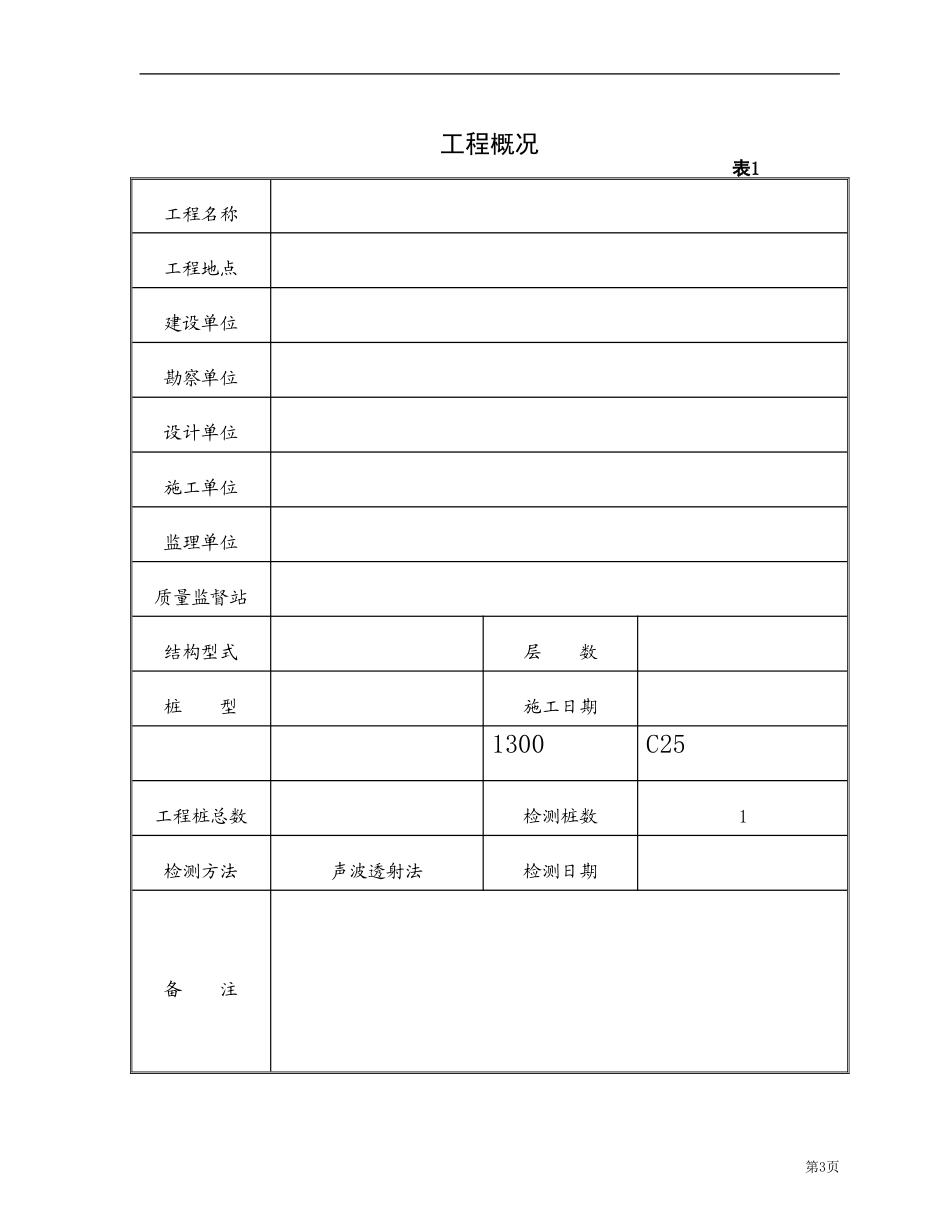
基桩声波透射法检测报告_第3页
3/7
基桩声波透射法试验检测报告工程名称:工程地点:委托单位:检测日期:报告页数:报告编号:XXX基桩声波透射法检测报告报告编号:xxx检测人员:报告编写:报告审查:项目负责人:报告签发:注:1.本报告内封面盖有“报告专用章”“湖南省基桩检测专用章”;2.本报告检测结果表盖有“报告专用章”;3.对本报告若有异议,请于收到报告之日起十五日内向本公司提出。检测单位地址:xxxx邮政编码:410007电话:0731-2961037第2页工程概况表1工程名称工程地点建设单位勘察单位设计单位施工单位监理单位质量监督站结构型式层数桩型施工日期1300C25工程桩总数检测桩数1检测方法声波透射法检测日期备注第3页一、检测仪器设备、基本原理和标准1、仪器设备检测仪器设备采用北京智博联科技有限公司生产的ZBL-U520非金属超声检测仪、双孔式换能器(Φ25)等。检测仪器设备及现场联接如图1。图1桩基础超声波试验示意图2、基本原理超声波透射法检测桩身结构完整性的基本原理是:由超声脉冲发射源在砼内激发高频弹性脉冲波,并用高精度的接收系统记录该脉冲波在砼内传播过程中表现的波动特征;当砼内存在不连续或破损界面时,缺陷面形成波阻抗界面,波到达该界面时,产生波的透射和反射,使接收到的透射能量明显降低;当砼内存在松散、蜂窝、孔洞等严重缺陷时,将产生波的散射和绕射;根据波的初至到达时间和波的能量衰减特征、频率变化及波形畸变程度等特性,可以获得测区范围内砼的密实度参数。测试记录不同侧面、不同高度上的超声波动特征,经过处理分析就能判别测区内砼的参考强度和内部存在缺陷的性质、大小及空间位置。在基桩施工前,根据桩直径的大小预埋一定数量的声测管,作为换能器的通道。测试时每两根声测管为一组,通过水的耦合,超声脉冲信号从一根声测管中的换能器发射出去,在另一根声测管中的声测管接收信号,超声仪测定有关参数并采集记录储存。换能器由桩底同时往上依次检测,遍及各个截面。第4页3、检测标准JGJ106-2014二、成桩情况根据委托单位提供的设计及施工资料,各检测桩的情况见表2,本报告中桩号按设计图纸编写,工程地质情况详见勘察单位提供的勘察报告。检测桩的设计施工资料表2桩号桩径(mm)施工桩长(m)桩顶标高(m)桩砼浇灌日期砼设计强度等级单桩承载力设计值(kN)检测日期2008-04-16C252008-04-16三、检测数据的处理与判定1、检测数据统计分析参量①声速(幅值、频率)测量值的平均值:②声速(幅值、频率)测量值的标准差:③声速(幅值、频率)测量值的离差系数:2、声参量异常临界值:①声速异常临界值:②波幅异常临界值:③异常判定值:=根据以上判据,并综合接收波形的畸变以及主频漂移等多种因素,分析桩身完整性及缺陷性质。3、根据声参量检测结果,将桩身的完整性按四类划分:第5页一类桩:各检测剖面的声学参数均无异常,无声速低于低限值异常;二类桩:某一检测剖面个别测点的声学参数出现异常,无声速低于低限值异常;三类桩:某一检测剖面连续多个测点的声学参数出现异常;两个或两个以上检测剖面在同一深度测点的声学参数出现异常;局部混凝土声速出现低于低限值异常;四类桩:某一检测剖面连续多个测点的声学参数出现异常;两个或两个以上检测剖面在同一深度测点的声学参数出现明显异常;桩身混凝土声速出现普遍低于低限值异常或无法检测首波或声波接收信号严重畸变;四、检测结果各桩检测结果见表3,实测数据曲线图见附图表。桩身质量完整性检测结果表表3桩号桩径(mm)剖面管距(mm)实测桩长(m)平均声速(km/s)声速异常判定值(km/s)声速标准差声速离散系数匀质性等级桩身主要缺陷描述桩身质量评价9Z13001-379023.504.6264.3440.1200.0260.0480.036A检测范围内完整Ⅲ类2-37503.9963.5440.190A检测范围内完整1-28404.4164.0390.158A检测范围第6页内完整注:声测管编号见图2所示,声测管编号以正北方向顺时针开始第一根管为A。五、检测结论本次共对1根桩基完整性进行了检测,其中:Ⅰ类桩共0根,占所测桩数0.00%;Ⅱ类桩共0根,占所测桩数0.00%;Ⅲ类桩共1根,占所测桩数100.00%;Ⅳ类桩共0根,占所测桩数0.00%。说明:1、桩基剖面编号1-2、1-3、2-3分别对应A-B、A-C、B-C。六、附图表:实测曲线图**张;第7页

1、当您付费下载文档后,您只拥有了使用权限,并不意味着购买了版权,文档只能用于自身使用,不得用于其他商业用途(如 [转卖]进行直接盈利或[编辑后售卖]进行间接盈利)。
2、本站所有内容均由合作方或网友上传,本站不对文档的完整性、权威性及其观点立场正确性做任何保证或承诺!文档内容仅供研究参考,付费前请自行鉴别。
3、如文档内容存在违规,或者侵犯商业秘密、侵犯著作权等,请点击“违规举报”。

碎片内容

基桩声波透射法检测报告

确认删除?
VIP
微信客服
  • 扫码咨询
会员Q群
  • 会员专属群点击这里加入QQ群
客服邮箱
回到顶部