电脑桌面
添加小米粒文库到电脑桌面
安装后可以在桌面快捷访问

云南省保山曙光学校高三化学《323铁的重要化合物》教学设计VIP免费

云南省保山曙光学校高三化学《323铁的重要化合物》教学设计_第1页
1/4
云南省保山曙光学校高三化学《323铁的重要化合物》教学设计_第2页
2/4
云南省保山曙光学校高三化学《323铁的重要化合物》教学设计_第3页
3/4
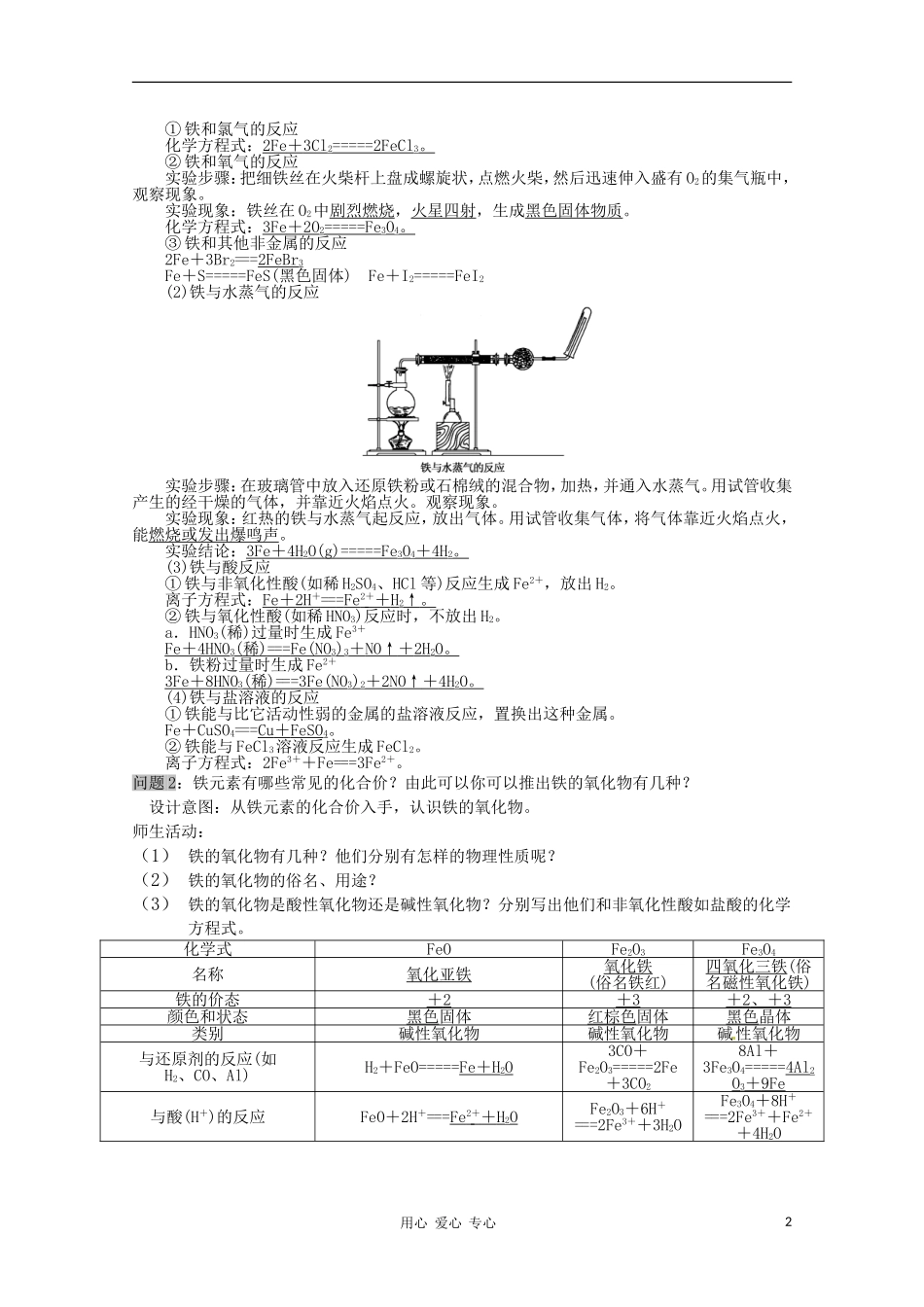
第二节几种重要的金属化合物第三课时铁的重要化合物【内容与解析】(一)内容:氧化铁的性质;氢氧化铁的性质;氢氧化亚铁的性质。(二)解析:本节课要学的内容铁的重要氧化物;指的是氧化铁的性质和氢氧化铁、氢氧化亚铁的性质,其关键是。理解它关键要了解铁元素有+2、+3和0三个价态,所以处于中间价态的Fe2+的化合物不稳定,很容易被氧化剂氧化;同样,位于最高价态的Fe3+也可以被还原剂还原;所以,根据铁元素的这三个价态,可以实现Fe2+、Fe3+的相互转化。学生已经学过钠的重要化合物和铝的重要化合物,所以对金属化合物的知识有一定的基础,本节课的内容铁的重要化合物就是对金属化合物知识的完善。本节的教学重点是氢氧化亚铁的性质、Fe2+、Fe3+的相互转化和Fe3+的检验。解决重点的关键是要从从铁元素的化合价和氧化还原反应的知识来分析铁的化合物的性质和实现Fe2+、Fe3+的相互转化。【教学目标与解析】教学目标(1)了解FeO、Fe2O3、Fe3O4的性质和应用;(2)掌握氢氧化铁、氢氧化亚铁的性质;(3)掌握Fe2+、Fe3+的检验方法和相互转化。目标解析:(1)了解FeO、Fe2O3、Fe3O4的性质和应用;就是要了解铁的这三种氧化物的物理性质和他们在生活中的用途,掌握他们和非氧化性酸如盐酸反应的化学方程式。(2)掌握氢氧化铁、氢氧化亚铁的性质;就是要掌握氢氧化亚铁和氢氧化铁的制取,反应实验现象的正确描述,了解氢氧化亚铁的制备时难溶物颜色变化的原因,能正确书写氢氧化亚铁转化的化学方程式。(3)掌握Fe2+、Fe3+的检验方法和相互转化;就是要能根据Fe2+、Fe3+的化合价和氧化还原反应的知识入手,掌握Fe2+、Fe3+的相互转化。掌握Fe2+、Fe3+的检验方法。【问题诊断分析】在本节的教学中,学生可能对氧化还原反应的知识理解和应用能力还不是很熟悉,所以,在Fe2+、Fe3+的相互转化这知识点上可能会有点乱。所以在讲解这一知识点时可以先复习一下氧化还原反应的有关知识。【教学支持条件分析】在本节课的教学中,使用暴风影音播放“氢氧化铁、氢氧化亚铁的制取”“Fe2+、Fe3+的相互转化”“Fe2+、Fe3+的检验”的实验视频,因为在传统教学中,实验只能是教师演示(目前尚未具备学生实验的条件),教师演示又不利于全体同学观察。为弥补此缺陷,使用暴风影音等媒体播放器播放这些实验的实验视频。【教学过程】问题1:从元素周期表认识铁的结构和性质?1.铁的原子结构和物理性质(1)铁的原子结构特点铁位于元素周期表中的第四周期,第Ⅷ族。Fe的原子序数是26,其原子结构示意图为。铁为变价金属,通常显+2和+3价。(2)铁的物理性质纯净的铁是光亮的银白色金属,密度较大,熔、沸点较高,纯铁的抗腐蚀性强,有较好的导电、导热、延展性。铁能被磁铁吸引。2.铁的化学性质(1)铁与非金属的反应用心爱心专心1①铁和氯气的反应化学方程式:2Fe+3Cl2=====2FeCl3。②铁和氧气的反应实验步骤:把细铁丝在火柴杆上盘成螺旋状,点燃火柴,然后迅速伸入盛有O2的集气瓶中,观察现象。实验现象:铁丝在O2中剧烈燃烧,火星四射,生成黑色固体物质。化学方程式:3Fe+2O2=====Fe3O4。③铁和其他非金属的反应2Fe+3Br2===2FeBr3Fe+S=====FeS(黑色固体)Fe+I2=====FeI2(2)铁与水蒸气的反应实验步骤:在玻璃管中放入还原铁粉或石棉绒的混合物,加热,并通入水蒸气。用试管收集产生的经干燥的气体,并靠近火焰点火。观察现象。实验现象:红热的铁与水蒸气起反应,放出气体。用试管收集气体,将气体靠近火焰点火,能燃烧或发出爆鸣声。实验结论:3Fe+4H2O(g)=====Fe3O4+4H2。(3)铁与酸反应①铁与非氧化性酸(如稀H2SO4、HCl等)反应生成Fe2+,放出H2。离子方程式:Fe+2H+===Fe2++H2↑。②铁与氧化性酸(如稀HNO3)反应时,不放出H2。a.HNO3(稀)过量时生成Fe3+Fe+4HNO3(稀)===Fe(NO3)3+NO↑+2H2O。b.铁粉过量时生成Fe2+3Fe+8HNO3(稀)===3Fe(NO3)2+2NO↑+4H2O。(4)铁与盐溶液的反应①铁能与比它活动性弱的金属的盐溶液反应,置换出这种金属。Fe+CuSO4===Cu+FeSO4。②铁能与FeCl3溶液反应生成FeCl2。离子方程式:2Fe3++Fe===3Fe2+。问题2:铁元素有哪些常见的化合价?由此可以...

1、当您付费下载文档后,您只拥有了使用权限,并不意味着购买了版权,文档只能用于自身使用,不得用于其他商业用途(如 [转卖]进行直接盈利或[编辑后售卖]进行间接盈利)。
2、本站所有内容均由合作方或网友上传,本站不对文档的完整性、权威性及其观点立场正确性做任何保证或承诺!文档内容仅供研究参考,付费前请自行鉴别。
3、如文档内容存在违规,或者侵犯商业秘密、侵犯著作权等,请点击“违规举报”。

碎片内容

云南省保山曙光学校高三化学《323铁的重要化合物》教学设计

您可能关注的文档

确认删除?
VIP
微信客服
  • 扫码咨询
会员Q群
  • 会员专属群点击这里加入QQ群
客服邮箱
回到顶部