电脑桌面
添加小米粒文库到电脑桌面
安装后可以在桌面快捷访问

声光调制实验VIP免费

声光调制实验_第1页
1/10
声光调制实验_第2页
2/10
声光调制实验_第3页
3/10
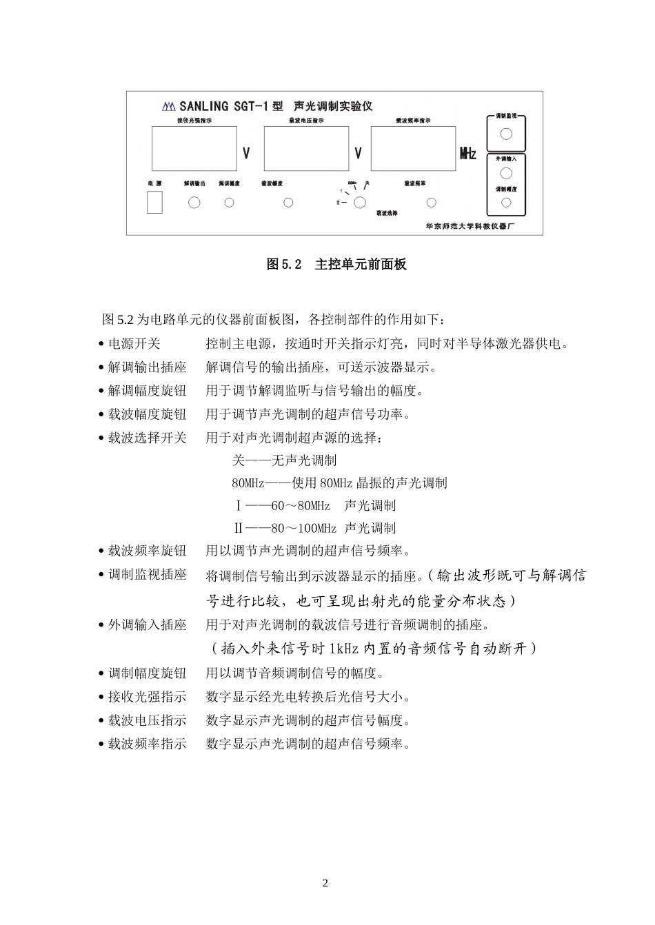
声光调制实验【实验目的】1、了解声光调制实验原理;2、研究声场与光场相互作用的物理过程;3、测量声光效应的幅度特性和偏转特性。【实验仪器及装置】声光调制实验仪(半导体激光器、声光调制晶体、光电接收等)、示波器。图5.1所示为声光调制实验仪的结构框图。由图可见,声光调制实验系统由光路与电路两大单元组成。图5.1声光调制实验系统框图一、光路系统由激光管(L)、声光调制晶体(AOM)与光电接收(R)、CCD接收等单元组装在精密光具座上,构成声光调制仪的光路系统。注:本系统仅提供半导体激光管(包含电源)作为光源,如使用氦氖激光管或其他激光源时,需另配置其它配套电源。二、电路系统除光电转换接收部件外,其余电路单元全部组装在同一主控单元之中。1图5.2主控单元前面板图5.2为电路单元的仪器前面板图,各控制部件的作用如下:电源开关控制主电源,按通时开关指示灯亮,同时对半导体激光器供电。解调输出插座解调信号的输出插座,可送示波器显示。解调幅度旋钮用于调节解调监听与信号输出的幅度。载波幅度旋钮用于调节声光调制的超声信号功率。载波选择开关用于对声光调制超声源的选择:关——无声光调制80MHz——使用80MHz晶振的声光调制Ⅰ——60~80MHz声光调制Ⅱ——80~100MHz声光调制载波频率旋钮用以调节声光调制的超声信号频率。调制监视插座将调制信号输出到示波器显示的插座。(输出波形既可与解调信号进行比较,也可呈现出射光的能量分布状态)外调输入插座用于对声光调制的载波信号进行音频调制的插座。(插入外来信号时1kHz内置的音频信号自动断开)调制幅度旋钮用以调节音频调制信号的幅度。接收光强指示数字显示经光电转换后光信号大小。载波电压指示数字显示声光调制的超声信号幅度。载波频率指示数字显示声光调制的超声信号频率。2图5.3控制单元后面板图5.3为电路单元的仪器后面板图,板面各插座的功能如下:交流电源右侧下部为标准三芯电源插座,用以连接220V交流市电,插座上方系保护电源用的熔丝。至接收器与光电接收器连接的接口插座。载波输出输出超声功率至声光调制器的插座。激光器电源供半导体激光器用的电源输出插座。解调监听直接送有源扬声器发声的输出插座。三、系统连接1、光源将半导体激光器电源线缆插入主控单元后面板的“激光器电源”插座中。(如使用He-Ne激光管,需自配电源,且其输出直流高压务必按正负极性正确连接)2、声光调制由声光调制器的BNC插座引出的同轴电缆插入主控单元后面板的“载波输出”插座上。3、光电接收将光电接收部件(位于光具座末端)的多芯电缆连接到主控单元后面板的“至接收器”航空插座上,以便将光电接收信号送到主控单元。4、解调输出光电接收信号由“解调输出”插座输出,主控单元中的内置信号(或外调输入信号)由“调制监视”插座输出。以上两信号可同时送入双踪示波器显示或进行比较。5、扬声器将有源扬声器插入后面板的“解调监听”插座即可发声,音量由有源扬声器中的音量控制旋钮控制。(音量大小也与“载波幅度”与“解调幅度”旋钮有关)【实验原理】当声波在某些介质中传播时,会随时间与空间的周期性的弹性应变,造成介质密度(或光折射率)的周期变化。介质随超声应变与折射率变化的这一特性,可使光在介质中传播时发生3衍射,从而产生声光效应:存在于超声波中的此类介质可视为一种由声波形成的位相光栅(称为声光栅),其光栅的栅距(光栅常数)即为声波波长。当一束平行光束通过声光介质时,光波就会被该声光栅所衍射而改变光的传播方向,并使光强在空间作重新分布。声光器件由声光介质和换能器两部分组成。前者常用的有钼酸铅(PM)、氧化碲等,后者为由射频压电换能器组成的超声波发生器。如图5.4所示为声光调制原理图。图5.4声光调制的原理理论分析指出,当入射角(入射光与超声波面间的夹角)满足以下条件时,衍射光最强。(5.1)式中N为衍射光的级数,、k分别为入射光的波长和波数,与K分别为超声波的波长和波数。声光衍射主要分为布拉格(Bragg)衍射和喇曼-奈斯(Raman-Nath)衍射两种类型。前者通常声频较高,声光作用程较长;后者则...

1、当您付费下载文档后,您只拥有了使用权限,并不意味着购买了版权,文档只能用于自身使用,不得用于其他商业用途(如 [转卖]进行直接盈利或[编辑后售卖]进行间接盈利)。
2、本站所有内容均由合作方或网友上传,本站不对文档的完整性、权威性及其观点立场正确性做任何保证或承诺!文档内容仅供研究参考,付费前请自行鉴别。
3、如文档内容存在违规,或者侵犯商业秘密、侵犯著作权等,请点击“违规举报”。

碎片内容

声光调制实验

文章天下+ 关注
实名认证
内容提供者

各种文档应有尽有

确认删除?
VIP
微信客服
  • 扫码咨询
会员Q群
  • 会员专属群点击这里加入QQ群
客服邮箱
回到顶部