电脑桌面
添加小米粒文库到电脑桌面
安装后可以在桌面快捷访问

施耐德变频器故障代码说明VIP免费

施耐德变频器故障代码说明_第1页
1/2
施耐德变频器故障代码说明_第2页
2/2
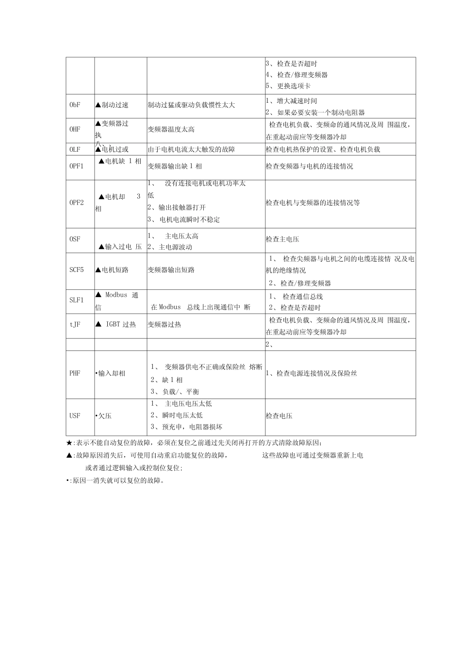
附录5:施耐德变频器故障代码表故障代码故障名称可能故障原因修复措施AnF★负载滑脱编码器速度反馈与给定值不匹配1、检查电机、增益和稳定参数2、添加一个制动电阻器3、检查电机/变频命/负载的大小4、检查编码器的机械连轴器及其连线brF★机械制动故障制动反馈触点与制动逻辑不一致1、检察反馈电路以及制动逻辑电路2、检查制动器的机械状态bUF★制动单元短路1、制动单元的短路输出;2、未连接制动单元。1、检查制动单元与电阻器的连线情况2、检查制动电阻ECF★编码器连线编码器的机械连线器断裂检查编码器的机械连轴器EnF★编码器编码器反馈故障1、检查脉冲数量与编码器类型2、检查编码器的机械部分与电气部分的运行情况,其电源及连线是否止确FCF1★输出接触器未打开虽然已满足打开条件,但输出接触器依保持闭合1、检查接触器及其连线2、检查反馈电路HdF★IGBT去饱和变频器输出短路或接地检查尖频器与电机之间的电缆连接及电机的绝缘情况OCF★过流1、电机控制中参数设置不正确2、惯量或载何太大3、机械锁定1、检查参数2、检查尖频器/电机/负荷的大小3、检查机械装置的状态SCF1★电机短路1、变频器输出短路或接地2、如果几个电机并联,变频器输出有较大的接地泄露电流1、检查尖频器与电机之间的电缆连接情况以及电机的绝缘情况2、减少开关频率3、在电机与变频器间加电机电抗器SCF2★有阻抗短路SCF3★接地短路SOF★超速不稳TE或驱动负载太大1、检查电机、增益和稳定性参数2、添加一个制动电阻器3、检查电机/变频命/负载的大小SPF★速度反馈丢失没有编码器反馈信号1、检查编码器与变频器的连线情况2、检查编码器bLF▲制动控制1、没有达到制动器松开电流2、当制动逻辑控制被分配时,仅调节制动闭合频率阀值(bEn)1、检查尖频器/电机连接情况2、检查电机绕组3、检查[刹车释放电流(正向)](Ibr)与[制动释放电流(反转)](IrD)设置4、应用[刹车闭合频率](bEn)的推存设置CnF▲网络通讯卡上出现通信故障1、检查坏境条件(电磁兼容性)2、检查连线情况3、检查是否超时4、检查/修理变频器5、更换选项卡ObF▲制动过速制动过猛或驱动负载惯性太大1、增大减速时间2、如果必要安装一个制动电阻器OHF▲变频器过执八、、变频器温度太高检查电机负载、变频命的通风情况及周围温度,在重起动前应等变频器冷却OLF▲电机过或由于电机电流太大触发的故障检查电机热保护的设置、检查电机负载OPF1▲电机缺1相变频器输出缺1相检查变频器与电机的连接情况OPF2▲电机却3相1、没有连接电机或电机功率太低2、输出接触器打开3、电机电流瞬时不稳定检查电机与变频器的连接情况等OSF▲输入过电压1、主电压太高2、主电源波动检查主电压SCF5▲电机短路变频器输出短路1、检查尖频器与电机之间的电缆连接情况及电机的绝缘情况2、检查/修理变频器SLF1▲Modbus通信在Modbus总线上出现通信中断1、检查通信总线2、检查是否超时tJF▲IGBT过热变频器过热检查电机负载、变频命的通风情况及周围温度,在重起动前应等变频器冷却2、PHF•输入却相1、变频器供电不正确或保险丝熔断2、缺1相3、负载/、平衡1、检查电源连接情况及保险丝USF•欠压1、主电压电压太低2、瞬时电压太低3、预充申,电阻器损坏检查电压★:表示不能自动复位的故障,必须在复位之前通过先关闭再打开的方式清除故障原因;▲:故障原因消失后,可使用自动重启功能复位的故障,这些故障也可通过变频器重新上电或者通过逻辑输入或控制位复位;•:原因一消失就可以复位的故障。

1、当您付费下载文档后,您只拥有了使用权限,并不意味着购买了版权,文档只能用于自身使用,不得用于其他商业用途(如 [转卖]进行直接盈利或[编辑后售卖]进行间接盈利)。
2、本站所有内容均由合作方或网友上传,本站不对文档的完整性、权威性及其观点立场正确性做任何保证或承诺!文档内容仅供研究参考,付费前请自行鉴别。
3、如文档内容存在违规,或者侵犯商业秘密、侵犯著作权等,请点击“违规举报”。

碎片内容

施耐德变频器故障代码说明

您可能关注的文档

文达天下+ 关注
实名认证
内容提供者

各类试题、文摘、指南、行业规范

确认删除?
VIP
微信客服
  • 扫码咨询
会员Q群
  • 会员专属群点击这里加入QQ群
客服邮箱
回到顶部