电脑桌面
添加小米粒文库到电脑桌面
安装后可以在桌面快捷访问

塔吊事故应急预案(同名8448)VIP免费

塔吊事故应急预案(同名8448)_第1页
1/10
塔吊事故应急预案(同名8448)_第2页
2/10
塔吊事故应急预案(同名8448)_第3页
3/10
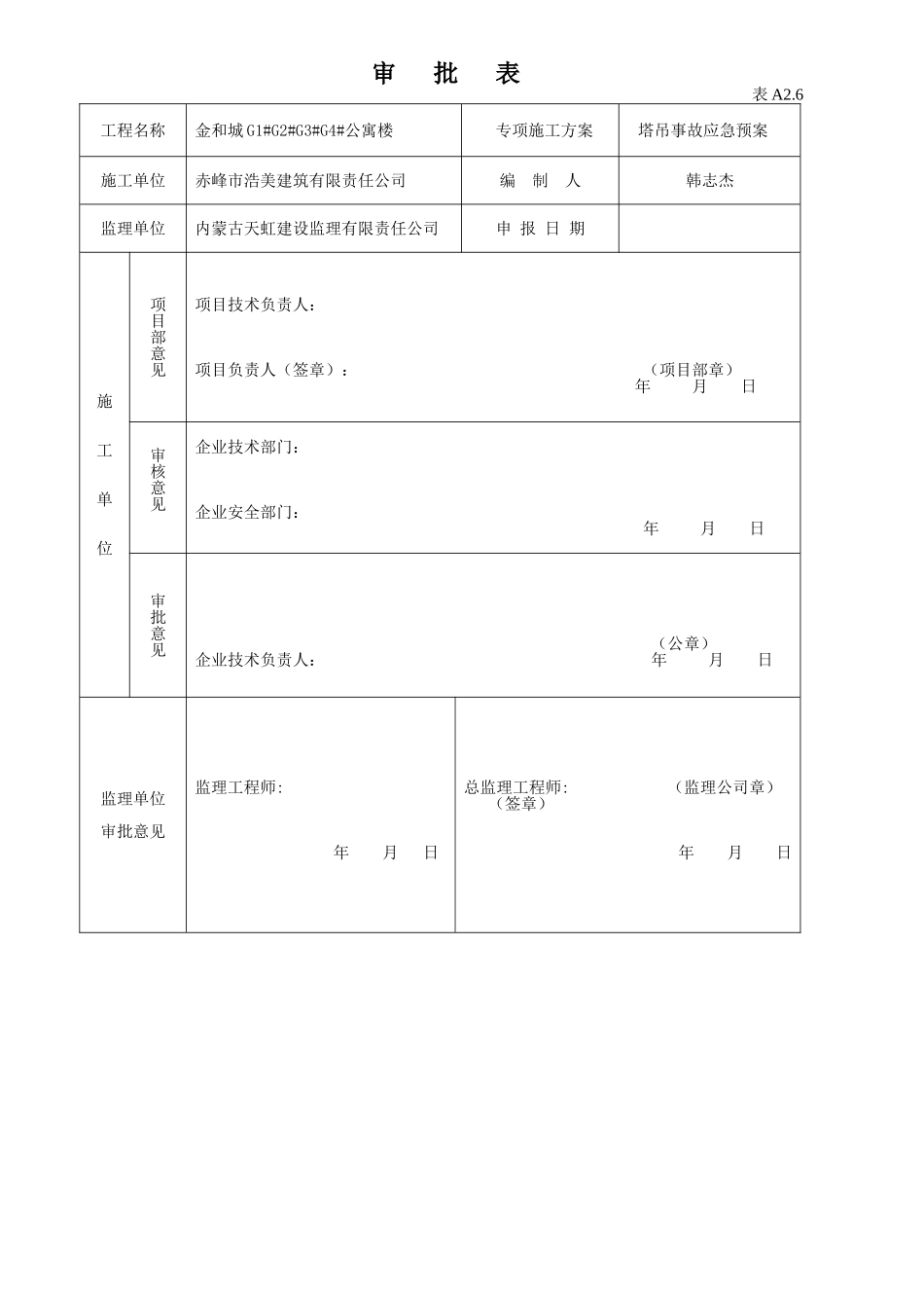
审批表表A2.6工程名称金和城G1#G2#G3#G4#公寓楼专项施工方案塔吊事故应急预案施工单位赤峰市浩美建筑有限责任公司编制人韩志杰监理单位内蒙古天虹建设监理有限责任公司申报日期施工单位项目部意见项目技术负责人:项目负责人(签章):(项目部章)年月日审核意见企业技术部门:企业安全部门:年月日审批意见(公章)企业技术负责人:年月日监理单位审批意见监理工程师:年月日总监理工程师:(监理公司章)(签章)年月日塔事故应急预案建设单位:赤峰航安房地产开发有限公司施工单位:赤峰市浩美建筑有限责任公司监理单位:内蒙古天虹建设监理有限责任公司设计单位:青岛理工大学建筑设计研究院勘察单位;赤峰昊林工程勘察设计有限公司编制日期:二0一七年塔吊事故应急预案一、应急预案的方针与原则更好地适应法律和经济活动的要求;给企业员工的工作和施工场区周围居民提供更好更安全的环境;保证各种应急资源处于良好的备战状态;指导应急行动按计划有序地进行;防止因应急行动组织不力或现场救援工作的无序和混乱而延误事故的应急救援;有效地避免或降低人员伤亡和财产损失;帮助实现应急行动的快速、有序、高效;充分体现应急救援的“应急精神”。坚持“安全第一,预防为主”、“保护人员安全优先,保护环境优先”的方针,贯彻“常备不懈、统一指挥、高效协调、持续改进”的原则。二、应急策划(一)工程概况金和城G1#G2#G3#G4#公寓楼位于赤峰市松山区松洲路西侧,化肥街北侧。建筑面积24598.71m2,建筑高度为G1#为34.2m,G2#为45.4m,G3#为45.4m,G4#为34.2m,建筑层数G1#为地上6层,G2#为地上8层,G3#为地上8层,G4#为地上6层,一层为商厅,二层至顶层为公寓。建筑耐久年限二级(50年),耐火等级为地上为二级,建筑类别二类,抗震设防烈度7度,结构类型框架结构。场地特点:本工程地势平坦,东边公路,南边平房,西边为平房,车辆及人流量较少,北边为糖厂旧址,视野较开阔。因地域限制,施工场地较为紧张。(二)、应急预案工作流程图根据本工程的特点及施工工艺的实际情况,认真的组织了对危险源和环境因素的识别和评价,特制定本项目发生紧急情况或事故的应急措施,开展应急知识教育和应急演练,提高现场操作人员应急能力,减少突发事件造成的损害和不良环境影响。其应急准备和响应工作程序见下图:危险源及环境因素辩识、评价编制应急预案成立抢险领导小组组建抢险队、救护车配备应急物资、设备应急知识教育培训定期评审实施应急预案进行评审、修订未发生发生图1应急准备和响应工作程序图(三)重大事故(危险)发展过程及分析1、塔吊作业中突然安全限位装置失控,发生撞击护栏及相邻塔吊或坠物,或违反安全规程操作,造成重大事故(如倾倒、断臂);2、基坑边坡在外力荷载作用下滑坡倒塌。3、液压升降式脚手架发生部分或整体倒塌及搭拆作业发生人员伤亡事故。4、自然灾害(如雷电、沙尘暴、地震强风、强降雨、暴风雪等)对设施的严重损坏。5、塔吊安装和拆除过程中发生的人员伤亡事故。6、运行中的电气设备故障或线路发生严重漏电。7、其他作业可能发生的重大事故(高处坠落、物体打击、起重伤害、触电等)造成的人员伤亡、财产损失、环境破坏。(四)突发事件风险分析和预防为确保正常施工,预防突发事件以及某些预想不到的、不可抗拒的事件发生,事前有充足的技术措施准备、抢险物资的储备,最大程度地减少人员伤亡、国家财产和经济损失,必须进行风险分析和采取有效的预防措施。1、突发事件、紧急情况及风险分析根据本工程特点,在辩识、分析评价施工中危险因素和风险的基础上,确定本工程重大危险因素是塔吊倾覆、物体打击、高处坠落、触电、火灾等。在工地已采取机电管理、安全管理各种防范措施的基础上,还需要制定塔吊倾覆的应急方案,具体如下:假设塔吊基础坍塌时可能倾翻;假设塔吊的力矩限位失灵,塔吊司机违章作业严重超载吊装,可能造成塔吊倾翻。2、突发事件及风险预防措施从以上风险情况的分析看,如果不采取相应有效的预防措施,不仅给工程施工造成很大影响,而且对施工人员的安全造成威胁。塔式起重机安装、拆除及运行的安全技术要求:a塔式起重机的基础,必须严格按照...

1、当您付费下载文档后,您只拥有了使用权限,并不意味着购买了版权,文档只能用于自身使用,不得用于其他商业用途(如 [转卖]进行直接盈利或[编辑后售卖]进行间接盈利)。
2、本站所有内容均由合作方或网友上传,本站不对文档的完整性、权威性及其观点立场正确性做任何保证或承诺!文档内容仅供研究参考,付费前请自行鉴别。
3、如文档内容存在违规,或者侵犯商业秘密、侵犯著作权等,请点击“违规举报”。

碎片内容

塔吊事故应急预案(同名8448)

确认删除?
VIP
微信客服
  • 扫码咨询
会员Q群
  • 会员专属群点击这里加入QQ群
客服邮箱
回到顶部