电脑桌面
添加小米粒文库到电脑桌面
安装后可以在桌面快捷访问

塑胶场地施工组织设计(1)VIP免费

塑胶场地施工组织设计(1)_第1页
1/19
塑胶场地施工组织设计(1)_第2页
2/19
塑胶场地施工组织设计(1)_第3页
3/19
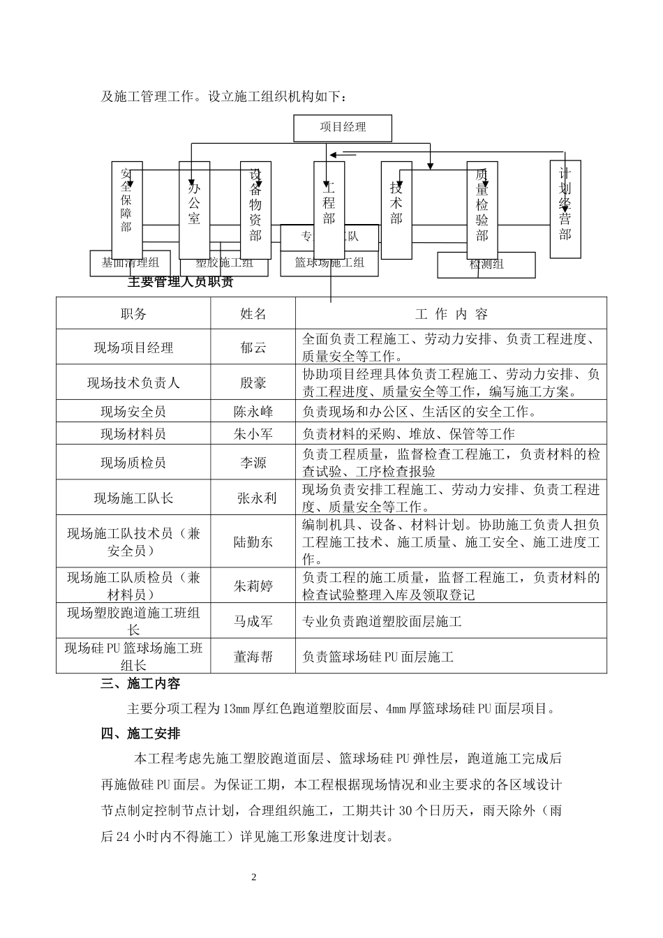
0漕湖学校塑胶跑道及球场专项施工方案中亿丰建设集团有限公司编制日期:2016.5.221塑胶跑道及球场专项施工方案第一章工程概况一、工程概况本工程为苏州市相城经济开发区漕湖新建学校体育场地项目,位于相城区广济路东永昌泾大道南。混合型塑胶面层:约7602平方米硅PU球场:约9360平方米。第二章编制依据塑胶原材料依据《室内装饰装修材料溶剂型木器涂料中有毒有害物质限量》(GB18581-2009)塑胶成品依据《合成材料跑道面层国家标准》GB/T14833-2011第三章施工部署一、总体目标工期目标:30天,计划开、竣工日期:具体以现场进度情况而定。质量目标:符合国家验收合格标准。现场管理目标:我们将对施工现场实行全新的科学化管理,施工现场的安全、保卫、消防、卫生、环保等各项管理目标,均按照苏州市文明安全工地的要求组织落实,确保达到苏州市文明安全工地标准。杜绝一切质量、安全事故,确保工程的安全和施工进度,做好施工现场的清洁卫生和环境保护工作,保证不影响周边单位和居民正常工作秩序。二、组织机构为保证本工程达到优质工程并按期顺利完工,公司对项目经理部的人员进行精选,组织精干、具有理论和施工经验的工程技术人员及参与全面的项目2及施工管理工作。设立施工组织机构如下:主要管理人员职责职务姓名工作内容现场项目经理郁云全面负责工程施工、劳动力安排、负责工程进度、质量安全等工作。现场技术负责人殷豪协助项目经理具体负责工程施工、劳动力安排、负责工程进度、质量安全等工作,编写施工方案。现场安全员陈永峰负责现场和办公区、生活区的安全工作。现场材料员朱小军负责材料的采购、堆放、保管等工作现场质检员李源负责工程质量,监督检查工程施工,负责材料的检查试验、工序检查报验现场施工队长张永利现场负责安排工程施工、劳动力安排、负责工程进度、质量安全等工作。现场施工队技术员(兼安全员)陆勤东编制机具、设备、材料计划。协助施工负责人担负工程施工技术、施工质量、施工安全、施工进度工作。现场施工队质检员(兼材料员)朱莉婷负责工程的施工质量,监督工程施工,负责材料的检查试验整理入库及领取登记现场塑胶跑道施工班组长马成军专业负责跑道塑胶面层施工现场硅PU篮球场施工班组长董海帮负责篮球场硅PU面层施工三、施工内容主要分项工程为13mm厚红色跑道塑胶面层、4mm厚篮球场硅PU面层项目。四、施工安排本工程考虑先施工塑胶跑道面层、篮球场硅PU弹性层,跑道施工完成后再施做硅PU面层。为保证工期,本工程根据现场情况和业主要求的各区域设计节点制定控制节点计划,合理组织施工,工期共计30个日历天,雨天除外(雨后24小时内不得施工)详见施工形象进度计划表。基面清理组塑胶施工组篮球场施工组检测组专业施工队安全保障部办公室设备物资部工程部技术部质量检验部计划经营部项目经理3四、资源配置计划1、劳动力计划本工程计划安排劳动力如下:塑胶跑道施工10-15人,篮球场硅PU面层施工12人,电工1人,辅助工6人。2、机械设备和小型工具配置计划主要施工机械设备和小型工具表序号设备、小型工具规格型号数量状况备注1镘刀100把良好2喷涂机1台良好3搅拌机1台良好4毛刷、滚筒50个良好5钢丝刷20个良好6刮铲20把良好7搬运车2辆良好3、测量仪器配置计划序号设备、仪器名称规格型号数量状况备注1卷尺3m5把良好2靠尺2m2台良好3水分测试仪1台良好4温度测试仪1台良好5湿度测试仪1台良好6平台秤1台良好7水准仪1台良好第四章施工平面部署本工程因其它分项工程基本完成,施工时机械设备和材料尽量堆放在面层需要施工的部位旁边。办公区和生活区利用项目部原土建施工搭设的临时设施。第五章施工准备1、现场交接准备进入现场前,须对现场实况进行交接,如对现场的平面、竖向控制标高与设计要求是否相符进行复验。2、技术准备4组织专业人员学习图纸和进行会审,尽可能把设计图纸上的问题解决在施工之前。3、人员准备专业施工队负责人在开工前进入现场,并带领部分工人,为后续人员进入现场创造条件,为现场施工做好必须的设施搭建,为开工集中人力,做好前期准备。4、施工机械设备准备对需要进场施工机械全部进行检修,使机械设备处于完好待命...

1、当您付费下载文档后,您只拥有了使用权限,并不意味着购买了版权,文档只能用于自身使用,不得用于其他商业用途(如 [转卖]进行直接盈利或[编辑后售卖]进行间接盈利)。
2、本站所有内容均由合作方或网友上传,本站不对文档的完整性、权威性及其观点立场正确性做任何保证或承诺!文档内容仅供研究参考,付费前请自行鉴别。
3、如文档内容存在违规,或者侵犯商业秘密、侵犯著作权等,请点击“违规举报”。

碎片内容

塑胶场地施工组织设计(1)

您可能关注的文档

确认删除?
VIP
微信客服
  • 扫码咨询
会员Q群
  • 会员专属群点击这里加入QQ群
客服邮箱
回到顶部