电脑桌面
添加小米粒文库到电脑桌面
安装后可以在桌面快捷访问

塑料成型基础试题1VIP免费

塑料成型基础试题1_第1页
1/10
塑料成型基础试题1_第2页
2/10
塑料成型基础试题1_第3页
3/10
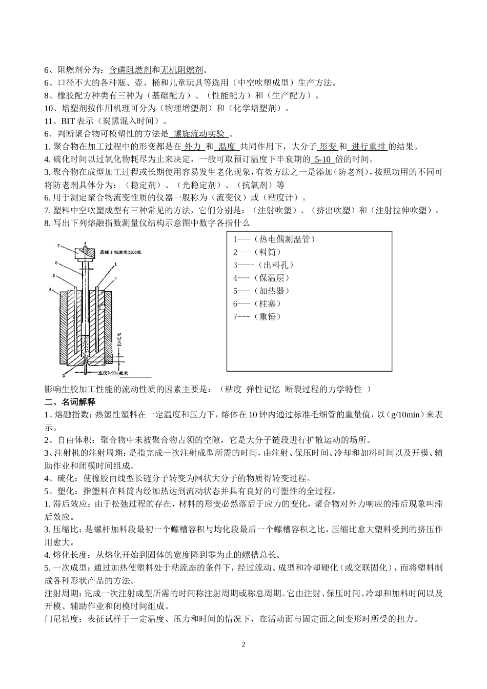
一、填空1、聚合物具有一些特有的加工性质,如有良好的__可模塑性__,__可挤压性__,__可纺性__和__可延性__。2、__熔融指数__是评价聚合物材料的可挤压性的指标。3、分别写出下列缩写对应的中文:PS:聚苯乙烯,PMMA:聚甲基丙烯酸甲酯,PE:聚乙烯,PP:聚丙烯,PVC聚氯乙烯,PC聚碳酸酯,SBS:苯乙烯丁二烯苯乙烯共聚物,PA:聚酰胺,POM聚甲醛4、按照经典的粘弹性理论,线形聚合物的总形变由普弹性变、推迟高弹形变、粘弹性变三部分组成。5、晶核形成的方法:均相成核、异相成核。6、单螺杆挤出机的基本结构:传动部分、加料装置、料筒、螺杆、机头和口模、辅助设备。7、生胶按物理性状通常分为捆包胶、颗粒胶、粉末胶、乳胶和液体胶。1.聚合物加工转变包括:(形状转变)、(结构转变)、(性能转变)。2.写出熔融指数测量仪结构示意图各个结构的名称:(热电偶测温管)、(料筒)、(出料孔)、(保温层)、(加热器)、(柱塞)、(重锤)。3.按照塑料塑化方式的不同,挤出工艺可分为(干法)和(湿法)二种;按照加压方式的不同,挤出工艺又可分为(连续式)和(间歇式)两种。4.填充剂按用途可分为两大类:(补强填充剂)、(惰性填充剂)。5.测硫化程度的硫化仪:(转子旋转振荡式硫化仪)。6.合成纤维纺聚合物的加工方法:(熔融法)和(溶液法)。2、聚合物流动过程最常见的弹性行为是:端末效应和不稳定流动。3、注射过程包括加料、塑化、注射、冷却和脱模五大过程。5、开放式炼胶机混炼通常胶料顺序:生胶(或塑炼胶)、小料、液体软化剂、补强剂、填充剂、硫黄6、常用的硫化介质有:饱和蒸汽、过热蒸汽、过热水、热空气以及热水。7、螺杆结构的主要参数:t、W、h分别指的是螺距、螺槽宽度、螺槽深度。1、非牛顿流体受到外力作用时,其流动行为有以下特征:(剪应力)和(剪切速率)间通常不呈比例关系,因而剪切粘度对剪切作用有依赖性;非牛顿性是(粘性)和(弹性)行为的综合,流动过程中包含着不可逆形变和可逆形变两种成分。2、制造泡沫塑料的发泡方法可分为(机械发泡)、(物理发泡)、(化学发泡)三种。3、聚合物的粘弹性行为与加工温度T有密切关系,当T>Tf时,主要发生(粘性形变),也有弹性效应,当Tg

1、当您付费下载文档后,您只拥有了使用权限,并不意味着购买了版权,文档只能用于自身使用,不得用于其他商业用途(如 [转卖]进行直接盈利或[编辑后售卖]进行间接盈利)。
2、本站所有内容均由合作方或网友上传,本站不对文档的完整性、权威性及其观点立场正确性做任何保证或承诺!文档内容仅供研究参考,付费前请自行鉴别。
3、如文档内容存在违规,或者侵犯商业秘密、侵犯著作权等,请点击“违规举报”。

碎片内容

塑料成型基础试题1

您可能关注的文档

确认删除?
微信客服
  • 扫码咨询
会员Q群
  • 会员专属群点击这里加入QQ群