电脑桌面
添加小米粒文库到电脑桌面
安装后可以在桌面快捷访问

填充墙加气砼墙体施工方案VIP免费

填充墙加气砼墙体施工方案_第1页
1/9
填充墙加气砼墙体施工方案_第2页
2/9
填充墙加气砼墙体施工方案_第3页
3/9
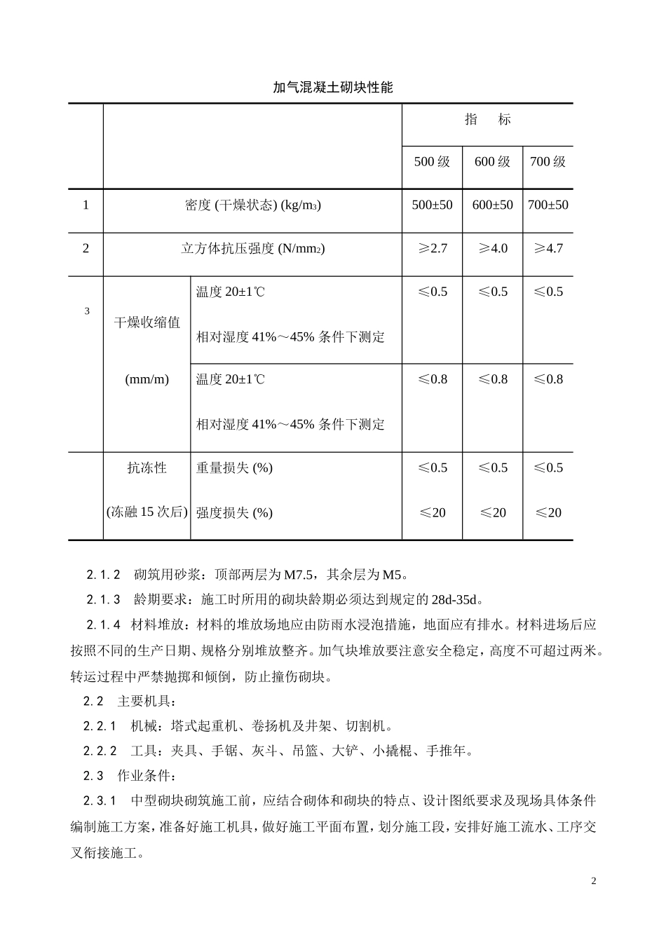
加气砼墙体施工方案一、工程概况工程名称工程地点建筑面积(m2)40175建筑高度(m)101基础形式静压预制桩基础主体结构剪力墙抗震等级车库及1号楼三级,3号楼二级抗震设防烈度7度地上层数30地下层数1标准层层高(m)3各责任主体名称建设单位设计单位中船设计研究院工程有限公司施工单位监理单位项目经理总监理工程师技术负责人专业监理工程师二、材料准备2.1材料及要求:2.1.1.加气混凝土砌块:规格:长度(mm):600高度(mm):200、250、厚度(mm):100、150、200、250技术性能:密度分为500、600、700kg/m3三个级别,其技术性能见下表。1加气混凝土砌块性能指标500级600级700级1密度(干燥状态)(kg/m3)500±50600±50700±502立方体抗压强度(N/mm2)≥2.7≥4.0≥4.7干燥收缩值温度20±1℃相对湿度41%~45%条件下测定≤0.5≤0.5≤0.5(mm/m)温度20±1℃相对湿度41%~45%条件下测定≤0.8≤0.8≤0.8抗冻性(冻融15次后)重量损失(%)强度损失(%)≤0.5≤20≤0.5≤20≤0.5≤202.1.2砌筑用砂浆:顶部两层为M7.5,其余层为M5。2.1.3龄期要求:施工时所用的砌块龄期必须达到规定的28d-35d。2.1.4材料堆放:材料的堆放场地应由防雨水浸泡措施,地面应有排水。材料进场后应按照不同的生产日期、规格分别堆放整齐。加气块堆放要注意安全稳定,高度不可超过两米。转运过程中严禁抛掷和倾倒,防止撞伤砌块。2.2主要机具:2.2.1机械:塔式起重机、卷扬机及井架、切割机。2.2.2工具:夹具、手锯、灰斗、吊篮、大铲、小撬棍、手推年。2.3作业条件:2.3.1中型砌块砌筑施工前,应结合砌体和砌块的特点、设计图纸要求及现场具体条件编制施工方案,准备好施工机具,做好施工平面布置,划分施工段,安排好施工流水、工序交叉衔接施工。232.3.2中型砌块砌筑施工前,必须做完基础工程,办完隐检预检手续。2.3.3放好砌体墙身位置线、门窗口等位置线,经验线符合设计图纸要求,预检合格。2.3.4按砌筑操作需要,找好标高,立好标尺杆。2.3.5搭设好操作和卸料架子。2.3.6配制异形尺寸砌块(同材割制);砂浆经试配确定配合比,准备好试模。三、墙体的构造要求3.1门垛根据江苏省工程建设标准DGJ32/J16-2005要求,预留的门窗洞口均应采取钢筋混凝土框加强。本工程框的断面尺寸为墙厚×120mm,混凝土强度等级C20,纵向钢筋为410,箍筋6.5@200。3.2构造柱构造柱的构造要求:构造柱的截面尺寸为墙厚×200mm,混凝土强度等级C20,纵向钢筋为410,箍筋6.5@200。构造柱与墙体连接处的砌体宜砌平,必须先砌筑墙体,后浇筑构造柱。构造柱的布置:宽度大于2m的洞口两侧;墙长大于5m时,应增设间距不大于3m的构造柱;砌体无约束的端部必须增设构造柱;其他设计及规范要求设置构造柱的部位。构造柱的钢筋:为确保构造柱钢筋位置的正确,构造柱钢筋采用植筋方式设置,植筋必须牢固可靠,植筋深度满足规范及设计要求,且不得小于10d。3.3腰梁每层墙高的中部设高度为120,与墙体同宽的腰梁,配筋为410,箍筋6.5@200,设置窗台梁后,腰梁可以取消。3.4底砖墙体底部200mm范围内,采用灰砂砖砌筑,底砖实际高度可根据模数进行调整。外墙灰砂砖灰缝必须饱满且必须勾缝,竖向灰缝必须灌实,不得虚铺。3.5混凝土导墙有防水要求的厨房间、卫生间、阳台、露台等部位周边应设置不小于200mm高的C20混凝土导墙,上人屋面及不上人屋面周边应设置不小于500mm高的C20混凝土导墙。3.6墙体通长拉结筋墙体每600mm高(二层砌块)设置通长拉结筋。墙体厚度为200时,拉结筋为26.5,墙体厚度为100时,拉结筋为16.5。为确保拉结筋位置的正确,采用植筋方式设置拉结筋,植筋必须牢固可靠,植筋深度满足规范及设计要求,且不得小于10d。33.7墙梁高度超出3m时,在墙高中部设置与柱连接的通长钢筋水平墙梁,尽量与门窗过梁拉通。墙梁与墙同宽,高度为200mm,纵向钢筋410,箍筋6.5@200。3.8窗台梁本工程的顶层和底层应设置通长现浇钢筋混凝土窗台梁,高度为120mm,纵向配筋为4¢10,箍筋¢6.5@200,其他层在窗台标高处,应设通长现浇钢筋混凝土板带,板带厚度为60mm,纵向配筋为3¢8。窗台梁钢筋的埋设要求同拉结筋。3.9灰缝水平灰缝厚度为1...

1、当您付费下载文档后,您只拥有了使用权限,并不意味着购买了版权,文档只能用于自身使用,不得用于其他商业用途(如 [转卖]进行直接盈利或[编辑后售卖]进行间接盈利)。
2、本站所有内容均由合作方或网友上传,本站不对文档的完整性、权威性及其观点立场正确性做任何保证或承诺!文档内容仅供研究参考,付费前请自行鉴别。
3、如文档内容存在违规,或者侵犯商业秘密、侵犯著作权等,请点击“违规举报”。

碎片内容

填充墙加气砼墙体施工方案

您可能关注的文档

文章天下+ 关注
实名认证
内容提供者

各种文档应有尽有

确认删除?
VIP
微信客服
  • 扫码咨询
会员Q群
  • 会员专属群点击这里加入QQ群
客服邮箱
回到顶部