电脑桌面
添加小米粒文库到电脑桌面
安装后可以在桌面快捷访问

土地治理项目招投标文件VIP专享VIP免费

土地治理项目招投标文件_第1页
1/10
土地治理项目招投标文件_第2页
2/10
土地治理项目招投标文件_第3页
3/10
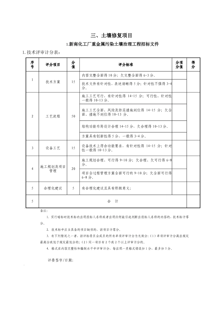
三、土壤修复项目1.新南化工厂重金属污染土壤治理工程招标文件1.技术评审计分表:2.项目管理机构评审计分表:3.信誉评审计分表:4.成本评审结论记录表:5.投标报价评审计分表:6.其他相关条件:2.工业园污染土壤综合治理与修复工程招标文件3.苏州溶剂厂北区原址场地污染土壤修复治理中试及整体修复治理方案编制招标

1、当您付费下载文档后,您只拥有了使用权限,并不意味着购买了版权,文档只能用于自身使用,不得用于其他商业用途(如 [转卖]进行直接盈利或[编辑后售卖]进行间接盈利)。
2、本站所有内容均由合作方或网友上传,本站不对文档的完整性、权威性及其观点立场正确性做任何保证或承诺!文档内容仅供研究参考,付费前请自行鉴别。
3、如文档内容存在违规,或者侵犯商业秘密、侵犯著作权等,请点击“违规举报”。

碎片内容

土地治理项目招投标文件

确认删除?
VIP
微信客服
  • 扫码咨询
会员Q群
  • 会员专属群点击这里加入QQ群
客服邮箱
回到顶部