电脑桌面
添加小米粒文库到电脑桌面
安装后可以在桌面快捷访问

江苏省民用建筑工程施工图设计文件 VIP免费

江苏省民用建筑工程施工图设计文件 _第1页
1/3
江苏省民用建筑工程施工图设计文件 _第2页
2/3
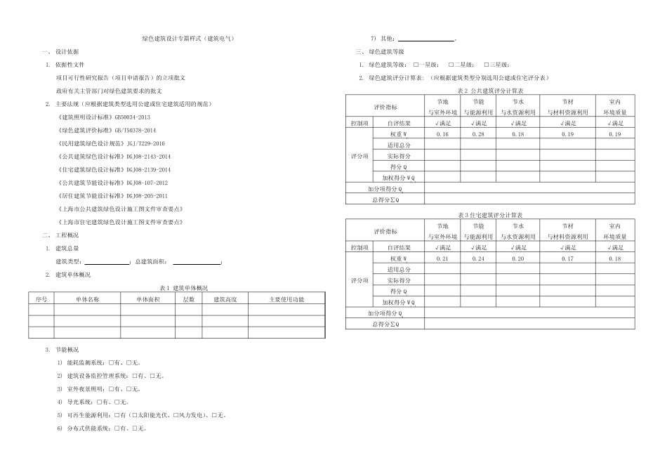
绿色建筑设计专篇样式(建筑电气)一、设计依据1.依据性文件项目可行性研究报告(项目申请报告)的立项批文政府有关主管部门对绿色建筑要求的批文2.主要法规(应根据建筑类型选用公建或住宅建筑适用的规范)《建筑照明设计标准》GB50034-2013《绿色建筑评价标准》GB/T50378-2014《民用建筑绿色设计规范》JGJ/T229-2010《公共建筑绿色设计标准》DGJ08-2143-2014《住宅建筑绿色设计标准》DGJ08-2139-2014《公共建筑节能设计标准》DGJ08-107-2012《居住建筑节能设计标准》DGJ08-205-2011《上海市公共建筑绿色设计施工图文件审查要点》《上海市住宅建筑绿色设计施工图文件审查要点》二、工程概况1.建筑总量建筑类型:;总建筑面积:;2.建筑单体概况表1建筑单体概况序号单体名称单体面积层数建筑高度主要使用功能3.节能概况1)能耗监测系统:□有、□无。2)建筑设备监控管理系统:□有、□无。3)室外夜景照明:□有、□无。4)导光系统:□有、□无。5)可再生能源利用:□有(□太阳能光伏、□风力发电)、□无。6)分布式供能系统:□有、□无。7)其他:。三、绿色建筑等级1.绿色建筑等级:□一星级;□二星级;□三星级;2.绿色建筑评分计算表:(应根据建筑类型分别选用公建或住宅评分表)表2公共建筑评分计算表评价指标节地与室外环境节能与能源利用节水与水资源利用节材与材料资源利用室内环境质量控制项自评结果√满足√满足√满足√满足√满足评分项权重Wi0.160.280.180.190.19适用总分实际得分得分Qi加权得分WiQi加分项得分Q8总得分∑Q表3住宅建筑评分计算表评价指标节地与室外环境节能与能源利用节水与水资源利用节材与材料资源利用室内环境质量控制项自评结果√满足√满足√满足√满足√满足评分项权重Wi0.210.240.200.170.18适用总分实际得分得分Qi加权得分WiQi加分项得分Q8总得分∑Q四、电气绿色建筑设计1.与电气专业有关的绿色建筑技术选项内容表4与电气专业有关的技术内容分类技术内容评价分自评分备注室外环境室外夜景照明光污染的限制符合现行行业标准《城市夜景照明设计规范》JGJ/T163的规定※(J)2照明与电气公共场所的照明系统采取分区、定时、感应控制5照明功率密度值达到目标值8合理选用电梯和自动扶梯※(J)3合理选用节能型电气设备5能量利用由可再生能源提供的电量10室内环境设置室内空气质量监控系统※(N)8地下车库设置与排风设备联动的一氧化碳浓度监测※(N)5创新采用分布式热电冷联供技术※(N)1注:1表中内容可根据住宅建筑、公共建筑及达标选项删减;2凡标注有“※”的技术内容,标示该条文与其他专业也有关系,J-建筑,G-结构,S-给排水专业,N-暖通。2.供配电系统节能措施1)变配电所深入负荷中心设置。2)变压器总装机容量为kVA,单位面积功率密度值为VA/m2。3)低压并联电容器的补偿要求应符合现行国家标准《供配电系统设计规范》GB50052的要求。变压器低压侧设置低压无功补偿装置,要求补偿后高压供电进线处功率因数不低于。低压电源供电时进线处设置无功补偿装孩子,要求补偿后功率因数不低于0.9。(江苏省项目尚应满足过零自动投切和分项补偿的要求)4)谐波电流含量较大的用电设备:□有、□无,谐波抑制及谐波治理措施:。5)电动机容量超过kW时,采用中压供电。3.电气设备节能1)变压器选用节能环保型、低损耗、低噪声,接线组别为D,yn11的干式变压器,变压器自带温控器和强迫通风装置。其能效应达到现行国家标准《三相配电变压器能效限定值及节能评价值》GB20052中规定的目标能效限定值及节能评价值的要求,具体参数见表5。表5变压器节能参数变压器型号额定容量kVA损耗W长期工作负载率空载(P0)负载(Px)设计值节能评价值设计值节能评价值2)电动机采用高效节能产品,并具有节能拖动及节能控制装置,其能效应符合现行国家标准《中小型三相异步电动机能效限定值及能效等级》GB18613节能评价值的规定。3)采用具备高效电机及先进控制技术的电梯。4)自动扶梯与自动人行道选用节能高效电机,具有节能拖动及节能控制装置,设置感应传感器控制启停,在全县各段均空载时,能处在暂停或低速运行状态。4.照明系统1)照明功率密度值按照现行国家标准...

1、当您付费下载文档后,您只拥有了使用权限,并不意味着购买了版权,文档只能用于自身使用,不得用于其他商业用途(如 [转卖]进行直接盈利或[编辑后售卖]进行间接盈利)。
2、本站所有内容均由合作方或网友上传,本站不对文档的完整性、权威性及其观点立场正确性做任何保证或承诺!文档内容仅供研究参考,付费前请自行鉴别。
3、如文档内容存在违规,或者侵犯商业秘密、侵犯著作权等,请点击“违规举报”。

碎片内容

江苏省民用建筑工程施工图设计文件

您可能关注的文档

确认删除?
VIP
微信客服
  • 扫码咨询
会员Q群
  • 会员专属群点击这里加入QQ群
客服邮箱
回到顶部