电脑桌面
添加小米粒文库到电脑桌面
安装后可以在桌面快捷访问

土方回填施工检查记录VIP免费

土方回填施工检查记录_第1页
1/5
土方回填施工检查记录_第2页
2/5
土方回填施工检查记录_第3页
3/5
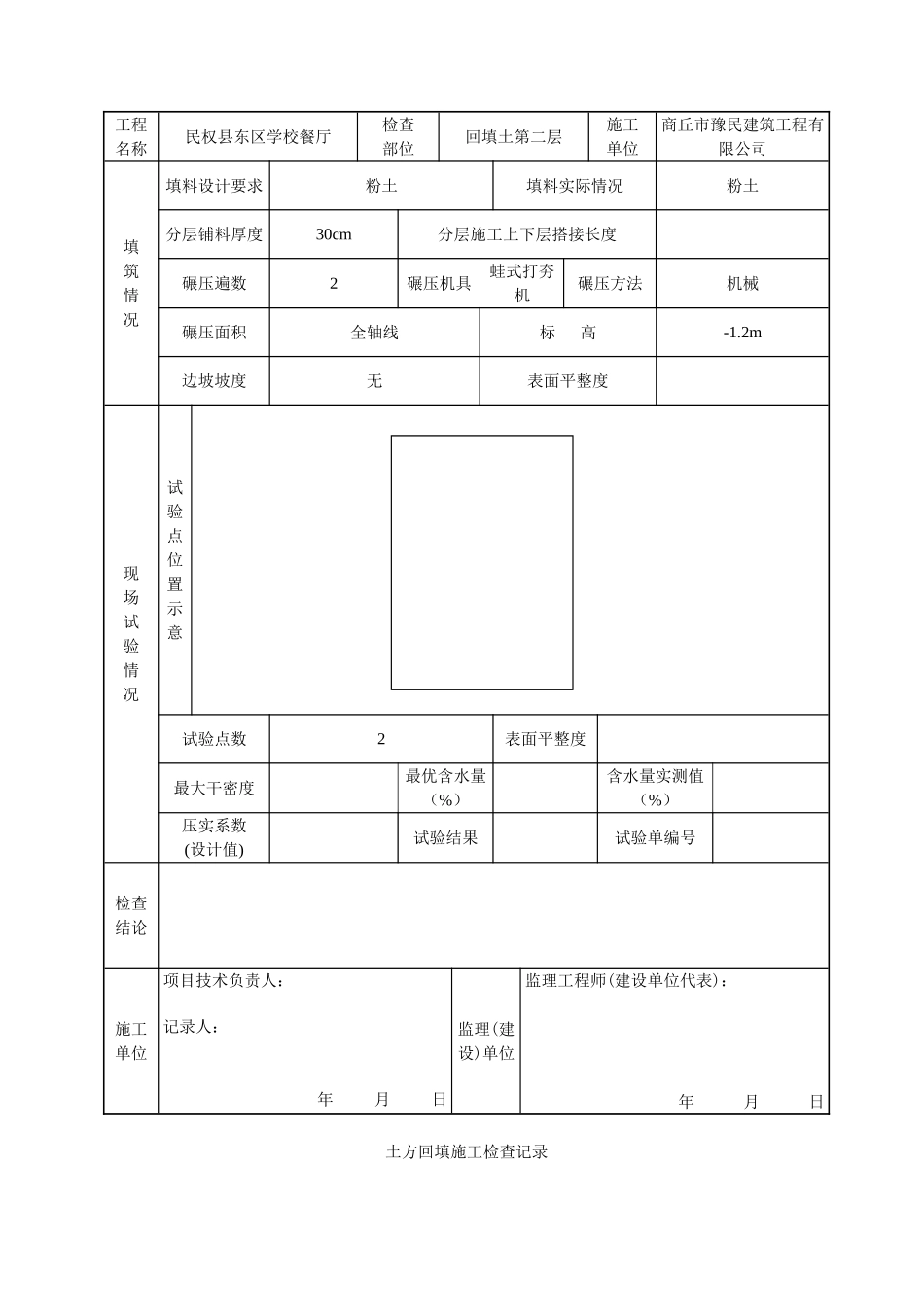
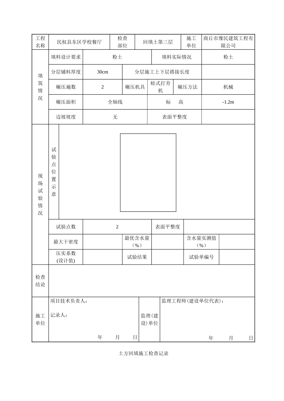
土方回填施工检查记录工程名称民权县东区学校餐厅检查部位回填土第一层施工单位商丘市豫民建筑工程有限公司填筑情况填料设计要求粉土填料实际情况粉土分层铺料厚度30cm分层施工上下层搭接长度碾压遍数2碾压机具蛙式打夯机碾压方法机械碾压面积全轴线标高-1.2m边坡坡度无表面平整度现场试验情况试验点位置示意试验点数2表面平整度最大干密度最优含水量(%)含水量实测值(%)压实系数(设计值)试验结果试验单编号检查结论施工单位项目技术负责人:记录人:年月日监理(建设)单位监理工程师(建设单位代表):年月日土方回填施工检查记录工程名称民权县东区学校餐厅检查部位回填土第二层施工单位商丘市豫民建筑工程有限公司填筑情况填料设计要求粉土填料实际情况粉土分层铺料厚度30cm分层施工上下层搭接长度碾压遍数2碾压机具蛙式打夯机碾压方法机械碾压面积全轴线标高-1.2m边坡坡度无表面平整度现场试验情况试验点位置示意试验点数2表面平整度最大干密度最优含水量(%)含水量实测值(%)压实系数(设计值)试验结果试验单编号检查结论施工单位项目技术负责人:记录人:年月日监理(建设)单位监理工程师(建设单位代表):年月日土方回填施工检查记录工程名称民权县东区学校餐厅检查部位回填土第三层施工单位商丘市豫民建筑工程有限公司填筑情况填料设计要求粉土填料实际情况粉土分层铺料厚度30cm分层施工上下层搭接长度碾压遍数2碾压机具蛙式打夯机碾压方法机械碾压面积全轴线标高-1.2m边坡坡度无表面平整度现场试验情况试验点位置示意试验点数2表面平整度最大干密度最优含水量(%)含水量实测值(%)压实系数(设计值)试验结果试验单编号检查结论施工单位项目技术负责人:记录人:年月日监理(建设)单位监理工程师(建设单位代表):年月日土方回填施工检查记录工程名称民权县东区学校餐厅检查部位回填土第四层施工单位商丘市豫民建筑工程有限公司填筑情况填料设计要求粉土填料实际情况粉土分层铺料厚度30cm分层施工上下层搭接长度碾压遍数2碾压机具蛙式打夯机碾压方法机械碾压面积全轴线标高-1.2m边坡坡度无表面平整度现场试验情况试验点位置示意试验点数2表面平整度最大干密度最优含水量(%)含水量实测值(%)压实系数(设计值)试验结果试验单编号检查结论施工单位项目技术负责人:记录人:年月日监理(建设)单位监理工程师(建设单位代表):年月日土方回填施工检查记录工程名称民权县东区学校餐厅检查部位回填土第五层施工单位商丘市豫民建筑工程有限公司填筑情况填料设计要求粉土填料实际情况粉土分层铺料厚度30cm分层施工上下层搭接长度碾压遍数2碾压机具蛙式打夯机碾压方法机械碾压面积全轴线标高-1.2m边坡坡度无表面平整度现场试验情况试验点位置示意试验点数2表面平整度最大干密度最优含水量(%)含水量实测值(%)压实系数(设计值)试验结果试验单编号检查结论施工单位项目技术负责人:记录人:年月日监理(建设)单位监理工程师(建设单位代表):年月日

1、当您付费下载文档后,您只拥有了使用权限,并不意味着购买了版权,文档只能用于自身使用,不得用于其他商业用途(如 [转卖]进行直接盈利或[编辑后售卖]进行间接盈利)。
2、本站所有内容均由合作方或网友上传,本站不对文档的完整性、权威性及其观点立场正确性做任何保证或承诺!文档内容仅供研究参考,付费前请自行鉴别。
3、如文档内容存在违规,或者侵犯商业秘密、侵犯著作权等,请点击“违规举报”。

碎片内容

土方回填施工检查记录

确认删除?
VIP
微信客服
  • 扫码咨询
会员Q群
  • 会员专属群点击这里加入QQ群
客服邮箱
回到顶部