电脑桌面
添加小米粒文库到电脑桌面
安装后可以在桌面快捷访问

土建施工日志VIP免费

土建施工日志_第1页
1/13
土建施工日志_第2页
2/13
土建施工日志_第3页
3/13
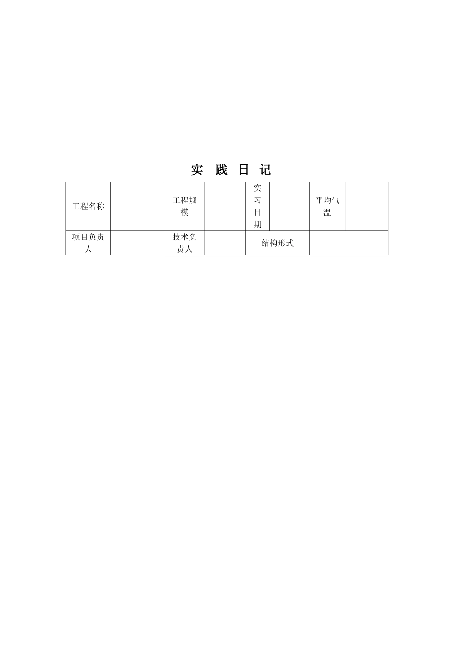
建筑工程系学生顶岗实习(毕业实践)成果要求建筑工程系学生顶岗实习(毕业实践)成果主要有两部分。一是筑工程系学生顶岗实习(毕业实践)鉴定表;二是实习报告(含两张三号以上专业图纸)。其中,实习报告分四部分,第一部分为封面,第二部分实习(实践)日志,第三部分是实习报告,第四部分是专业图纸(建筑图、结构图各一张,建装专业的可以是装饰设计图,手工规范绘制)。文件格式、要求如下。学生顶岗实习(毕业实践)成绩鉴定表姓名性别出生年月民族汉照片专业班级学号家庭住址邮编电话身份证号码实习时间自年月日至年月日实习单位名称负责人电话实习项目负责人电话实习单位地址邮编实习工作主要内容学生签名:2012年月日实习单位鉴定意见(盖章)2012年月日系部综合评定意见评定组教师:2012年月日注:表格格式统一,调整成一页打印。封面格式××××工程(项目)实习报告专业:××××姓名:×××班级、学号:××××企业指导教师:学院指导教师:实习时间:实践日记工程名称工程规模实习日期平均气温项目负责人技术负责人结构形式实践工作内容实践日记每天一篇,记录实习工作内容;每篇不少于300字。参考样本如下实践日记工程名称宁波万华MDI技改扩能项目实习4月10日气温晴日期项目负责人梁俊瑜技术负责人凌建华工程规模35000平方米结构形式钢筋混凝土实践工作内容我前几天联系到了山东正大监理公司驻宁波项目部进行实习。今天是我到宁波项目部报到的第一天,经过十几个小时的车来到了宁波大榭岛万华工业园大门口,项目部派人给我送来了安全帽,进行了登记把我领进了项目部办公室。下午安全监理工程师,安排我到业主的HSE教育室,进行安全培训,万华规定,进入万华的每个人必须进行安全培训,考试合格后才能上岗。大屏幕上先是介绍了万华的慨况,万一发生事故逃生的路线、安全集合点和SHE的含义,放映了一些应注意安全事项知识和一些发生安全事故的幻灯片,学习了《安全生产法》等一些安全知识,同时讲到从业人员的权益和义务。最后我们开始考试,考试结束后每个人进行照相,考试合格后,这就等明天发给的出门证和上岗证了。实践日记工程名称宁波万华MDI技改扩能项目实习日期4月11日气温晴项目负责人梁俊瑜技术负责人凌建华工程规模35000平方米结构形式钢筋混凝土实践工作内容今天一上班,我领到了上岗证。在总监的安排下,有凌工领我熟悉工地现场和安排我的工作范围。他说到这个工程的总名称叫万华MDI技改扩能工程,我们现在看到的是MDI里的硝苯工程,你和我负责火炬、焚烧单体和消防废水池单体(它也属于硝苯工程)等一会回去我把两个单体的图纸和厂的总图以及硝苯的总图给你,你先熟悉一下图纸等施工单位放线时我们再进行验收检查。下午我在办公室熟悉2个单体的图纸。实践日记工程名称宁波万华MDI技改扩能项目实习10年4月12气温晴日期日项目负责人梁俊瑜技术负责人凌建华工程规模35000平方米结构形式钢筋混凝土实践工作内容今天在办公室熟悉图纸,没有上工地。我今天看的是消防废水池的图纸,它有东西两个水池组成,-轴线24米,-轴线24米,-35米,轴线是水池的内壁线,两个水池都一样大是35*24,中间相隔2.6米,每个水池有两个集水坑底标高是-5.5米,水池的底标高是-4.5米,它的顶标高是-0.55米。它的基地是预制混凝土管桩,共有140根,(桩基工程已好)每个桩上是一个承台,每个水池外围是30个1米乘1米的承台,内是1.5*1.5的40个承台,底板厚是400mm,每个水池的底板中间有UEA加强带,宽是1000mm,内掺15%UEA膨胀剂,墙板厚是300mm,顶板厚是200mm,用的混凝土是C30加10~12%的UEA,抗渗标号为S6.我看了一下总图,消防废水池周围的自然土标高是-0.3米。正负零相当绝对标高3.5米。××××项目实习(毕业实践)报告序言或前言:序言交待实践过程的概况即一般情况回顾,200~300字左右。正文(至少5000字)一、工程概况:(一级标题)总体介绍实践的项目工程名称、建筑单位、设计单位、勘测单位、施工单位、监理单位,工程座落位置、工程结构层次、总建筑面积、安全要求、抗震要求……二、实习(实践)内容(至少3000字)(一级标题)具体内容写实习的主要工作内容,注...

1、当您付费下载文档后,您只拥有了使用权限,并不意味着购买了版权,文档只能用于自身使用,不得用于其他商业用途(如 [转卖]进行直接盈利或[编辑后售卖]进行间接盈利)。
2、本站所有内容均由合作方或网友上传,本站不对文档的完整性、权威性及其观点立场正确性做任何保证或承诺!文档内容仅供研究参考,付费前请自行鉴别。
3、如文档内容存在违规,或者侵犯商业秘密、侵犯著作权等,请点击“违规举报”。

碎片内容

土建施工日志

确认删除?
VIP
微信客服
  • 扫码咨询
会员Q群
  • 会员专属群点击这里加入QQ群
客服邮箱
回到顶部