电脑桌面
添加小米粒文库到电脑桌面
安装后可以在桌面快捷访问

土地评价与规划大作业——安徽淮北平原土地评价与规划VIP免费

土地评价与规划大作业——安徽淮北平原土地评价与规划_第1页
1/7
土地评价与规划大作业——安徽淮北平原土地评价与规划_第2页
2/7
土地评价与规划大作业——安徽淮北平原土地评价与规划_第3页
3/7
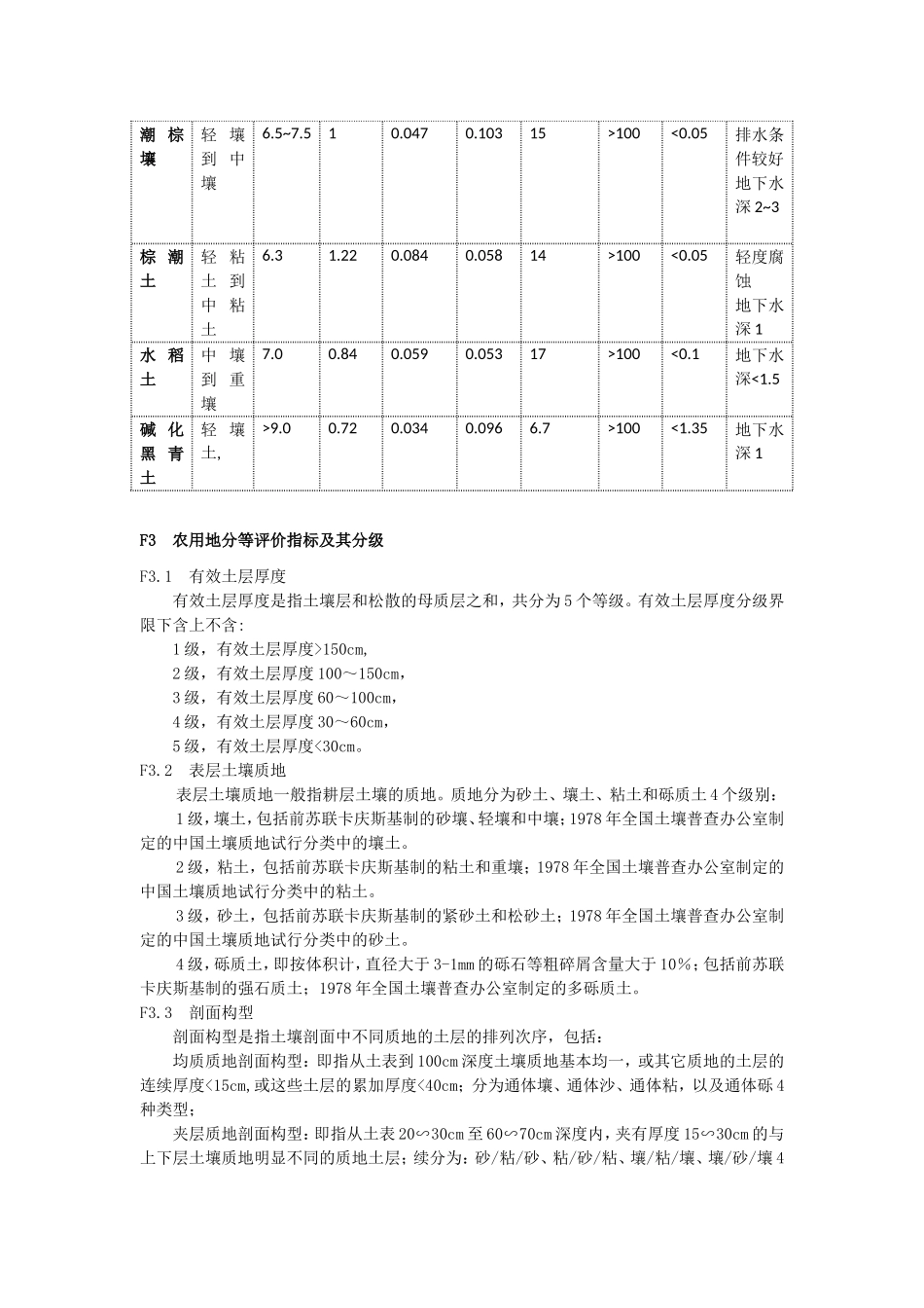
土地评价与规划大作业-----------安徽淮北平原土地适应性评价根据资料整理得出下表土壤类型土壤质地PH值有机质%全氮%全磷%代换性盐基总量mg/100g土层厚度cm含盐量%排水条件侵蚀程度地下水埋深m棕壤重壤到轻粘土<7.02.130.1450.09217150>0.2排水条件好,地下水深3m褐棕壤重壤到轻粘土7.76.190.1~0.050.231~4880<0.05排水条件好,地下水4m黑色灰石土重壤土6.79.160.5270.30545~5150<0.1侵蚀严重,地下水深>3m普通青黑土重壤土8.00.870.1430.12529.9>1000.076地下水深1~2m普通潮土重壤到砂壤8.21.350.0310.15819>100<0.1地下水深1~3盐碱化潮土轻壤土>9.00.690.0530.19.5>100>0.1排水条件差地下水深1.5~2.5褐潮土中壤土7.0~7.50.610.0450.05810>2000.03内、外排水均较好地下水深1.5~3潮棕壤轻壤到中壤6.5~7.510.0470.10315>100<0.05排水条件较好地下水深2~3棕潮土轻粘土到中粘土6.31.220.0840.05814>100<0.05轻度腐蚀地下水深1水稻土中壤到重壤7.00.840.0590.05317>100<0.1地下水深<1.5碱化黑青土轻壤土,>9.00.720.0340.0966.7>100<1.35地下水深1F3农用地分等评价指标及其分级F3.1有效土层厚度有效土层厚度是指土壤层和松散的母质层之和,共分为5个等级。有效土层厚度分级界限下含上不含:1级,有效土层厚度>150cm,2级,有效土层厚度100~150cm,3级,有效土层厚度60~100cm,4级,有效土层厚度30~60cm,5级,有效土层厚度<30cm。F3.2表层土壤质地表层土壤质地一般指耕层土壤的质地。质地分为砂土、壤土、粘土和砾质土4个级别:1级,壤土,包括前苏联卡庆斯基制的砂壤、轻壤和中壤;1978年全国土壤普查办公室制定的中国土壤质地试行分类中的壤土。2级,粘土,包括前苏联卡庆斯基制的粘土和重壤;1978年全国土壤普查办公室制定的中国土壤质地试行分类中的粘土。3级,砂土,包括前苏联卡庆斯基制的紧砂土和松砂土;1978年全国土壤普查办公室制定的中国土壤质地试行分类中的砂土。4级,砾质土,即按体积计,直径大于3-1mm的砾石等粗碎屑含量大于10%;包括前苏联卡庆斯基制的强石质土;1978年全国土壤普查办公室制定的多砾质土。F3.3剖面构型剖面构型是指土壤剖面中不同质地的土层的排列次序,包括:均质质地剖面构型:即指从土表到100cm深度土壤质地基本均一,或其它质地的土层的连续厚度<15cm,或这些土层的累加厚度<40cm;分为通体壤、通体沙、通体粘,以及通体砾4种类型;夹层质地剖面构型:即指从土表20∽30cm至60∽70cm深度内,夹有厚度15∽30cm的与上下层土壤质地明显不同的质地土层;续分为:砂/粘/砂、粘/砂/粘、壤/粘/壤、壤/砂/壤4种类型。体(垫)层质地剖面构型:即指从土表20∽30cm以下出现厚度>40cm的不同质地的土层;续分为:砂/粘/粘、粘/砂/砂、壤/粘/粘、壤/砂/砂4种类型。F3.4盐渍化程度土壤盐渍化程度分为:无,轻度盐化,中度盐化,重度盐化4个区间,分级界线下含上不含:1级,无盐化:土壤无盐化,作物没有因盐渍化引起的缺苗断垄现象,表层土壤含盐量<0.1%(易溶盐以苏打为主)或<0.2%(易溶盐以氯化物为主)或<0.3%(易溶盐以硫酸盐为主);2级,轻度盐化:由盐渍化造成的作物缺苗2-3成,表层土壤含盐量0.1∽0.3%(易溶盐以苏打为主)或0.2∽0.4%(易溶盐以氯化物为主)或0.3∽0.5%(易溶盐以硫酸盐为主);3级,中度盐化:由盐渍化造成的作物缺苗3-5成,表层土壤含盐量0.3∽0.5%(易溶盐以苏打为主)或0.4∽0.6%(易溶盐以氯化物为主)或0.5∽0.7%(易溶盐以硫酸盐为主)。4级,重度盐化:由盐渍化造成的作物缺苗≥5成,表层土壤含盐量≥0.5%(易溶盐以苏打为主)或≥0.6%(易溶盐以氯化物为主)或≥0.7%(易溶盐以硫酸盐为主)。F3.6土壤有机质含量:土壤有机质含量分为6个级别,分级界限下含上不含:1级,土壤有机质含量≥4.0%;2级,土壤有机质含量4.0~3.0,3级,土壤有机质含量3.0~2.0,4级,土壤有机质含量2.0~1.0,5级,土壤有机质含量0.6~1.0,6级,土壤有机质含量<0.6。F3.7土壤酸碱度(PH值)土壤pH值按照其对作物生长的影响程度分为5个等级,分级界限下含上不含:1级,土壤pH值6.0~7.9;2级,土壤pH值5.5~6.0,7.9~8.5;3级,土壤pH值5.0~5.5,8.5~9.0;4级,土壤pH值4.5~5.0;5...

1、当您付费下载文档后,您只拥有了使用权限,并不意味着购买了版权,文档只能用于自身使用,不得用于其他商业用途(如 [转卖]进行直接盈利或[编辑后售卖]进行间接盈利)。
2、本站所有内容均由合作方或网友上传,本站不对文档的完整性、权威性及其观点立场正确性做任何保证或承诺!文档内容仅供研究参考,付费前请自行鉴别。
3、如文档内容存在违规,或者侵犯商业秘密、侵犯著作权等,请点击“违规举报”。

碎片内容

土地评价与规划大作业——安徽淮北平原土地评价与规划

文章天下+ 关注
实名认证
内容提供者

各种文档应有尽有

确认删除?
VIP
微信客服
  • 扫码咨询
会员Q群
  • 会员专属群点击这里加入QQ群
客服邮箱
回到顶部