电脑桌面
添加小米粒文库到电脑桌面
安装后可以在桌面快捷访问

土力学计算题VIP免费

土力学计算题_第1页
1/57
土力学计算题_第2页
2/57
土力学计算题_第3页
3/57
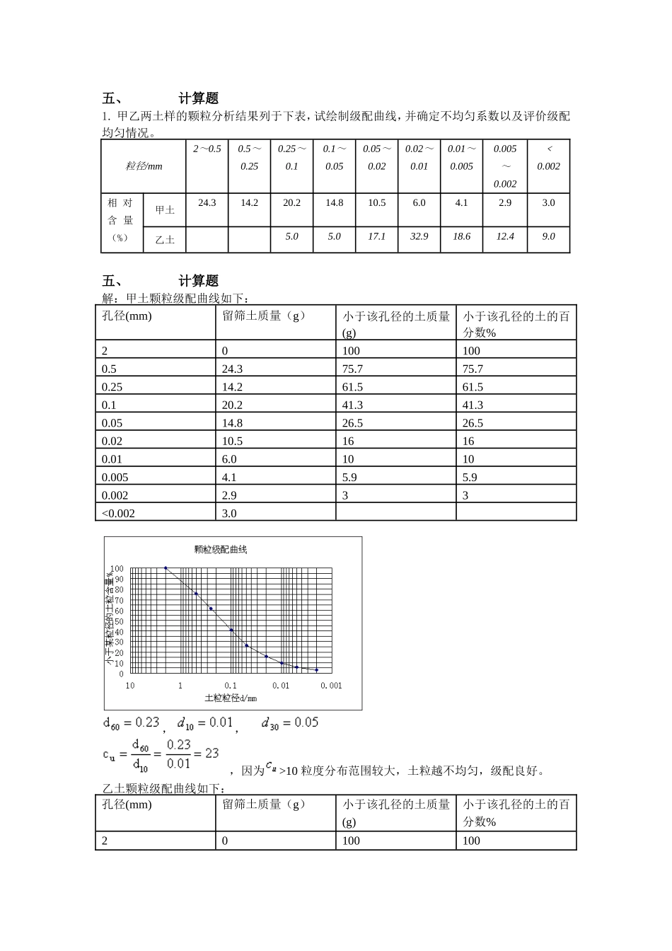
五、计算题1.甲乙两土样的颗粒分析结果列于下表,试绘制级配曲线,并确定不均匀系数以及评价级配均匀情况。粒径/mm2~0.50.5~0.250.25~0.10.1~0.050.05~0.020.02~0.010.01~0.0050.005~0.002﹤0.002相对含量(%)甲土24.314.220.214.810.56.04.12.93.0乙土5.05.017.132.918.612.49.0五、计算题解:甲土颗粒级配曲线如下:,,,因为>10粒度分布范围较大,土粒越不均匀,级配良好。乙土颗粒级配曲线如下:孔径(mm)留筛土质量(g)小于该孔径的土质量(g)小于该孔径的土的百分数%20100100孔径(mm)留筛土质量(g)小于该孔径的土质量(g)小于该孔径的土的百分数%201001000.524.375.775.70.2514.261.561.50.120.241.341.30.0514.826.526.50.0210.516160.016.010100.0054.15.95.90.0022.933<0.0023.00.501001000.25051001000.1595950.05590900.0217.172.972.90.0132.940400.00518.621.421.40.00212.499<0.0029,因为大于5,在1-3之间所以为良好级配砂五、计算题1.有一完全饱和的原状土样切满于容积为21.7cm3的环刀内,称得总质量为72.49g,经105℃烘干至恒重为61.28g,已知环刀质量为32.54g,土粒相对密度(比重)为2.74,试求该土样的湿密度、含水量、干密度及孔隙比(要求按三项比例指标定义求解)。2.某原状土样的密度为1.85g/cm3、含水量为34%、土粒相对密度为2.71,试求该土样的饱和密度、有效密度和有效重度(先导得公式然后求解)。3.某砂土土样的密度为1.77g/cm3,含水量为9.8%,土粒相对密度为2.67,烘干后测定最小孔隙比为0.461,最大孔隙比为0.943,试求孔隙比和相对密度,判断该砂土的密实度。4.某一完全饱和粘性土试样的含水量为30%,土粒相对密度为2.73,液限为33%,塑限为17%,试求孔隙比、干密度和饱和密度,并按塑性指数和液性指数分别定出该粘性土的分类名称和软硬状态。5.经测定,某地下水位以下砂层的饱和密度为1.991g/cm3,土粒相对密度为2.66,最大干密度为1.67g/cm3,最小干密度为1.39g/cm3,试判断该砂土的密实程度。6.已知某土样含水量为20%,土粒相对密度为2.7,孔隙率为50%,若将该土加水至完全饱和,问10m3该土体需加水多少?7.某土样,土粒相对密度为2.7,孔隙比为0.95,饱和度为37%,现要把饱和度提高到90%,则每1的该土样中应加多少水?8.某土样孔隙体积,土粒体积,土粒相对密度为ds=2.69,求孔隙比e和干重度d;当孔隙被水充满时,求饱和重度sat和含水量。9.某土样的干密度为1.60g/cm3,土粒相对密度为2.66,颗粒分析试验表明,该土大于0.5mm的颗粒占总质量的25%。假设细颗粒可以把粗颗粒间的孔隙全部填满,问该土小于0.5mm的那部分细颗粒土的干密度约是多少?若经过压实后,该土在含水量为18%时达到饱和,问该土此时的干密度是多少?10.某一施工现场需要填土,基坑的体积为2000m3,土方来源是从附近土丘开挖,经勘察土的相对密度为2.70,含水量为15%,孔隙比为0.60。要求填土的含水量为17%,干重度为17.6kN/m3。(1)取土场的重度、干重度和饱和度是多少?(2)应从取土场开采多少方土?(3)碾压时应洒多少水?填土的孔隙比是多少?(三峡大学2006年研究生入学考试试题)11.某饱和土样含水量为38.2%,密度为1.85t/m3,塑限为27.5%,液限为42.1%。问:要制备完全饱和、含水量为50%的土样,则每立方米土应加多少水?加水前和加水后土各处于什么状态?其定名是什么?12.某饱和土的饱和密度为1.85t/m3,含水量为37.04%,试求其土粒相对密度和孔隙比。13.已知一土样天然密度为1.8t/m3,干密度为1.3t/m3,饱和重度为20kN/m3,试问在1t天然状态土中,水和干土的质量各是多少?若使这些土改变成饱和状态,则需加水多少?14.设有1m3的石块,孔隙比e=0,打碎后孔隙比为e=0.6,在打碎后孔隙比为e=0.75,求第一次与第二次打碎后的体积?15.是推导理论上所能达到的最大击实曲线(即饱和度Sr=100%的击实曲线)的表达式。16.配置含水量35%的土样,取天然含水量12%的土重20t,已测定土粒相对密度为2.70,问需加水多少?(同济大学1998年研究生入学考试试题)五、计算题1.解:2.解:设土颗粒体积为1由得3.解:由因为1/3所以该砂土的密实度为中密。4.解:由得因为10

1、当您付费下载文档后,您只拥有了使用权限,并不意味着购买了版权,文档只能用于自身使用,不得用于其他商业用途(如 [转卖]进行直接盈利或[编辑后售卖]进行间接盈利)。
2、本站所有内容均由合作方或网友上传,本站不对文档的完整性、权威性及其观点立场正确性做任何保证或承诺!文档内容仅供研究参考,付费前请自行鉴别。
3、如文档内容存在违规,或者侵犯商业秘密、侵犯著作权等,请点击“违规举报”。

碎片内容

土力学计算题

确认删除?
微信客服
  • 扫码咨询
会员Q群
  • 会员专属群点击这里加入QQ群