电脑桌面
添加小米粒文库到电脑桌面
安装后可以在桌面快捷访问

土石方回填夯实--报验申请表VIP免费

土石方回填夯实--报验申请表_第1页
1/6
土石方回填夯实--报验申请表_第2页
2/6
土石方回填夯实--报验申请表_第3页
3/6
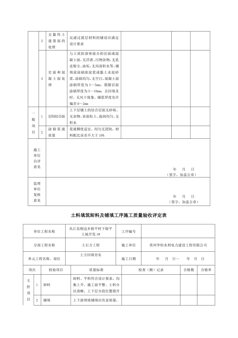
土石方回填夯实报验申请表工程名称:从江县刚边乡银平村下银平土地开发项目编号:致:贵州建友工程项目管理有限公司(监理单位)我单位已完成了1#土石方回填夯实工作,现报上该工程报验申请表,请予以审查和验收。附件:1、土料填筑单元工程施工质量验收评定表1份;2、土料填筑结合面处理工序施工质量验收评定表1份;3、土料填筑卸料及铺填工序施工质量验收评定表1份4、土料填筑土料压实工序施工质量验收评定表1份5、土料填筑接缝处理工序施工质量验收评定表1份承包单位(章):项目经理:日期:审查意见:项目监理机构:总/专业监理工程师:日期:土料填筑单元工程施工质量验收评定表单位工程名称从江县刚边乡银平村下银平土地开发1#单元工程量100㎡分部工程名称土石方工程施工单位贵州华恒水利电力建设工程有限公司单元工程名称、部位土方回填夯实施工日期年月日~年月日项次工序编号工序质量验收评定等级1土料填筑结合面处理工序2土料填筑卸料及铺填工序3△土料填筑土料压实工序4土料填筑接缝处理工序施工单位自评意见年月日(签字,加盖公章)监理单位复核意见年月日(签字,加盖公章)注1:对重要隐蔽单元工程和关键部位单元工程的施工质量验收评定应有设计、建设等单位的代表签字,具体要求应满足SL—176的规定。注2:本表所填“单元工程量”不作为施工单位工程量结算计量的依据。土料填筑结合面处理工序施工质量验收评定表单位工程名称从江县刚边乡银平村下银平土地开发1#工序编号分部工程名称土石方工程施工单位贵州华恒水利电力建设工程有限公司单元工程名称、部位土方回填夯实施工日期年月日~年月日项次检验项目质量标准检查(测)记录合格数合格率主控项目1建基面地基压实黏性土、砾质土地基土层的压实度等指标符合设计要求。无黏性土地基土层的相对密实度符合设计要求2土质建基面刨毛土质地基表面刨毛3~5cm,层面刨毛均匀细致,无团块、空白3无黏性土建基面的处理反滤过渡层材料的铺设应满足设计要求4岩面和混凝土面处理与土质防渗体接合的岩面或混凝土面,无浮渣、污物杂物,无乳皮粉尘、油垢,无局部积水等。铺填前涂刷浓泥浆或黏土水泥砂浆,涂刷均匀,无空白,混凝土面涂刷厚度为3~5mm;裂隙岩面涂刷厚度为5~10mm;且回填及时,无风干现象。铺浆厚度允许偏差0~2mm一般项目1层间结合面上下层铺土的结合层面无砂砾、无杂物、表面松土、湿润均匀、无积水2涂刷浆液质量浆液稠度适宜、均匀无团块,材料配比误差不大于10%施工单位自评意见年月日(签字,加盖公章)监理单位复核意见年月日(签字,加盖公章)土料填筑卸料及铺填工序施工质量验收评定表单位工程名称从江县刚边乡银平村下银平土地开发1#工序编号分部工程名称土石方工程施工单位贵州华恒水利电力建设工程有限公司单元工程名称、部位土方回填夯实施工日期年月日~年月日项次检验项目质量标准检查(测)记录合格数合格率主控项目1卸料卸料、平料符合设计要求,均衡上升。施工面平整、土料分区清晰,上下层分段位置错开2铺填上下游坝坡铺填应有富裕量,防渗铺盖在坝体以内部分应与心墙或斜墙同时铺填。铺料表面应保持湿润,符合施工含水量一般项目1结合部土料铺填防渗体与地基(包括齿槽)、岸坡、溢洪道边墙、坝下埋管及混凝土齿墙等结合部位的土料铺填,无架空现象。土料厚度均匀,表面平整,无团块、无粗粒集中,边线整齐2铺土厚度铺土厚度均匀,符合设计要求,允许偏差为0~-5cm3铺填边线铺填边线应有一定宽裕度,压实削坡后坝体铺填边线满足0~10cm(人工施工),0~30cm(机械施工)要求施工单位自评意见年月日(签字,加盖公章)监理单位复核意见年月日(签字,加盖公章)土料填筑土料压实工序施工质量验收评定表单位工程名称从江县刚边乡银平村下银平土地开发1#工序编号分部工程名称土石方工程施工单位贵州华恒水利电力建设工程有限公司单元工程名称、部位土方回填夯实施工日期年月日~年月日项次检验项目质量标准检查(测)记录合格数合格率主控1碾压参数压实机具的型号、规格,碾压遍数、碾压速度、碾压振动频项目率、振幅和加水量应符合碾压试验确定的参数值2压实质量压实度和最优含水率符合设计...

1、当您付费下载文档后,您只拥有了使用权限,并不意味着购买了版权,文档只能用于自身使用,不得用于其他商业用途(如 [转卖]进行直接盈利或[编辑后售卖]进行间接盈利)。
2、本站所有内容均由合作方或网友上传,本站不对文档的完整性、权威性及其观点立场正确性做任何保证或承诺!文档内容仅供研究参考,付费前请自行鉴别。
3、如文档内容存在违规,或者侵犯商业秘密、侵犯著作权等,请点击“违规举报”。

碎片内容

土石方回填夯实--报验申请表

您可能关注的文档

文章天下+ 关注
实名认证
内容提供者

各种文档应有尽有

确认删除?
VIP
微信客服
  • 扫码咨询
会员Q群
  • 会员专属群点击这里加入QQ群
客服邮箱
回到顶部