电脑桌面
添加小米粒文库到电脑桌面
安装后可以在桌面快捷访问

土石方机械通用安全操作规程VIP免费

土石方机械通用安全操作规程_第1页
1/6
土石方机械通用安全操作规程_第2页
2/6
土石方机械通用安全操作规程_第3页
3/6
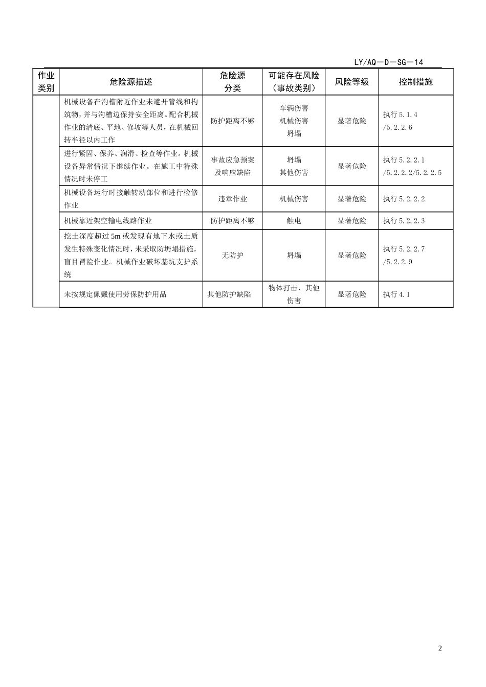
1LY/AQ-D-SG-14土石方机械通用安全操作规程1范围本标准规定了土石方机械通用操作的危险源分析及主要危险源控制措施要求、劳动用品配备和穿戴要求、作业过程安全要求及紧急情况下的现场应急处置措施等安全操作要求。本标准适用于中国有色金属工业第六冶金建设有限公司土石方机械通用安全操作。2规范性引用文件下列文件对于本标准的应用是必不可少的。凡是注日期的引用文件,仅所注日期的版本适用于本标准。凡是不注日期的引用文件,其最新版本(包括所有的修改单)适用于本标准。劳动防护用品管理制度作业许可管理制度危险作业管理制度物体打击、机械伤害、高处坠落事故应急预案触电(雷击)事故应急预案坍塌事故应急预案交通事故应急预案3危险源分析及主要危险源控制措施要求表1危险源辨识及主要危险源控制措施表作业类别危险源描述危险源分类可能存在风险(事故类别)风险等级控制措施土石方机械通用操作土石方机械操作人员未经专业技术培训和安全操作培训合格并持特种设备作业人员证上岗违章作业其他管理缺陷触电显著危险执行5.1.1患有高血压、心脏病、癫闲病等职业禁忌症从事禁忌作业其它伤害显著危险执行5.1.2机械进入现场前及作业前未按规定检查道路交通状况、环境、机具。作业前未确定地下管线、人防及其他构筑物情况和具体位置,在离电缆、煤气管道1m距离以内进行大型机械作业设备、设施、工具附件缺陷防护距离不够车辆伤害(交通事故)公共设施损坏爆炸其他伤害显著危险执行5.1.3/5.1.4机械在场外公路上行驶时违反交通管理部门的有关规定。坡道停机时,横向停放。雨季施工时,机械作业完毕停放在较高的坚实地面上违章作业作业场地基础下沉车辆伤害(交通事故)显著危险执行5.2.1/5.1.32LY/AQ-D-SG-14作业类别危险源描述危险源分类可能存在风险(事故类别)风险等级控制措施机械设备在沟槽附近作业未避开管线和构筑物,并与沟槽边保持安全距离。配合机械作业的清底、平地、修坡等人员,在机械回转半径以内工作防护距离不够车辆伤害机械伤害坍塌显著危险执行5.1.4/5.2.2.6进行紧固、保养、润滑、检查等作业。机械设备异常情况下继续作业。在施工中特殊情况时未停工事故应急预案及响应缺陷坍塌其他伤害显著危险执行5.2.2.1/5.2.2.2/5.2.2.5机械设备运行时接触转动部位和进行检修作业违章作业机械伤害显著危险执行5.2.2.2机械靠近架空输电线路作业防护距离不够触电显著危险执行5.2.2.3挖土深度超过5m或发现有地下水或土质发生特殊变化情况时,未采取防坍塌措施,盲目冒险作业。机械作业破坏基坑支护系统无防护坍塌显著危险执行5.2.2.7/5.2.2.9未按规定佩戴使用劳保防护用品其他防护缺陷物体打击、其他伤害显著危险执行4.13LY/AQ-D-SG-144劳动用品配备和穿戴要求4.1照《劳动防护用品管理制度》规定,作业人员应穿戴工作服、工作鞋等劳动防护用品,不得赤脚或穿拖鞋,不得围围巾、围裙、戴手套。发辫应盘入工作帽内,穿紧身服装,袖口应扎紧。5作业过程安全要求5.1作业前准备5.1.1机具操作人员必须经过安全技术培训,考核合格后,持证上岗,应熟悉设备的结构、性能及设备故障排除等,非机械操作人员禁止开机。5.1.2操作人员必须经体检,凡患有高血压、心脏病、癫闲病和有碍安全操作的疾病与生理缺陷,不得从事此项操作。严禁酒后作业。5.1.3机械进入现场前,必须查明行驶路线上的桥梁、涵洞的通行高度和承载能力。严禁在桥面上急转向和紧急刹车。通过桥洞前必须注意限高,确认安全后低速通过。承载力不够的桥梁,事先应采取加固措施。机械通过桥梁时,应采用低速档慢行,在桥面上不得转向或制动。5.1.4作业前,应查明施工场地明、暗设置物(电线、地下电缆、管道、坑道等)的地点及走向,并采用明显记号表示。施工作业前,应根据安全技术交底确定地下管线、人防及其他构筑物情况和具体位置。严禁在离电缆、煤气管道1m距离以内进行大型机械作业。5.1.5自行式机械作业前,必须进行检查,制动、转向、信号及安全装置应齐全有效。5.2作业过程及安全注意事项5.2.1土石方机械行驶安全要求5.2.1.1机械在场外公路上行驶时必须遵守交通管理部门的有关规定。5.2.1.2坡道停机时,不...

1、当您付费下载文档后,您只拥有了使用权限,并不意味着购买了版权,文档只能用于自身使用,不得用于其他商业用途(如 [转卖]进行直接盈利或[编辑后售卖]进行间接盈利)。
2、本站所有内容均由合作方或网友上传,本站不对文档的完整性、权威性及其观点立场正确性做任何保证或承诺!文档内容仅供研究参考,付费前请自行鉴别。
3、如文档内容存在违规,或者侵犯商业秘密、侵犯著作权等,请点击“违规举报”。

碎片内容

土石方机械通用安全操作规程

文章天下+ 关注
实名认证
内容提供者

各种文档应有尽有

确认删除?
VIP
微信客服
  • 扫码咨询
会员Q群
  • 会员专属群点击这里加入QQ群
客服邮箱
回到顶部